微型化无线编码遥控组件的使用距离一般为50~100m,对某些需要四五百米甚至更远操作距离的应用场合,这类遥控组件便显得无能为力。为此,本文特介绍几种远距离遥控组件,它的特点是:发射器内部采用了声表面谐振稳频技术,可靠性达到工业级水准,空旷地实测有效距离可达200~800m,是目前性能较好,距离较远的遥控产品。该遥控组件按使用要求分为手持移动式及固定安装式两种。表1及表2列出了常用4种发射器及配套的接收器的主要参数,下面分别介绍遥控组件的应用。


发射器 手持移动式发射器是一种带滑动保护盖的4按键遥控器,内部装配一节A23型12V电池,并配有钥匙扣,方便携带使用。固定式发射器供用户安装在隐蔽的场合或较高墙壁上使用,用户需自行外接12V100mA直流电源供电。这两类发射器均由内部编码电路产生8位三态地址码和4位二态数据码,其地址码用以区别不同的用户,由生产厂家设置。数据码提供l~16通道开关量遥控,手持移动式设4个按键,可直接由用户简单地操纵4位数的遥控数据。而固定式5根数据线外部引出,方便用户自行设置l~16位数据接口。图1为两种发射器外形图。

接收模块 与远距发射器配套的接收模块型号为T2068CK,其引出脚功能见图2,该接收模块采用全贴片工艺生产,产品一致性、可靠性以及工作稳定性均有很大提高。当接收模块收到并解调出发射器送来的加密信号,若其中的加密地址完全与接收模块解码地址一致时,T2068CK对应发射器各数据A~D端输出约4V互锁高电平控制信号,同时Io端亦输出解码有效高电平指示信号。用户可将这些信号加一级放大,便可驱动继电器、功率三极管等进行终端开关遥控操纵。

应用举例 上述发射器与接收模块构成的遥控组件,最适合整机生产厂家作产品配套及爱好者制作时使用,因为它可根据使用状况配置各种后组控制执行终端。例如控制非锁状态、互锁状态或双稳状态以及各种状态的混合、数码显示等功能。
1.非锁/互锁遥控 图2为接收端非锁/互锁变换电路,互锁状态时,A、B通道放大级三极管的发射极直接接地,由接收器输出自身互锁功能控制三极管的开及关,当剪断发射极回路后,原来发射极对地回路改为受Io端三极管控制,这时,当按住遥控器某键,接收某路有高电平输出,松开该键,输出恢复为低电平。即将原来的互锁存控制状态变换为非锁存控制状态。
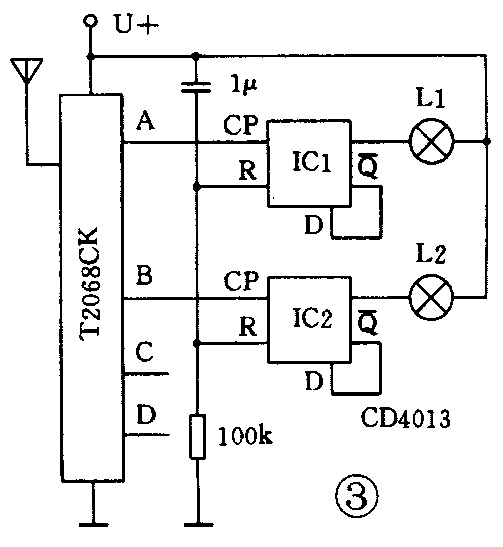
2.双稳态遥控 图3为双稳态变换电路,在接收电路输出端增加一只D触发器,这时,当发射器某键首次按动时,输出呈高电平,再次按动该键时,输出恢复为低电平。

3.数显遥控 很多场合需要安装多只发射器来配合大面积的防盗,例如远离值班室的多个仓库、家庭多门窗的防范,采用数显遥控在值班室能了解到哪个位置被作案,以便作出相应的处理,这时,只要把接收器输出的四路数据当作BCD码输入给七段数显译码电路即可,图4为电原理图。

注意事项:1.手持发射器不可以外接12V电源,否则有烧毁功率管之危险。2.使用手持发射器时应全部拉出拉杆天线再操纵。3.收发天线不要靠近金属体或治金属条固定,否则无法收发信号。4.固定式发射器最低输入电压应大于11.5V,但最高勿超过18V。(蔡凡弟)