近年来,通信事业发展极为迅速,各种通信设备(有线电话、无线电话、对讲机等)的产量也成倍增长。为了在通信时防止被窃听,已开发出通信保密集成电路AK2356及以它为核心组成的通信加密模块。本文将简单地介绍AK2356及加密模块XX-23的应用。
AK2356简介
AK2356是日本AKM公司开发的语音保密集成电路,是一种24引脚贴片式器件。该器件主要特点有:信噪比高,在失真小于-35dB时,信噪比大于45dB;耗电省(具有低功耗控制的省电模式),工作电流仅0.45mA;有保密通信及非保密通信选择开关;可以通过改变载频选择开关的状态选择4种不同的调制、解调频率来实现通信保密,还可以利用改变主频的方法产生不同的调制频率以增加密码数;器件尺寸小及外围元件数量少,可以组成尺寸较小的通信保密电路或通信保密模块。
AK2356保密通话的基本工作原理是将语音音频信号的高频变成低频,将低频变成高频,即信号的频谱被倒置,话音被加密。若采用没有相应解密的接收装置来收听,听到的仅是一片杂音。若在接收装置中装有相应的解密器,则能在解密后接收到正常的语音。
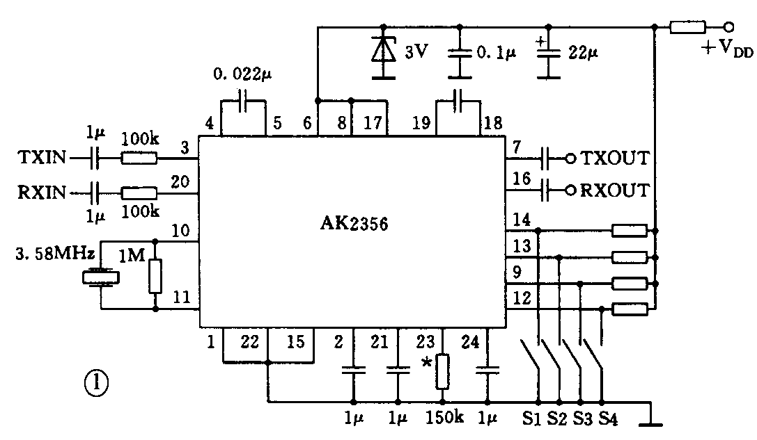
AK2356的应用电路如图1所示。工作电压为3V。S1~S4为选择开关。其中S1、S2决定调制、解调频率;S3为省电控制端:置高电平时为省电模式,置低电平时为正常工作模式;S4为保密控制端:置高电平时为加密工作,置低电平时为不加密。

XX-23通信加密模块
XX-23通信加密模块是以AK2356语音保密集成电路为核心组成的。它采用贴片式元器件及双面贴装工艺,体积小、易于安装。它的保密效果好,耗电省,适合于各种无绳电话、对讲机、车载台、基地台及SCA等通信装置。
该加密模块可利用不同的频率和发频比组成不同的编码。加密模块在出厂时采用固定编码形式,共16种,由型号的后缀来区别(从A到P共16种)。
加密模块主要技术指标为:加密通道增益0±2dB;信噪比>45dB;失真<35dB;加密和解密通道间的隔离度优于60dB;工作电压4~12V;耗电l.5mA;尺寸为:18mm(长)×l5mm(宽)×5mm(厚)。
加密模块如图2所示。安装方法如下(见图3):将发送端话筒出线切断,串入加密模块(蓝线接入话筒端,黄线接话音放大器)。将接收端音量电位器中点引出线切断,串接解密部分(绿线接电位器中点,白线接往音频放大器)。红线接电源正极,黑线接电源负极。


要注意的是两个相互加密通信的设备都要加装XX-23加密模块,并且编码必须相同(配套)。例如采用XX-23-D的,必须购买两个相同的XX-23-D加密模块才行。若需要与不加密的通信设备通话,则要加装一个转换开关。(利飞)