集成电路正常工作时都必须外接直流电源。通常,模拟集成电路要求连接正负两种电源,这是因为电路中使用了一个或多个差动放大器。而数字电路一般只需一个正电源。某些单片A/D转换器(例如ICL7107、MC14433、ICL7135、HI7159A等)只能在±5V的电源下工作。其中-5V电源仅供模拟电路使用,工作电流小于几毫安。这时,再用分立元件组成一个单独的负电源供电是不可取的。下面介绍利用几种集成块获取负电源的方法。
一、利用门电路获取负电源

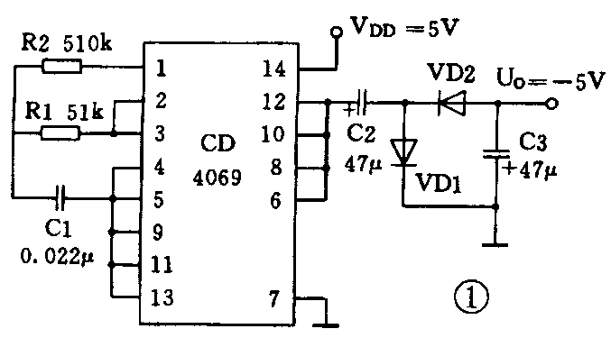
利用CMOS门电路产生-5V电源的电路如图1所示。在电路中使用一片CMOS六反相器集成块CD4069。从CD4069的内部结构可知,其内部共有6个与非门,分别是F1、F2 F3、F4、F5、F6。反相器F1和F2用以构成两级反相阻容振荡器,R1、C1分别为振荡电阻和振荡电容,R2为偏置电阻,用于稳定F1的工作点。该振荡输出为方波电压,振荡频率为400Hz。F3到F6用作缓冲器,电路中将四个反相器并联使用,一方面将振荡器和负载隔离,另一方面能提高方波信号的带负载能力。CD4069的管脚序号已标在电路图1中。由C2、VD1、VD2和C3组成半波倍压整流电路。在振荡信号的正半周,VD1导通,VD2截至。若忽略VD1的正向压降,则信号电压全部落在C2上;在信号的负半周,VD1截至,VD2导通,信号电压就和C2上的电压叠加,经VD2整流后变为负极性的脉动直流电,再经过C3滤波,获得-5V电源。VD1、VD2采用常见的IN4148型硅开关二极管,其正向压降为0.6V。有条件的宜选肖特基二极管。
二、用ICL7660构成的电压变换电路
ICL7660是消耗电流很小的电压变换电路,只需外接两只电容器就可以获得大小与输入电压相同的负输出电压。其管脚排列如图2所示。

ICL7660的工作电压范围为1.5V~10V。在电压变换电路(图3)中,当电源电压为6.5V以上时应在输出端⑤脚接入二极管VD。当电压为6.5V以下时则将VD短接。3.5V以下时将LV端(⑥脚)接地。3.5V以上时,为防止封锁,将LV端开路。

电压变换原理是:由输入侧正电源对电容C1充电,然后将切换开关转换到输出侧,对与负电源并联的电容C2充电,再转到输入侧对电容C1充电,反复操作就可获得输出电压。在此电路上加上电源电压V\(_{DD}\),就可在输出端Uo得到负电源电压输出。电路结构简单,所用外围元件少,工作可靠。
在实际应用中,为减少输出阻抗,以获得较大的负载驱动力,可以将多片ICL7660并联使用(也可外接功率驱动管),电路如图4所示。

有时为了扩大变换电压的范围(如有的运放工作电压为正负12V和正负15V),可利用两片串联来实现,电路如图5所示。

ICL7660不仅能进行负电压倍压,而且还可以实现正电压倍压,电路如图6所示。也可利用一片ICL7660同时取得正电压倍压和负电压。电路如图7所示。从图中可知,当 V\(_{DD}\)=5V时,在两输出端分别得到+9V和-4.5V电压,电容C1、C3分别作为负电压的电荷泵和负电荷存储电容,而C2、C4分别作为正电压的电荷泵和正电荷存储电容。图中UF为二极管的正向压降。


ICL7660的最大输出电流是输出电压的函数,输入电压为5V时,最大电流为20mA。然而,由于内阻较大,输出电压随输出电流上升而成比例下降。例如环境温度为25℃,如果输出电流为20mA,则输出电压由无负载的-5V下降到-4V左右。
三、用CMOS开关产生负电压的转换器

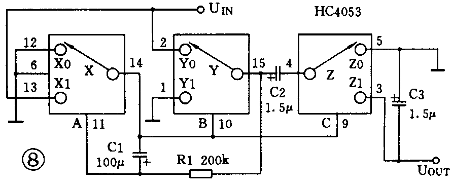
电路如图8所示。在电路中,电阻R1和电容器C1、开关X、Y组成RC振荡器。其中Y和R1组成反相器。设刚开机时,A、B、C三端均为低电平,开关XO、YO、ZO导通。开关接通情况如图所示。输入电压U\(_{in}\)一方面通过回路YO、R1、C1和XO对C1充电,同时也经过回路YO、CZ、ZO对C2充电。当C1所充电电压达到模拟开关的转换电压时,则A端的控制电压使开关X1导通,XO关断。这时B和C端变为高电平,使开关Y1、Z1导通,YO、ZO断开。C1经过R1和Y1放电,C1也经过Z1向C3充电。当C1放电至A端的电压低于模拟开关的转换电压时,开关X1断开,XO导通。B和C又恢复为低电平。上述过程持续进行,最终在电容器C3上可以得到幅度近似等于输入电压的负电压。本电路的集成电路使用HC4053,Uin范围限制在2~5V的范围内,电路的内阻为2k~4k之间(取决于输入电压和输出负载)。(宋吉江 牛轶霞)