云南 倪还荣:一台松下TC-2966彩电遥控器中的晶振A440K损坏,能否用其它型号的晶振来代换?
A440K只是一只振荡频率为440kHz的普通晶振,它可以用其它彩电遥控器常用的振荡频率为455kHz晶体振子来直接代换,遥控器即能正常工作。
上海 花荣森:一台鑫威VCD视盘机开机不读盘,显示“NO DISC”,经查是激光头损坏,请问如何代换该机的激光头?
鑫威VCD视盘机采用的激光头型号为DDP-110B,实际上它与不少VCD视盘常用的索尼激光头KSS-231C完全相同,所以可以用KSS-231C来直接代换DDP-111B。
广东温运时:一台均衡器的流水灯控制集成电路HCF4017BE损坏,请介绍其各引脚功能及其代换型号。
HCF4017BE①空、②水平校正信号输出、③空、④旋转开关输出、⑤、⑥和⑦空、⑧地、⑨、⑩、和空、地、平开关信号输入、复位、电源V\(_{CC}\)。HCF4017BE可以用易得的CD4017、D4017、MN4017或μPD4017来直接代换。
广东李耀文:一台安桥P588后级功放的表头驱动集成电路TA7318损坏,请介绍其各引脚功能及其代换型号。
TA7318的①地、②输出A、③保持D、④输入A、⑤V\(_{EE}\)、⑥输入B、⑦保持、⑧输出B、⑨电源VCC。TA7318可以用TA7332P或D7332来直接代换。
江西 刘林青:一台金星C514彩电中的集成电路LH3561损坏,市场上无法买到同型号的电路,能不能用其它易得集成电路来代换?
LH3561是PAL制色度解码集成电路,它可以用极易买到色度解码电路TDA3561来直接代换。
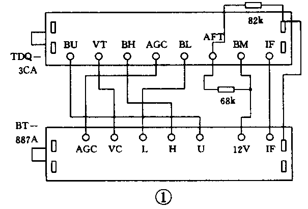
江苏 姚洪庆:能否通过更换索尼彩电KV-1882CH的高频头来接收闭路电视中的增补频道?
索尼KV-1882CH彩电采用的高频头型号为BT-887,它与索尼KV-2092等机用的BT-887A完全相同。它们均可以用国产TDQ-3CA增补高频头按图1来代换。最好按图2做一块小电路板,在此小板上把引脚转换以便连接。


江苏 劳昌江:一台根德CUC95彩电中的集成电路TY40164损坏,请介绍其各引脚功能及其代换型号。
TY40164只是一块普通的三端稳压电路,其①19V电压输入、②地、③12电压输出,所以它可以用极易得的三端稳压电路7812来直接代换。
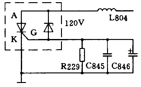
上海 柳明贤:一台松下TC-D25彩电中的可控硅Q834(TFD312W)损坏。请问可用什么样的可控硅来代换?
TFD312W可以用一只3A/400的普通单向可控硅和一只稳压值为120V的稳压管按下图来代换。

山东 乔支全:一台收录机中的前级放大集成电路KA7226损坏,请介绍其各引脚功能和代换型号。
KA7226的①电源电压V\(_{CC}\)、②缓冲输出A、③前置输出A、④空、⑤负反馈A、⑥输入A、⑦自动录音电平控制(ALC)、⑧地、⑨输入B、⑩负反馈B、地、前置输出、缓冲输出B、。KA7226可以用TA7658P来直接代换。
安徽 查才智:一台图文传真机开关电源中型号为2SA562的三极管烧坏,请告诉其主要参数及代换型号。
2SA562的P\(_{CM}\)=0.5W、ICM=0.5A、BV\(_{cb}\)0=35V、hFE=70~240,所以它可以用2SA952、2SA695、2SA673或更易得的CS8550来直接代换。
山东 刘平:请介绍一电动窗帘中使用的集成电路LC2220的各引脚功能及代换型号。
LC2220是四功能/六路红外遥控集成电路,其①、⑥、⑧、⑨、⑩和均为输出控制、②定时控制、③消除、④和方式控制、⑤定时控制、⑦地、遥控输入、源V\(_{CC}\)。LC222可用其功能强大且性能更好的改进型LC2210来直接代换。
四川 乐于人:一台落地式遥控电风扇的遥控接收电路SFH506损坏,市场上根本买不到SFH506,能否找到代换的电路?
SFH506是遥控接收电路,其①红外信号输入、②前置放大、③接滤波电容、④地、⑤fo中心频率制、⑥接滤波电容、⑦输出、⑧电源V\(_{CC}\)。
SFH506可以用彩电常用的遥控接收电路CX20106来直接代换。
广西 韦胜得:一台小型收音机中的集成电路CX20091不慎损坏,请介绍其各引脚功能及其代换型号。
CX20091为调频/调幅收音机集成电路,其①地、②FM鉴频、③负反馈、④音量、⑤AM振荡、⑥AFC、⑦FM振荡、⑨FM射频、⑩AM射频输入、空、FM射频输人、地、频输出、FM/AM波段选择、AM中频输入、FM输入、、谐指示、、波输出、C、波AGC、频输入、波、源V\(_{CC}\)、出、。
CX20091可以用CX20090或μPC1303G来直接代换。
贵州 邱岳本:一台新科VCD-320C机中的集成电路AN4558损坏,请介绍其各引脚功能及其代换型号。
AN4558只是一块双运算放大器,其①放大器A输出、②放大器A负输入、③放大器A正输入、④地、⑤放大器B正输入、⑥放大器B负输入、⑦放大器B输出、⑧电源V\(_{CC}\)。AN4558可以用常用的RC4558、KA4558、NJM4558或NE5532等来直接代换。(本期问题由汤志成同志解答)