北京 郭瑞:如何用万用表测试结型场效应管的放大能力?举例说明场效应管的简单应用。
结型场效应管用得比较多的是N沟道的3DJ型管,其管脚排列见图1。测试这类场效应管放大性能,可按图2搭接一个电路,把万用表拨在5V左右直流电压挡,红、黑表笔分别接漏极D和源极S。当调整电位器RP使阻值增加时(图中为滑动接点向上滑),万用表指示电压值应增大;减小RP阻值(图中RP滑动接点向下滑),万用表指示电压值应减小。在调节RP的过程中,万用表指示的电压值变化越大,说明管子的放大能力越强。如果在调节RP过程中,万用表电压指示无变化,说明管子放大能力很小或已经丧失放大能力。


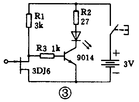
图3是一种感应试电笔电路,可作为结型场效应管应用示例。(沈征)

新疆 孙传华:如何用万用表判别场效应管的电极。
场效应管是场效应三极管的简称。根据结构不同,场效应管分为结型场效应管和绝缘栅场效应管两大类型;根据导电沟道的材料不同,它们又各自分为N型沟道和P型沟道两种。绝缘栅场效应管又可分为耗尽型和增强型。
作为初学者来讲使用结型场效应管比较合适,因为绝缘栅型场效应管极易因产生过高的感应电压而击穿损坏(平时保存绝缘栅型场效应管应将3个引脚连在一起,或用锡纸包装)。所以用万用表测试场效应管主要是测结型场效应管,绝缘栅场效应管可用晶体管图示仪测试。
下面介绍常用的3DJ型N沟道结型场效应管测试方法:3DJ型结型场效应管可看作一只NPN型的晶体三极管,栅极G对应基极b,漏极D对应集电极c,源极S对应发射极e。所以只要像测晶体三极管那样测PN结的正、反向电用即可。把万用表拨在R×100挡用黑表笔接场效应管其中一个电极,红表笔分别接另外两极,当出现两次低阻值时,黑表笔接的就是场效应管的栅极。红表笔接的就是漏极或源极。对结型场效应管而言,漏极和源极可以互换。对于有4个管脚的结型场效应管,另外一极是屏蔽极(使用中接地)。
目前常用的结型场效应管和MOS型绝缘栅场效应管的管脚顺序如图3所示。(沈长生)

福建 宋小青:本刊1999年第1期发表的《新型去极化镍隔电池充电器》读后很感兴趣,但有以下几个问题不太清楚,请帮助解答:1.望能提供图中IC4集成电路TL431的有关资料。2.图中V3三极管D862很难买到,可用什么三极替代换?
集成电路TL431是一种并联稳压集成电路,因其性能好、价格低,因此广泛应用在各种电源电路中。其封装形式与塑封三极管9013等相同,如图1所示。同类产品还有图2所示的双列直插外形的。


TL431的主要参数为:
(1)最大输入电压37V;(2)最大工作电流150mA;(3)内基准电压为2.5V;(4)输出电压范围为2.5~30V。
TL431可等效为一只稳压二极管,其基本连接方法如图3所示,图3(a)可作2.5V基准源,图3(b)作可调基准源,电阻R2和R3与输出电压的关系为U\(_{o}\)=2.5(l+R2/R3)V。

三极管D862(图中V3)是一种NPN型中功率硅管,其参数为I\(_{CM}\)=2A,PCM=10W。可用各种类型的硅中功率管代替,只要I\(_{CM}\)=2A左右即可,如国产管BD175、BD235、BD375、3DD56A等。(沈征)
北京 李木子:我在看电路图时,发现有的元件旁边只标出数值没标出单位,如何识别?
在电路图中电阻、电容只标示数值是为了节省位置而省略了一些单位标号,现将国内电子书刊中常见的标示方法介绍如下:
电阻器:
l.阻值在l-999Ω范围,单位“Ω”省略,仅标数字。如标示为“R2 360”即R2为360Ω。
2.阻值在1兆欧以上,单位省略,但加小数点和0,表示兆欧数。如“R6 2.0”,即R6为2MΩ(兆欧),或2 000 000Ω;
3.阻值为1 000Ω~1MΩ时,一般用“k”表示,如 R3 5.6k”表示R3为5 600Ω。
电容器:
1.电容量在1~9999pF(皮法)范围,单位“pF”省略。例如“C6 100”,即C6为100pF。
2.电容量在10 000pF以上,单位可省略,但加小数点和0,表示μF(微法)。如“C7 0.01”即表示C7为0.01μF。
3.有时电容量在1000pF以上用“n”表示,如“C910n”表示C9为10nF,即0.0lμF。
注:为了不引起误解,本刊的电路图中一般仅省略了单位符号“Ω”和“F”,如“R2360”、“R3 100k”、“R6 2M”、“C6 100p”、“C7 0.01μ”、“C8 4.7μ”等。(沈长生)
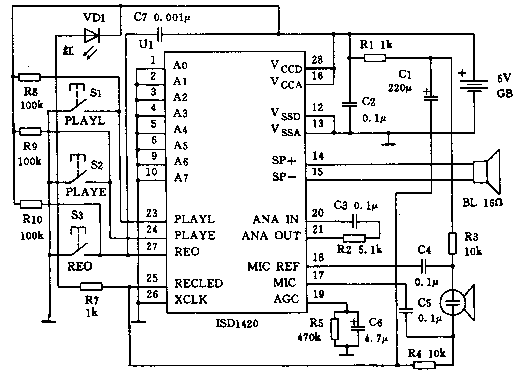
浙江省宁波市读者在信中说:“最近我在小商场看到许多国态语音录放电路,像一只小话筒,体积很小,但它的音质很差,我很想自己制作一只音质好一点的语音录放电路,但手头没有资料,想通过‘初学者信箱’提供固态录音基本电路。”
我们使用过的固体录音电路中,效果较好的要属美国ISD公司研制的ISD系列,它采用模拟处理存储方法,音质极佳,没有常见的背景噪音,而且录好的内容断电后,信息可保存100年,可反复录放10万次,选址处理多达160段,能很方便地与单片机联接在一起。供电为5V单一电源。原理图可参考下图。ISD1420录放音时间为20s。(沈征)


