物理学是以实验为基础的科学。物理演示实验在教学中占有十分重要的地位,它不仅能在教学过程中给学生提供观察物理现象的特定条件,而且在激发学生的学习积极性、启发学生思维、培养学生分析和解决问题能力等方面都有特殊作用。但是,目前许多高中物理演示仪器缺乏,演示实验远远不能满足教学大纲提出的要求。为此,我们在教学中,用小型家用电器来代替部分物理教学仪器,同样能演示较复杂的物理现象。实践证明,演示效果有声有色,直观形象,学生很感兴趣。
1.用彩电遥控器和小收音机演示“光是一种电磁波”(图1)

教材中“光的电磁说”这一节的教学,是根据电磁波的速度等于光速以及电磁波反射、折射、干涉、衍射、偏振的规律完全与光波相同,间接证实了“光是一种电磁波”。为了使学生深刻理解“光的电磁说”,我们用彩电遥控器和小调幅收音机直接演示“光是一种电磁波”。
将彩电遥控器靠近并对准小收音机的磁棒(相距20~30cm),将收音机调至无广播节目的频率上,将音量开大,按动遥控器某个指令键,由遥控器内红外发射二极管向收音机发出红外光,此时可听到收音机的扬声器中发出“嘟嘟……”的声响。这一现象说明收音机已接收了遥控器的光信号,验证了“光是一种电磁波”。
2.演示磁信号与电信号的转变(图2)

物理“电磁感应”这一节的教学,主要是通过介绍法拉第的实验,抓住磁通量的变化这一知识主干,引导学生总结出产生感应电流的条件是:只要穿过闭合线圈的磁通量发生变化,线圈回路中就会产生感应电流。为了使学生加深对电磁感应现象的理解,我们可用两种方法演示:
(1)用小单放机和一盒磁带演示磁信号与电信号在一定的条件下的相互转换。
单放机的磁头由铁芯和绕在铁芯上的线圈组成。整个铁芯和线圈装入一个屏蔽外壳内,以避免杂散磁场的干扰。铁芯的两极间有一条缝隙。单放机在放音时,录上磁迹的磁带以录音时的速度通过放音磁头的缝隙处。如果磁性体产生的磁场是变化的,磁头线圈中就会感应出随磁迹而变化的感生电流,即产生随原来声音而变化的电信号。这个电信号由磁头输出只有1mV左右,必须经内部放音电路放大,将信号送到内部功放电路,再通过扬声器发出原来的声音。
(2)用黑白电视机高压包检测振动音叉产生的交变磁信号并转变成电信号。
高压包是黑白电视机中行输出变压器的高压绕组,大约由2300匝线圈组成,是一只灵敏度极高的拾电圈。用它可方便地检测微弱的交变磁信号并转变成电信号。
将高压包放置在一块永磁体上,再将一振动的音叉靠近高压包振动,引起高压包附近的磁场分布发生变化,高压包将这种随振动而变化的磁场检测出来,转变成电信号后送到示波器,即可显示出音叉的振动波形。
3.用电子琴演示声波的干涉现象(图3)

选用左右两端各有一只相位及口径完全相同的双扬声器电子琴(间距越大越好),如YAMAHA PSR-40,作为一对相干波源。按下任一琴键,使琴持续发出稳定的声音,将琴面竖直平放,左右扬声器在同一水平线上,面向学生。缓缓转动电子琴,使坐在不同位置上的学生都能明显听到忽强忽弱的变化,这就是声波的干涉现象。
4.用微风扇演示发电现象(图4)

用一个家用微风吊扇,取下扇叶,把一个小功率发光二极管的两端分别接到微风扇的插头的插脚上,然后用手快速转动电扇,可清楚看到发光二极管发光。
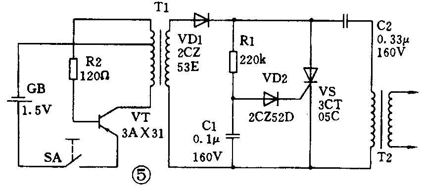
5.用煤气灶电子点火器代替感应圈演示互感现象(图5)

电子点火器并不复杂,各种牌号的电子点火器原理都差不多,主要由振荡电路和升压变压器组成。升压变压器的初级匝数为20匝左右,次级匝数为2000匝左右,次级接点火放电针。升压变压器能把初级100V左右的脉冲电压提升到10kV左右的高压,使空气完全电离打火。
6.用自动电饭锅演示高温去磁现象
电学部分“电流的磁场”一节中讲到:“磁体受到高温或强烈敲击时,分子电流的方向又会变得紊乱,从而减弱或完全失去磁性。”为了使学生理解这一现象,可用电饭锅的自动限温现象来演示讲解。自动限温原理是:电饭锅中自动部分的核心部件是感温磁钢,有高温去磁现象。按下按键开关则接电源的动静触头接通,电热盘发热,温度高到103℃时,由于感温磁钢失去磁性而不能吸住永磁钢片,则永磁钢片下落并带动传动杆一起下落,使动静触头自动断开,切断电源。
用小家电做物理演示实验,既能使学生明白物理概念在应用技术中的价值,又能使学生学到“有用的物理”,大面积提高学生的创造能力和动手能力。当然,小家电在物理演示实验中的应用,远不止这些,需要我们物理教师去进一步探究,进一步开发其在教学中的应用。(杨国平)