本刊2000年第6期刊登了周海老师的《电池状态指示器》一文,电路简单、实用,按图制作效果很好。但在分析电路时发现一个“问题”;发光二极管一般需要1.6~1.8V正向电压才能导通发光,为什么1.5V(一节电池)电压即可使它闪亮呢?开始觉得很奇怪,后来根据电容器的充放电原理及三极管基本工作原理,进一步深入分析才把这个问题搞明白了。



原电路图如图1所示。在接通电池的瞬间,100μF电容器通过两个1kΩ电阻充电,如图2所示。由于电容器上的电压不能突变,所以在充电的瞬间R\(_{e1}\)上的电压为2个1kΩ电阻的分压,即Ue1=0.75V。所以在接通电池的瞬间VT1并不导通,这是因为VT1的基极电压(U\(_{b1}\))为100kΩ和200kΩ的分压,Ub1=1.0V,而U\(_{e1}\)=0.75V,所以VT1的Ube1<0.6V而截止。随着充电电压的上升,U\(_{e1}\)上的电压渐减,如图3所示。直到Ue1降到0.3~0.4V时VT1才导通。在电容器充满电后,VT1的集电极电流I\(_{c1}\)为:
I\(_{c1}\)=Ub1-U\(_{be1}\)Re1=1.0V-0.6V;1kΩ

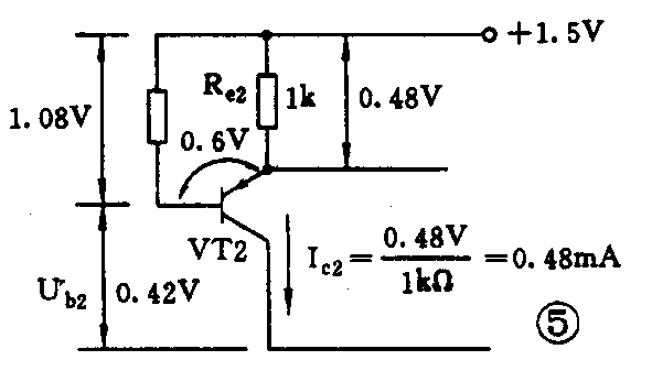
式中设U\(_{be1}\)=0.6V。Ic1流过R\(_{c1}\)(2.7kΩ)产生1.08V的压降(上正下负),如图4所示。此时VT2基极电压降到0.42V,VT2导通,Re2上的电压降为0.48V,则I\(_{c2}\)为:
I\(_{c2}\)=0.48V1kΩ
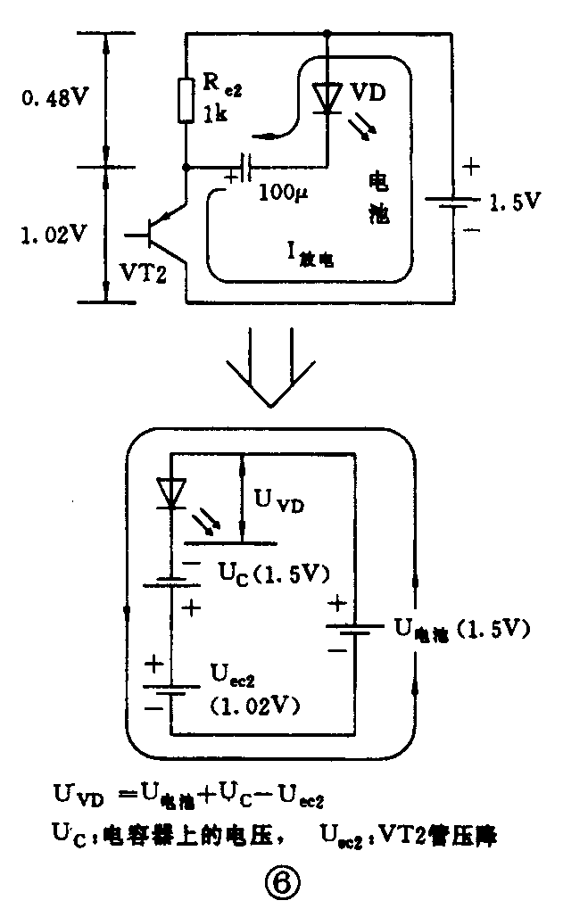
在VT2一旦导通时,电容器上的电压U\(_{c}\)将通过VT2的e、c极放电,如图6所示。Uec2为VT2的管压降(上正下负),则发光二极管VD上的作用电压U\(_{VD}\)为(放电瞬间):
U\(_{VD}\)=U电池+U\(_{c}\)-Uce2
=1.5+1.5-1.02=1.98V
这1.98V电压在没有限流电阻情况下快速通过发光二极管放电,使VD发光,电容器上电荷很快放完,一旦VD上的电压小于1.6V时,VD灭,所以VD仅闪亮一次。电容器放完电后马上又开始充电,VT1、VT2又截止,进入下一个循环,这样VD就会在1.5V供电电压时闪亮。
掌握了一些基本元器件工作原理,就有可能把这一简单电路的工作原理搞清楚。如果你有兴趣的话,还可以再深入分析一下:为什么电池电压降低后VD闪亮的频率变低?电池电压降到多少伏后VD就不闪亮了?(戴维德)

