(王辉)以东芝公司的电调谐收音芯片TC9307为核心组装的电调谐收音机,具有功能强、电路简单、工作稳定等优点而受广泛的欢迎。本文介绍两款电调谐收扩音机板,可供业余爱好者及生产工厂作为自制或生产组合音响用,有关这两款组合音响极的功能见附表。由表可见,这两款机板都非常适合爱好者及小生产作坊接产,对于想做一个收音头与自己家里的功放组合使用,Ⅰ、Ⅱ型均可。对于农村或厂矿的自动定时广播机可选Ⅰ型;对于做微型组合可选用Ⅱ型。

由于Ⅰ、Ⅱ型电路结构大致相同,故以Ⅰ型电路为例:一、Ⅰ型电路由(l)CPU显示屏按键,(2)高放,(3)中放、鉴频,(4)电源,(5)电子音量功放,(6)遥控等6部分组成。因篇幅有限,本文只提供第1和第6部分的电路图,需要其它部分电路者请浏览相关网站:http://tongtu.163.net或传真索取:020-83588350。
CPU显示屏部分见图1。它承担着选台、记忆、显示、切换、控制等作用,是整个电路的心脏。它主要按设定的频率输出一个供变频二极管工作的调谐电压;驱动液晶显示屏;驱动立体声指示发光二极管VD215;向中放部分输出静噪控制信号;向收音部分输出AM/FM切换信号,这一切功能都已在图1中的JS204中标出来。H1及H2是液晶屏照明用的,开机时自动亮,关机时会自动灭。而IC202为红外接收集成电路,包含红外接收管、预放大电路及整形电路,与VT2l6构成红外接收的前置放大电路,放大后的信号则由JS202与遥控解码、控制部分相连。

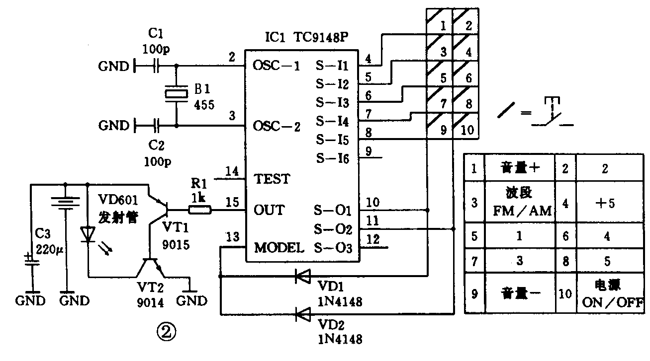
遥控部分:由于遥控功能与面板手控功能是完全对应的,即使没有遥控部分也不会影响其使用。另外,由于本电路不带遥控手机,故对电路进行改制,新加的遥控器见图2。图2为Ⅰ型板及Ⅱ型电路板公用的遥控发射器,它一共有10个功能键,对于预设按键、电源开关、音量调节、波段转换全部包含在内,对于收音部分来说是全功能型的遥控器。限于篇幅,有关改制的方法参见下期的介绍。本电路板已全部组装连接好,只要接上16V约20W的交流电源,并接上天线及扬声器即可工作(16V电源变压器及扬声器、外壳需自己另配)。
