热释电红外语言告警器,是利用热释电红外传感器作为探头,检测人体发出的特定波长红外线信号,进行非接触式距离较远的检测,即人体接近被保护的区域视野,告警器即发出告警语言。
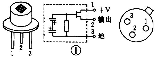
热释电红外传感器的内部结构与外形如图1所示。

传感器的光谱范围为l~10μm,中心为6μm,均处于红外波段,是由装在TO-5型金属外壳的硅窗的光学特性所决定。
热释电红外传感器不但适用于防盗报警场所,亦适于对人体伤害极为严重的高压电及X射线、γ射线工业无损检测。
本文介绍的热释电红外语言告警器,可用于防触电或防盗。由于电路以集成电路为主,只有少量外围元件,故安装简易、工作可靠,几乎不用调试,只要组装正确无误,便能正常工作。
一、电路原理
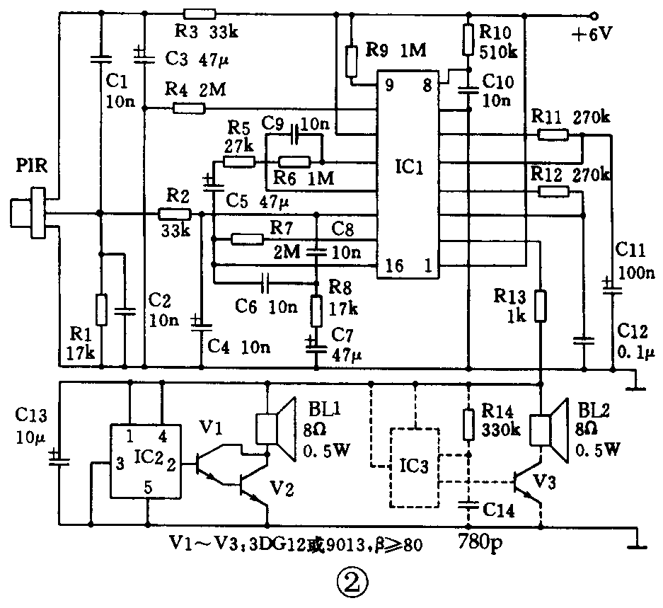
热释电红外语言告警器的电路如图2所示。电路由热释电红外传感器、信号处理电路及语言告警电路三部分组成。

当人进入警戒区域时,热释电红外传感器(PIR)即接收到频率为0.l~8Hz的人体红外信号,并将其转换为电信号,经电阻R2、电容C2及C4组成的低通滤波电路,滤除高频干扰噪声,送至IC1的,经内部二级放大后的信号,在IC1内又经双向幅度鉴别后,通过逻辑控制电路由IC1的②脚输出高电平,其时间由延时电路中的R12、C12决定。延时时间应大于或等于语言电路IC2(或IC3)的放音时间。IC1②脚输出的高电平,经电阻R13送至语言发声电路IC2(或IC3),为其提供工作电源,使语言发声电路工作,推动扬声器发出相应的语言告警声。
图中,IC2、V2、V2及扬声器BL1,组成防高压电告警电路,人一旦走进警戒区域,立即发出“有电危险,请勿靠近”的声音警告;若用于防盗,IC3、V3及扬声器BL2等(虚线部分),组成防盗告警电路,盗贼进入保护防范区域,立即发出“抓贼呀”的语言告警,将盗贼吓走。此处电路亦可改成其它形式,如灯光闪烁等告警,作为夜间无人值守处的防范警戒。
二、元器件选择
电路中各电阻、电容、晶体管及扬声器的参数已标在图2中。
热释电红外传感器的型号可选P2288或LS064,需配120°12m广角型菲涅尔滤光镜片。
IC1选用SNS9201集成电路或SS0001专用集成电路。
IC2为语言集成电路,型号为BA08,内储“有电危险,请勿靠近”语句,IC2为软封装。
IC3是能发出4种语言模拟声的集成电路,工作电压为2.4~5.5V,软封装,其引线功能绘于图3。

三、安装与使用
热释电红外语言告警器的热释电红外控制部分的印制电路如图4所示。

当热释电红外语言告警器用于“有电危险,请勿靠近”告警时,图中IC3(虚线部分)不采用;而用于“抓贼呀”防盗告警时,则IC2部分不选用。
热释电红外传感器的窗口固定在告警盒体的侧面,印制板与电池等固定在相应盒体中,之后将告警盒隐蔽在警戒区域的入口处,高度不低于1.6m,探测窗口朝向入口范围,其视野约70°,可控制10~15m的移动人体。
若只用于夜间告戒,白天应将电源开关置于断开位置,以延长电池使用寿命。(杨国治)