编者按:为了配合中小学开展素质教育和劳技课教学,进一步在中小学生中普及电子技术知识,培养中小学生的动脑动手能力,《无线电》杂志编辑部与北京市青少年科学技术馆将于2000年9月至11月联合举办第13届北京市中小学生“无线电爱好者”是电子制作比赛。今年中学组的制作项目之一就是本文介绍的“自动搜索调频收音机”。
自动搜索调频收音机与普通调频收音机的主要区别就在于它们的调台方式不同。自动搜索调频收音机采用电调谐方式选择电台,省去了可变电容器,设置了“搜索”和“复位”两个轻触式按钮。使用时只要按下搜索按钮,收音机就会自动搜索电台,当它搜索到一个电台后,会准确地调谐并停止下来。如果想换一个电台,只需再次按下搜索按钮,收音机就会继续向频率高端搜索电台。当调谐到频率最高端后,就需要按下复位按钮,让收音机本振频率回到最低端才能重新开始搜索电台。这种自动搜索调频收音机使用方便,调谐准确,由于不使用可变电容器,所以使用寿命长(可变电容器容易损坏),它的缺点是没有频率指示。
一、电路的工作原理
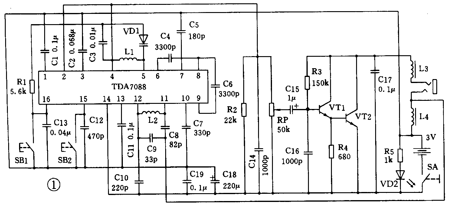
图1是自动搜索调频收音机的电原理图。其核心器件是一块TDA7088集成电路,这块集成电路中包含了调频收音机中从天线接收、振荡器、混频器、AFC(频率自动控制)电路、中频放大器(中频频率为70kHz)、中频限幅器、中频滤波器、鉴频器、低频静噪电路、音频输出等全部功能,还专门设有搜索调谐电路、信号检测电路及频率锁定环路。

取代可变电容器的是变容二极管,它是一种特殊的二极管。它的PN结电容随着PN结上的偏压(反向电压)变化而改变。偏压增大,PN结变厚,PN给电容变小;偏压降低,PN结变薄,则PN给电容增大。因此改变PN结上的偏压,就可以改变PN结的电容。电路中变容二极管接在本机振荡电路上,就可以改变振荡频率。
因为集成电路中很难集成较大容量的电容器,所以集成电路外接的电容器较多。TDA7088集成电路的①脚接的电容器C1为静噪电容;③脚外接环路滤波元件;⑥脚上的C4为中频反馈电容;⑦脚上的C5为低通电容器;⑧脚为中频输出端;⑨脚为中频输入端;⑩脚上的C7为中频限幅放大器的低通电容;脚为搜索调谐输入端,C12为滤波电容器;脚为电调谐、AFC输出端。
调频收音机的耳机线兼作天线,电台信号送入集成电路的第脚和脚,电感L2、电容器C8、。C9、C10构成输入回路。电路的频率由L1、C3及变容二极管VD1决定。混频后产生的70kHz中频信号经集成电路内的中频放大器、中频限幅器、中频滤波器、鉴频器后变为音频信号,由集成电路的第②脚输出,送到音量电位器上,再由电容器C15送到由三极管VT1、VT2等组成的低频放大电路中进行放大,推动耳机发声。连接耳机插座的电感器L3、L4是为了防止天线的信号被耳机旁路而设置的。发光二极管和电阻器R6组成电源显示电路。电容器C18和C19为电源滤波电路。电容器C17是用来改善音质的。
二、电路的制作
图2是自动搜索调频收音机的元件安装示意图。

首先将16脚的双列微型扁平封装的集成电路TDA7088焊在电路板中的敷铜面上。由于集成电路管脚间隙很小,焊接时一定要十分小心。可先将集成电路的管脚和电路板上的焊点镀锡,把电烙铁头上的焊锡甩掉后,将集成电路对准电路板上的焊接处(集成电路的1脚处在耳机插座的一方),用不带焊锡的电烙铁进行焊接。其次将4根跨线、5只电阻器、2只电感器焊到电路板上。再依次将17只电容器、2只电解电容器、2只三极管、变容二极管、2只线圈、电位器、耳机插座、轻触开关、发光二极管焊到电路板上。注意发光二极管的高低要与机壳相配合。最后用导线连接电池接触片的正负极。
所有元器件安装好并检查无误后就可以进行调试。电路不接耳机时的耗电约为7mA,最大音量收听时总耗电为15mA左右。调整线圈L1的疏密程度来调整收音机接收频率的范围。如果高频端的电台收不到,可以把线圈拉开一点;如果低频端的电台收不到,可以把线圈夹紧一点。由于自动搜索调频收音机没有频率指示,所以可找一台普通调频收音机进行频率对比。
三、组装
首先把电池接触片装入外壳中。再把两个按钮装入外壳,使两个按钮一个低些,一个高些,分别对应搜索按钮和复位按钮。再将电路板装入外壳,并用螺丝固定。最后装电位器的旋钮。(周海)