(瞿贵荣)UM3758-1084有数字编码和译码双重功能,它具有10位3态编码地址,8位锁存式并行数据输入(编码)/输出解码)端子,能方便地实现多址、多路数字信息传递或控制,可与有线载波及无线、红外等各种载体接口配用,实现远距离传输。外围电路简单,电源电压范围宽,功耗低,工作稳定可靠,适用于遥控遥测、数字寻呼、多路通信、集群报警以及双工收发等系统。
UM3758-108A的工作电压为3~12V。IN端接收输入高电平最小值为4V,低电平最大值为2V。其它输入高电平V\(_{IN}\)=(VDD-0.5)~V\(_{DD}\),输入低电平V1L=0~0.5V。输出高电平V\(_{OH}\)=(VDD-0.5)~V\(_{DD}\)、输出低电平VOL=0~1V。数据端D1~D8的输出电流为±10mA(电平在V\(_{DD}\)/2时)。TX/RX端输出电流可达-40mA或+20mA。时钟频率为f=160kHz左右,发送编码频率为f/16,发送编码周期为6×16/f。
UM3758-108A采用标准24脚DIP双列直插式封装,引脚功能见附表,本文只从应用角度介绍其功能。地址由0、l、“开路”三态编码,最大寻址能力为310=59049。也就是说,一个编码器可向59049个译码器发出数字信号,或者一个译码器可接收59049个编码器送来的信息。D1~D8内有上拉钳位元件,开路时为1,接地时为0。地址和数据码是以脉冲占空比来区分的:两个占空比为1/3的连续短脉冲代表1,两个占空比为2/3的连续长脉冲代表0,一长一短两个连续脉冲代表“开路”。OSC端外接RC元件就可产生时钟信号,频率为f=l/0.5R·C。编/译码选择控制瑞T/R-=l时为编码模式,T/R-=0时为译码模式。IN端仅在译码时接收信号,编码时 可悬空。TX/RX-是复用输出端,编码时 串行输出由A1~A10和D1~D8输入 状态所形成的数据流译码时输出译码成功标志脉冲,若译码有效,TX/R-X便由1跳变为0,输出一个负脉冲,可驱动外接发光二极管发光指示,或作其它控制信号使用。

UM3758-108A的典型用法如图1、图2所示。图1的T/R-=1,为编码状态,A1~A10由三态开关进行地址编码,D1~D8外接数据选择开关,OSC外接振荡元件,编码信息由TX/RX-串行输出;图2的T/R-=0,为译码状态,信号由IN送入,若A1~A10与编码器地址完全相同时,D1~D8便输出与编码器输入数据一一对应的数据,并锁存至新数据到来,同时TX/RX-输出一负脉冲,由VD发光指示译码成功。而其OSC外接RC元件应与编码器相同。


在各类数字编译码器中,UM3758-108A的地址位和数据位是较多的一个品种,因此它的应用也是非常灵活的。A1~A10的地址编码也可由二态(双向开关)来完成,或取自二进制计数器(如CD4040)等,此时可产生2\(^{1}\)0=1024种不重复的地址码,在一般情况下已足够使用。在地址不需经常改变时,亦可不用编码开关,而用跳线直接接0、l或“开路”。D1~D8可单独传送8路信号,也可产生28=256种组合。其输入方式可用数据选择开关、二进制计数器、十进制数/BCD码转换开关或各种传感器输出的数字信号。而译码器的8位输出数据,则可用来驱动发光二极管、光耦合器、固态继电器、单向或双向晶闸管等,也可控制多路转换器、模拟电子开关,或经七段显示译码器驱动LED、LCD数码管进行数字显示等。
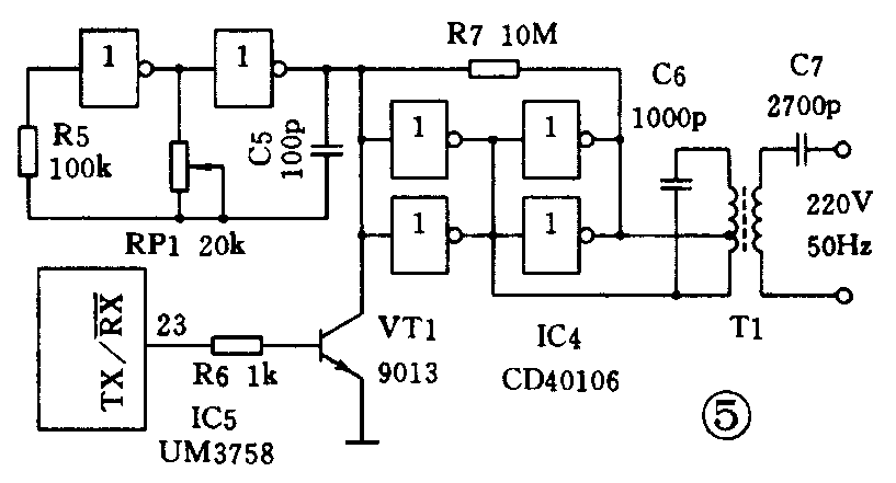
图3、4为红外载体传送信息,编码器输出信号直接驱动二只红外发光管向外发射。红外信息由CX20106A处理,它是遥控彩电中常用的一种红外接收电路,解调出的编码信号送至译码器的IN端;图5、6是低压电网载波发送、接收电路。编码信号经VT1放大后去调制高频载波(50kHz~400kHz),经隔离后送入电网。接收信号经放大、解调后送入译码器。图7、8为无线发送、接收电路,发送接收电路使用长波数据传送模块T630/T631,也可改用其它无线遥控模块或组件。





