CD4013是CMOS双D触发器,是电子爱好者设计开发电子电路的一种常用器件。
CD4013的功能
CD4013的引线排列如图1所示。它内部有两个完全相同的D触发器FF1和FF2。

图1中,D为数据输入端,CP为时钟脉冲输入端,Q和Q-为一对互补的输出端,S为正位端,R为复位端,V\(_{DD}\)和VSS分别为电源正负端。
D触发器的功能可由附表来描述。由表可见,当R=S=0时,在CP上升沿作用下,Q端状态与D端状态相同,即Q\(_{n+1}\)=D,也就是将D端数据置入触发器。当R=0,S=1时,Q=1;当R=1,S=0时,Q=0,称为直接置“1”和置“0’,无需CP和D配合。
附表
CP D RS Q\(_{n}\)+1
↑ 0 00 0
↑ 1 00 1
↓ O 00 Q\(_{n}\)
φ φ 10 0
φ φ 01 1
注:φ表示任意状态
Q\(_{n}\)表示触发器原态
CD4013的基本工作方式
CD4013在实际应用中一般工作于下面几种基本方式。
1.数据锁存方式
图2为D触发器数据锁存工作方式,也是它的基本功能。由图可见,在CP作用后,D端数据被锁存到Q端。将多个D触发器组合可构成多位数据锁存器或寄存器。

2.单端稳态工作方式
图3为D触发器单稳态工作方式。在CP作用下,Q端由“0”跳到“1”,并通过R向C充电,当C上电压U\(_{c}\)(也就是R端电位)上升到其门限电压UT(≈12V\(_{DD}\))时,触发器被强迫复位,Q端由“l”自动跳到“0”,同时,Uc通过二极管VD迅速放电,为下一周期的工作做好准备。

在单稳态工作方式中,Q端的“0”态为稳态,而“1”态称为暂稳态,t\(_{w}\)为暂稳态宽度,由RC决定:tw≈0.693RC。D触发器构成定时器、消抖动电路时都工作于单稳态方式。
3.无稳态工作方式

如图4所示,为D触发器的无稳态工作方式,也称为多谐振荡工作方式。其工作过程大致如下:假设D触发器的初态Q=1,Q-=0,Q端的l通过R1向C1充电,当U\(_{c1}\)充至\(\frac{1}{2}\)VDD时, D触发器复位,Q端由“1”变为“0”,而Q-由“0”变为“1”,Q-的1通过R2向C2充电,当U\(_{c2}\)充至1;2VDD时,D触发器被置位,Q=1,Q-=0,完成一个工作周期。之后将不断重复上述工作过程,形成多谐振荡。振荡周期T=t\(_{w1}\)+tw2=0.693(R1C1+R2C2),振荡频率为:
f=\(\frac{1}{T}\)=1.443;R1C1+R2C2
改变R1C1、R2C2即可改变t\(_{wl}\)、tw2,也就调节了振荡周期或频率,并可得到所需的脉冲占空比。当R1=R2,C2=C2时,得到的为方波输出脉冲。
4.双稳态工作方式
图5所示为D触发器的双稳态工作方式。图中,D、Q-相联,D触发器的功能变为 Q\(_{n+1}\)=Qn-。即每有一个CP作用,Q端状态就变与原来相反的状态,也称为计数状态。

CD4013应用实例
下面列举CD4013的几种实际应用电路,读者可举一反三,设计出更加新颖实用的电路。
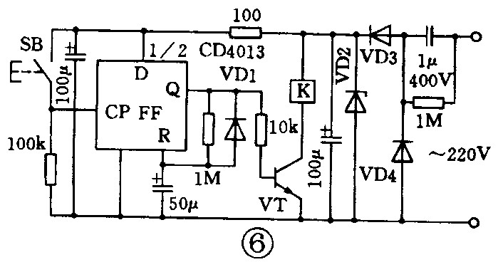
1.楼梯延时照明灯
电路如图6所示。D触发器工作于单稳态方式,暂稳态宽度(即延时时间)t\(_{w}\)≈30s。

当按动SB时,Q输出30s的高电平,使VT饱和导通,K吸合,灯亮30s后自动熄灭。C3、VD2~VD4等构成电容降压半波整流稳压电路。制作时,触发器用\(\frac{1}{2}\)CD4013,VD1用1N4148,VD3、VD4用1N4007,VD2用12V/1W稳压二极管,C3用10μF/400V电扇电容,VT用9013,β≥100,K用12V微型继电器。
2.电冰箱外接控制器
电冰箱因内置温控器触点的粘连,造成不停机的故障时有发生,严重时会造成压缩机过热而损坏。此时可用外接式控制器,电路如图7所示。D触发器工作于无稳态方式,RP1、C1决定了工作时间,而RP2、C2决定了停机时间,它们可在15分钟之内调节。当D触发器的Q输出高电平时,VT吸合,继电器K吸合,其触点K闭合,接通间箱电源,而当Q-为高电平(Q为低电平)时,冰箱则不工作。

制作时,变压器用5VA小型电源变压器,Q用1A/50V整流全桥,其余元器件按图注选用。
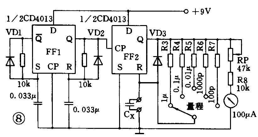
3.模拟式电容容量测量仪
电路如图8所示。FF1接成无稳态电路,提供脉冲信号,FF2接成单稳态电路,其暂稳态时间t\(_{w}\)与R3~R7及被测电容的容量Cx呈线性关系。当R3~R7固定,且电源电压不变时,在FF2的Q端输出的与C\(_{x}\)呈正比的脉冲电压,由直流电流表(100μA)测得其平均值,通过刻度指示出Cx的数值。

制作时,选用100μA表头,在C\(_{x}\)处分别接入100p~lμ的电容,调RP,使表头满偏,并线性刻度表盘。
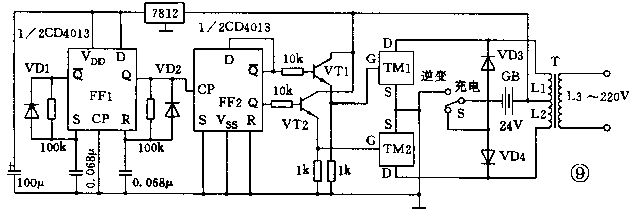
4.逆变电源
电路如图9所示。FF1构成自激多谐振荡器,振荡频率f=100Hz。FF2构成双稳态电路,CP端每有两个脉冲作用,其Q端输出一个脉冲,具有二分频作用。FF2除完成二分频外,更重要的是使输出波形的正、负半周宽度相等。

FF2、Q和Q-输出的相位相反50Hz的方波脉冲,经小功率管VT1和VT2构成的射极跟随器缓冲后,分别作用于VMOS大功率TM1和TM2的栅极,使其交替导通,在升压变压器的初级线L1和L2中有极性相反的电流流过,在次极得到频率为50Hz、有效值为220V的交流电压。
当开关S指向充电位置时,变压器低压侧的交流电经VD3、VD4整流后向蓄电池充电。
为了保证蓄电池电压变化时,逆变电压频率稳定,由7812集成稳压器向前面振荡电路供电。
制作时,VT1、VT2用9013,β≥100,TMl与TM2用TM40N10或TM90N2B大功率管,蓄电池用两只90Ah电瓶串联使用。变压器用42×45mm铁芯,L1、L2用φ2.02mm漆包线分别绕7O匝。L3用φ0.59mm漆包线绕640匝。VD3、VD4用10A/50V 2CZ到整流二极管。TM1、TM2、VD3、VD4要安装散热片。调试时,改变振荡器的两个100k电阻,使振荡频率为100Hz(可用频率计或示波器监视)。另外,变压器T的高压侧可多留几个抽头,以便调节输出电压。
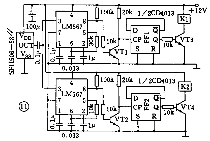
5.双通道遥控开关
发射电路如图10所示。非门D1、D2等构成音频振荡器,当按下SB1和SB2时,产生振荡频率分别为1kHz和3kHz的指令信号,去控制D3、D4构成40kHz载波振荡器,从D4输出已调制的指令信号。经VT驱动后,由红外发光二极管VD发出红外信号。

图11为接收电路。SFH506-38为红外接收头,它将接收到的红外指令信号进行放大和解调,在OUT端得到解调后的指令信号,分别送两个LM567构成的指令解码电路。

当按下SB1时,图11上方LM567的8脚输出低电平,按下SB2时,图11下方的LM567的8脚输出低电平,分别经VT1、VT2反相后去触发D触发器FF1和FF2,FT1和FF2均接成双稳态工作方式,具有记忆功能。FF1和FF2的Q端信号分别经VT3、VT4驱动电磁继电器K1和K2实现开关通断。
制作时,红外接收头也可用BA5302。调试时,按下SB1,调节RP1使K1动作,按下SB2,调节RP2使K2动作,且遥控距离最远即可。(苏长赞 邹殿贵)