(瞿贵荣)本文介绍两种以HS2000系列电话锁电路为核心制作的电话限呼电路,可实现长话和市话分级限拨,对外线呼入及110、119、120等特种电话呼出则无任何影响。
1.HS2000系列简介
HS2000系列是电话锁专用控制厚膜集成电路,采用6脚单列直插式封装,集成度高,体积小,性能稳定,工作可靠,安装和使用极为方便。HS2000系列采用与电话交换机同步识别技术,其独特的智能识别方式,配以匠心独具的控制电路,可对长途电话和市内电话分级限制呼出,而对特种电话的呼出则无任何影响。完全克服了同类产品因设计上的缺陷或误识码而导致的锁不住现象。
HS2000系列有3个品种,HS2001适用于脉冲电话机,HS2002适用于双音频电话机,HS2003适用于脉冲/双音频兼容电话机。其主要技术参数为:线路电压48~60V,脉冲断续比(1.6±1):1,脉冲速率2~20p/s,脉冲串间隔时间大于650ms,双音频断续比为50~104ms:50~104ms,均符合国家有关标准,可用于国内使用的各种电话机。

HS2000系列内部结构见图1,①脚接电话线X2,②脚串入电话机后接电话线X1。③、④脚外接市话限拨开关S1,⑤、⑥脚外接长话限拨开关S2。当S1、S2均断开时,市话、长话均不能呼出;S1合上、S2断开时只禁止长话呼出;S2合上后无呼出限制,如下表所示。电话摘机后,HS2000处于等待检测状态。当按键发号时,它同步于电话交换机对所发号码进行取样,经解调后送入比较器,与预置的控制码进行比较,若属于禁止呼出的号码,复位电路便使线路复位,等待重拨;反之,若属于允许呼出的号码,则HS2000自锁,保持电话线路畅通。预置控制码由外接开关S1、S2设定。
S1 OFF ON 任意
S2 OFF OFF ON
市话 × √ √
长话 × × √
2.应用实例
实际上,图1就是最基本、最简单的应用电路。安装时,将HS2000放在电话机内适当空位,并在外壳上装两个钥匙式控制开关即可。
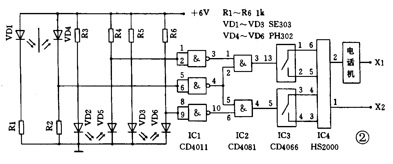
图2是卡式限呼控制电路,共有3组光控电路,VD1、VD4为暗通式,无论拨打市话或长话均需这光;其它两组为亮通式,拨打市话时,VD3、VD6应透光,拨打长话时VD2、VD5应透光。IC1(CD4011)、IC2(CD4081)构成逻辑判断电路,IC3(CD4066)代替机械开关。

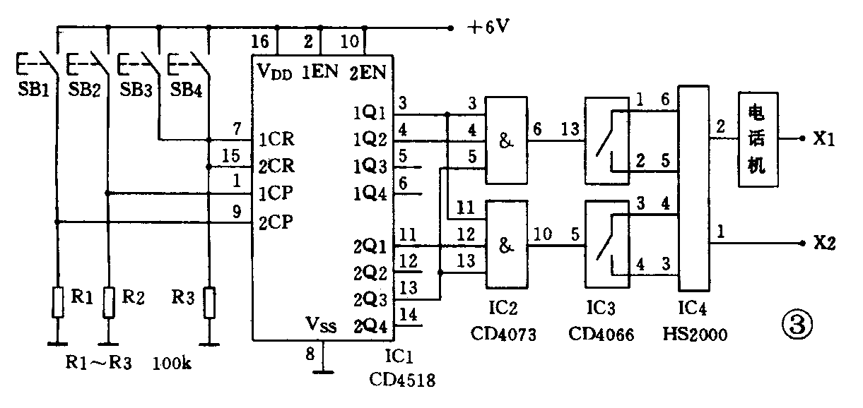
图3为密码锁式限呼电路,SB1、SB2为密码输入开关,IC1(CD4518)为双二-十进制同步计数器,IC2(CD4073)为与门,IC3(CD4066)为模拟电子开关。拨打市话时应按5次SB1、l次SB2(先后次序不限);拨打长话时,应按4次SB1,3次SB2。SB1、SB2按动次数与两个计数器的输出关系可自行分析,更改两个与门与计数输出端接线,便可更改开锁密码。SB3、SB4是伪开关,若在开锁时误按这两个开关,计数器IC1的输出状态将被清零。
