一、模拟电视和数字电视
区分模拟电视和数字电视主要从信号传输形式来确定,若传输信号以模拟形式出现,则该电视系统谓之模拟电视系统,若信道的信息传输采用数字信号,则该电视系统属于数字电视体制。在我国以至在世界绝大多数电视台均以模拟信号为主要的传送载体,所以这类电视系统,谓之模拟电视,所用的电视机也应属于模拟制电视接收机。
90年代,由于数字技术逐渐完善,数字信号处理,特别是图像处理技术有了飞速进展。数字图像压缩、数字调制方法也制定了相应的国际规范标准,例如MPEG-1、MPEG-2、MPEG-4数字信号压缩标准,加上与其协配的调制方式有正交相移键控(QPSK)、多值正交振幅调制MQAM、使用RS编码和格状编码的残留边带调制VSB以及编码正交频分复用COFDM等。
从1996年开始数字电视(标准清晰度720×576、720×480)和数字高清晰度电视(192×1152)(宽屏)、1440×1152(窄屏)均开始在发达国家开始试播,用数字传输经卫星转播的卫视节目日益普及,其信源压缩编码采用MPEG2MP@ML标准,调制方式采用QPSK,从1997年开始我国大部分地方电视台和中央电视台若干套节目均采用数字方式传送卫视节目。数字地面广播和有线电视的信源压缩编码也采用MPEG-2MP@ML标准,高清晰度电视为MP@HL、MP@1440L,调制方式有所差异,有线电视普遍采用M-QAM方式,地面广播美国采用格状编码残留边带VSB形式,欧洲则采用正交频分复用COFDM。鉴于数字电视有很强抗干扰能力,特别在消除重影方面有独到之处,利用数字信息存储、加工、变换可以很方便实现许多数字特技,包括画中画、画外画、画面编辑等等。此外数字电视和模拟电视能实现信道兼容,所以不必担心数字电视强占模拟电视频道,而在同一信道既可传送模拟电视也可传送数字电视。
二、模拟电视数字化进展第一步——功能控制数字化处理
目前彩电均有红外遥控和多制式功能,电视机备有二块主要芯片,即:
用以处理中频、视频信号和行、场小信号扫描的TV处理器;
用以控制全机操作和调试的微处理器系统,一般由微控制器和E2PROM存储器组成。微处理器系统能实施以下基本功能控制;
频道选择、预置、自动搜索、半自动搜索、跳跃、微调;
进行制式识别与切换的控制,其中包括彩色制式(PAL、NTSC、SECAM)、伴音制式(D/K、B/G、I、M和NICAM)以及场频识别50Hz/60Hz;
图像画质的控制:对比度、亮度、色饱和度、鲜明度以及组合画质的控制,如柔和型、标准型、动态型、自选型;
伴音参量控制:音量、高音、低音、平衡,还有重低音、静音、环绕声等;
综合功能控制:待机、定时开关机、睡眠定时、日历功能、无信号蓝屏、TV/AV切换;
屏显示功能:提供屏幕所需菜单显示,包括接收频道制式,调整各模拟量级别,调试菜单、商标与特殊标记(如KONKA,福)等等。
模拟量控制一般采用6位脉宽调制方式,控制量级差分为64级(0~63),31级即处于中心位置,如调整声音平衡通常选在31级,这类控制直接与TV处理器以及其它相关芯片发生关系,如丽音解调解码芯片、亮色分离电路、音频处理电路等等。较早一些TV处理器并不采用I\(^{2}\)C总线,而是每一个量直接连线控制,简称为直接控制,如TDA8361/TDA8362 TV处理器,这类直接控制法引线多,相对故障率较高,一般图像几何校正用手工完成较多,如调节电位器、线圈等等。从1997年起,生产的新型TV处理器和其它相关芯片,均采用I2C总线控制,如三洋TV处理器LA76810、三菱TV处理器OM8838PS、东芝TV处理器TB1238N等,它们采用时分复用的办法,通过SDA数据线和SCL时钟线直接完成各项功能控制,E2PROM主要存放现行所有数据,以保持到下次开机。
采用I\(^{2}\)C总线控制的微处理器系统还完成以下任务:
画面几何失真的校正,包括水平枕形失其校正、垂直枕形失真校正、四角失真校正、梯形失真校正等等。
多制式伴音信号处理的控制,如NICAM与FM切换、单声道和立体声、双语音切换等等。
多制式亮色分离的控制,根据彩电制式识别控制亮色分离电路进行有效亮、色分离控制。
总之,模拟电视数字化的第一步,实施功能控制数字化,从直接控制到I\(^{2}\)C总线控制,目前康佳生产的普及型机如F2l09A、F2109C、F2139N、T2992N、A1488N等均属于这类机型。
三、模拟电视数字化进展第二步——副路信号数字化处理
画中画技术就是在标准电视屏幕上插入一个或多个副画面,以便人们在欣赏主画面电视节目的同时,能在屏幕一角监视其它频道的节目。为了实现画中画,必须对副路信号实施数字化处理,主路信号按原来方式处理,副路接收信号经高放、混频、中放、检波后进入模/数变换电路,开始在机内进行数字化处理。副画面数最多能达到12个,副画面在主画面中的位置,大小尺寸均可改变,副画面还备有冻结功能,并能与主画面切换。鉴于副画面仅用于监视主画面以外的另一频道的节目,所以重视副画面时无必要显示原有副画面的全部图像,可以切去副画面信源四周无关紧要的边缘,一般设置画面覆盖率为80%,这样也有利于减少存储器容量,并放宽存取时间。下一步确定图像水平和垂直方向的压缩比K,以P2993N镜面彩电为例,它采用固定压缩比K=3,即副画面信源图像的标准尺寸宽×高(W×H)各压缩3倍,则选取画面的面积仅为屏幕尺寸的1/9的面积,既不影响主画面观赏,又便于监视另一频道节目。垂直方面的压缩实质上是每K行扫描的内容,仅取其1行用于显示,以PAL-D制为例,正行程扫描行数实际上为576行,则压缩3倍应等于96×2=192;而水平扫描正行程为52μs,水平压缩3倍应为17.3μs。若考虑到80%覆盖率,则正行程实际每帧行数为460行,每场为230行,而每行实际扫描时间取40μs,则压缩后副画面水平扫描时间13.3μs,每场为76行,每帧为76×2行,如图1所示。

经模/数变换后的副画面数字信号存入存储器,要实现副画面的压缩,只需使从副画面读出信息速度高于存储器写入的速度K倍。若取样频率为2.4MHz(K=3为例),则水平方向每隔416ns取样一次,将信号量化存入存储器,再读出时以每隔138ns速度将数字信号从写入存储器中读出,也就是说读出的时钟频率为7.2MHz(2.4MHz×3)重现副画面将在水平方向会压缩1/3。在实际操作时,把副画面每行亮度信号占有400个像素,折算成96个像素,每个像素用作静止图像时以5B量化,活动图像时以4B量化。在垂直方向则采用每三行取样一行的方式进行压缩,这种取样信息量仅为原来的1/3,经取样量化后的数字信号才写入存储器,而从存储器读出时则逐行读出。显然压缩后的副画面水平和垂直分辨率都降低为原标准图像的1/3,但水平分辨率由于取样频率提高而得到改善,加上整个画面面积缩小9倍,即使水平与垂直分辨率均下降3倍,仍可满足人们对画面清晰度的需求。
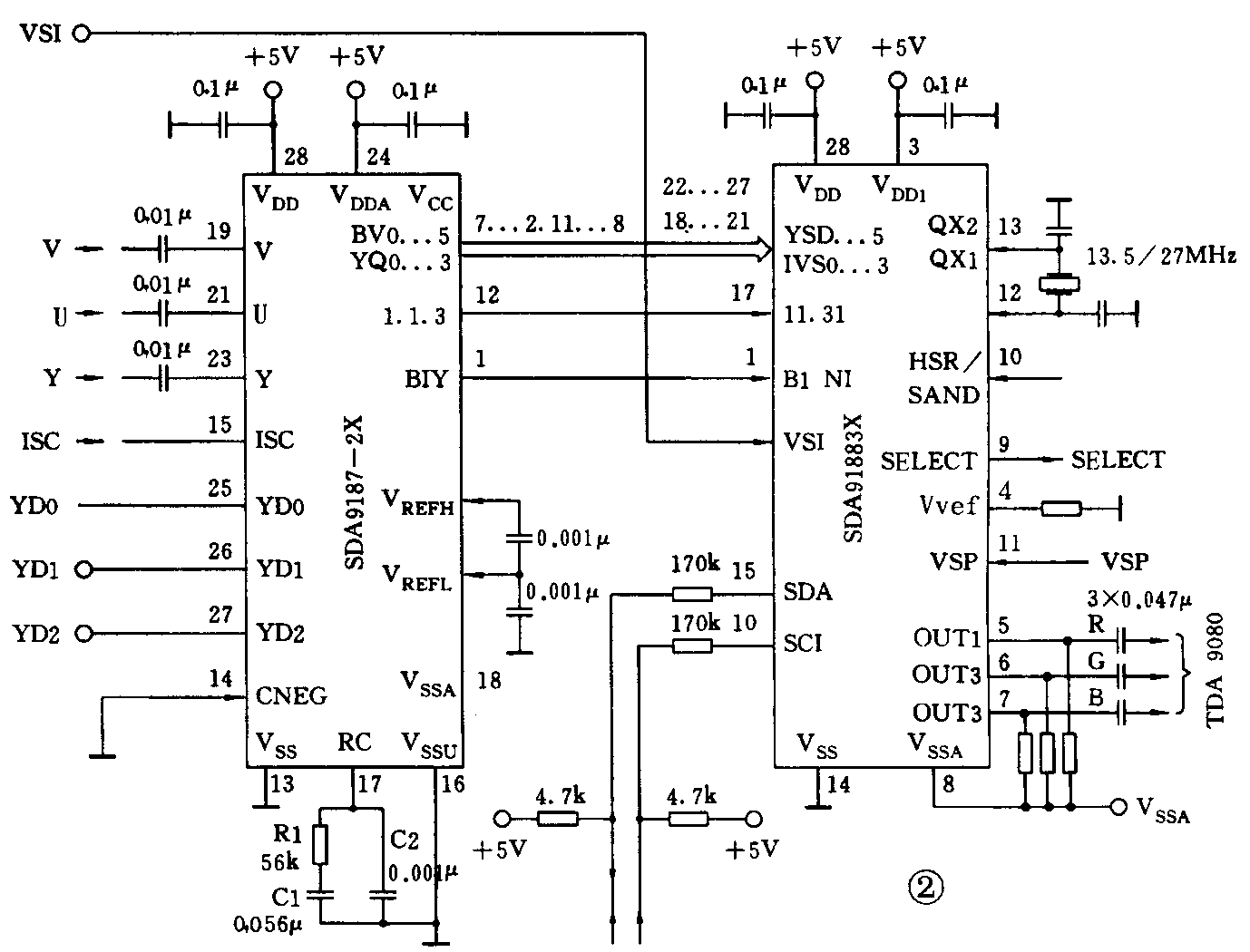
鉴于副画面与主画面不一定均是同一制式,即使是同一制式,而扫描初相也不一定一致,所以副画面信息写入存储器,再由存储器读出必须由不同的同步信号来驱动。副画面写入信息应由副画面信源行、场同步信号来管理;但由存储器读出时,必须与主画面的行、场同步信号来实施控制,方能保证读出过程与主画面信号同步,从而在屏幕上实现主、副画面都是稳定的图像。例如SDA9l87-2X是画中画的A/D变换器,而SDA9l893X是画中画处理器,它备有8种单个副画面显示模式,10种多个副画面显示模式,既适用于4:3屏幕,也适用于16:9屏幕,图2中展示了两种芯片连接成的PIP处理系统。

显而易见,备有副路信号数字处理系统的彩电,在市场上均可称为数码彩电或数字化电视,这是模拟电视实现数字化进展中很有代表意义的一步。在康佳大批设计并生产的画中画彩电中,从T2988P起步到目前艺术电视A2991均采用副路信号数字化处理,实现画中画、画外画、双画面等等多项图形变换功能。实施这一关键技术是信息存储,而模拟信号在这方面很难通过电路来实施存储与加工,因此也就无法显示图形变换各种优异的性能。模拟电视数字化后已体现出数字电视某些优越性。
与此同时,主路电视信号的数字处理电路也有很大发展,如数字钳位、数字Y、C分离、数字化调谐,数字r校正、数字增益调整、数字图像轮廓增强(鲜明度调整)、数字降噪等技术也相继完成,并制成了相应的专用集成电路如TC9090AN/F多制式数字Y/C分离电路,用于鲜明度调整TDA9l77 YUV瞬态增强处理器、TDA4780 RGB视频处理器等等。整个信号处理均在I\(^{2}\)C总线控制下完成,模拟电视接收机又提高到一个新水平上。
四、模拟电视数字化进展第三步——主、副信号均实现数字化处理
现有电视系统均采用隔行扫描使每帧图像分为两场来扫描,从而视频带宽近似降低了一半,而50Hz/60Hz场频虽基本上觉察不出电视画面的大面积闪烁,但隔行扫描仍然越来越不能满足人们的需要,因为其本质缺陷并未克服,其表现为:
每一行出现的频率是25Hz/30Hz,眼睛已能感到某种闪烁,即行间闪烁,不但影响到图像细节清晰度,而且长时间观看电视时人容易疲劳。
当垂直扫描不准确时会出现并行现象,加上视觉观察并行现象,使观看每帧图像的实际扫描行数在减少,也就是说行结构变粗,造成图像质量下降。
当运动物体沿水平方向运动速度足够大时,因隔行扫描使相邻行在时间上相差一场时间被察觉,结果所观看物体的垂直边缘呈锯齿状。
PAL制信号解码时,色度信号中混有逐行倒相的串色分量,从而使显示的亮度逐行有强弱变化,再加上隔行扫描,使人眼察觉有明暗间隔的行结构缓缓上爬现象,低频串色引起大面积爬行,高频串色则引起边缘缓慢爬行。
为了改善隔行扫描所引起的行间闪烁和大面积图像闪烁等缺陷,在数字化进展中必须对主信号实施数字化处理,其主要手段采用场内行插入法和帧内场插入法。简单地讲,为了消除大面积闪烁和行间闪烁的干扰,应提高场频,增加荧光屏每秒显示图像的场数,为了保证扫描行数不变,也应提高行频。以PAL-D制而言,场频从50Hz提升到100Hz,行频从15625Hz提升到31250Hz,从而彻底消除了各种闪烁对画质的影响。对于所增加的行,其相应的每行信号也必须插入,所以当主信号经高放、混频、中放、彩色解码、检波后,进入到画质增强组件(IPQ)实施数字化处理,其第一步进行模/数变换,把模拟分量信号Y、U、V变换成数字分量信号,再分别送入存储、杂波与串色抑制、彩色瞬态特性增强电路等,从而输出倍场(100Hz/120Hz)隔行扫描信号或(50Hz/60Hz)顺序扫描信号。
1.场内行插入法
它是通过在相邻行间插入行来改善画质的一种方法。其插入方法有两种:一种是在A行与相邻B行间插入A行,B行与C行间插入B行,所以仅需使用A、B、C3个行存储器,输入的数字电视信号行周期Ti为读出行周期To的两倍;另一种方法是在A行和B行间插入(A+B)/2行均值信号。前者对静止图像十分有利,后者适用于动态图像。这种场内行插入法仅需使用3个行存储器,成本低,电路简单,有利于改善行间闪烁,但垂直清晰度并未得到提高,为此目前采用帧内场插入法。
2.帧内场插入法
通常有三种场读出的方法,即:
(1)简单场重复法。
图像原始帧分成二场A、B,则读出时每顿分成4场AABB,显然第二个A和B是帧内插入的场,鉴于帧频为25Hz或30Hz,则原始场频为50Hz/60Hz,而内插后,必须提高场频一倍,由原来50Hz/60Hz提到100Hz/120Hz,随着场频提高,行频也相应提升一倍,由原来15625Hz/15734Hz提升到31250Hz/31468Hz。这里是采用一次写入而二次读出。场重复法可以完全消除大面积闪烁现象,但对于消除行间闪烁特别是垂直边缘锯齿状影响尚不够明显。
(2)降低行间闪烁法(LFR)
它同样把写入的信源帧A、B二场,读出时分解成AA′BB′4场,也就是说读出的场频、行频均提升一倍,但A′≠A、B′≠B,即内插A′、B′两场并非是原场的简单重复,其中间过渡场根据原场A、B信息重新计算获得,一种简单考虑是A′=(A+B)/2,而B′=(B+C)/2而得到,实际组成情况由各芯片制造厂家确定。康佳T3898、T3498采用了LFR模式来实现倍场扫描。
事实上,在实际操作时还有二种模式:一种是用于静止画面,静图模式(STP),它控制模式为AAAA简单场控制模或AA′AA′全帧中间过渡模。另一种谓之电影模式(CINE),其控制模式为ABAB,这种模式适用于单副画面的情况,而不适用于多副画(Multi-PIP)以及静止图像。在单副画面情况下十分有效地抑制了各种闪烁。康佳A2991镜面艺术电视采用CINE模来显示图像。
(3)顺序扫描模式(逐行扫描)
把信源隔行扫描A、B二场信号写入到帧存储器后,重新组合成完整的一帧图像C输出。例如A场第1行A1和B场第1行B1合成为一帧图像C的1、2行即C1、C2,以此类推,并使播出频率提高一倍,这样信源帧频由25Hz/30Hz提升为输出帧频50Hz/60Hz,该模式同样有效地消除了各种闪烁。特别对于行数较少的525行NTSC-M制而言,采用逐行扫描后不再会看到行间结构形式,但采用倍场隔行扫描,则行间结构却一目了然地观察到。为此倍场隔行扫描更适用于625行扫描方式,而逐行扫描较适合于525行的电视制式。
飞利浦(Philips)公司于1995年底推出了MK4-V3增强画质组件,它由18块集成电路、13个晶体管、12个晶体二极管及其它元件组装在单一印制电路板上,其突出的功能有:
采用倍场方式,消除屏幕行间闪烁和大面积闪烁,所采用芯片有后端处理器SAA7158、A/D变换器TDA8755、帧存储器TMS4C2970等。
内设亮度信号峰化电路,提升亮度信号的高频分量,从而提高图像清晰度,所采用芯片为SAA7158。
色差信号瞬态特性改善电路、鉴于色差信号带宽远窄于亮度信号,因此当传送一个前沿很陡的电视信号时,色差信号前沿的过渡时间较长,导致屏幕上图像边沿彩色较模糊,所以在SAA7158中设置了色差信号瞬态特性改善电路,大大缩短过渡时间,从而达到改善彩色画质。
消除杂波和串色,本组件还装有SAA4940芯片,它由递推滤波器构成的自适应数字降噪器组成,并利用相邻两帧电视图像的相关性和杂波出现随机性来判别电视画面上的杂波,从而达到提高画质的功能。
MK4-V3 IPQ组件有3个锁相环,第一个取样锁相环,它提供13.5MHz的行锁定时钟频率,其中心频率由微处理器P83C652FBA控制;第二个是扫描锁相环,它采用27MHz时钟信号去驱动扫描处理器TDA9151;第三个是显示锁相环,它产生32MHz或36MHz时钟信号,用于显示控制,图3中展示了MK4-V3IPQ组件的框图,图中VC01是取样环中压控振荡器,VCO2是显示环的压控振荡器,VC02B是扫描环的压控振荡器。

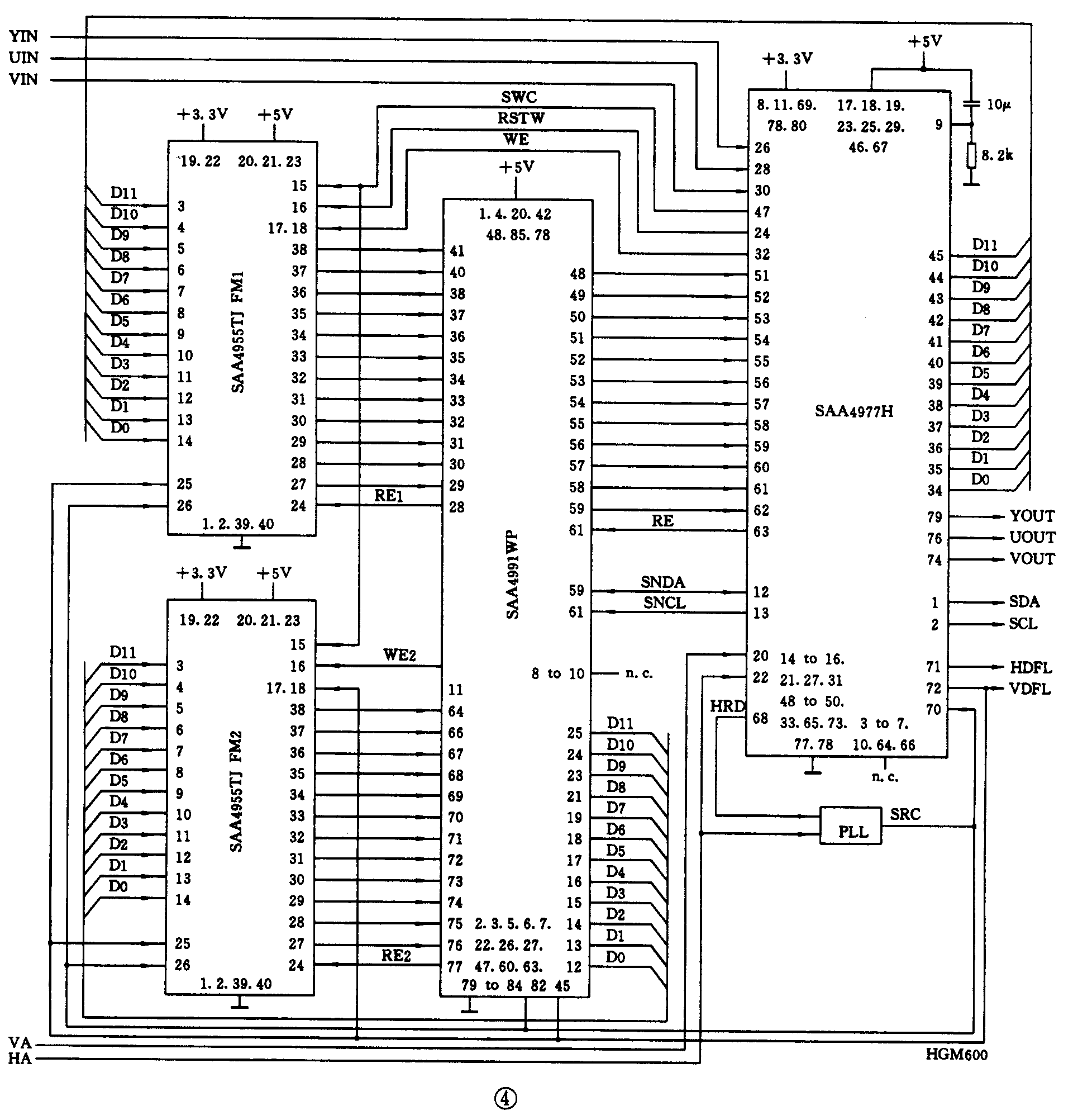
1998年初飞利浦公司又推出了新一代IPQ组件MK9.4,它主要由视频处理器SAA4977H、信号处理器SAA499lWP和两个内存达2.9M的场存储器(SAA4955TJ或降噪场存储器SAA4956TJ)组成,其简化图如图4所示。输入模拟信号Y、U、V由TV输入处理器TDA9320提供加到视频处理器SAA4977H,经内部钳位、预滤波、模/数变换后,再重新调整U、V和Y的相位,把原有4:4:4色度格式经下取样后变换4:1:1格式,这样变革的依据U、V的带宽远小于Y的带宽,并且十分有利于压缩信息进行存储和变换,随后亮度数码用8位并行传送,色差数码用4位并行传送,它们经SAA4977H的~DO~ D11加到SAA4955TJ或SAA4956TJ,后者有降噪功能,根据用户指令通过I\(^{2}\)C总线来控制其输出的数据率。随后由FM1存储器SAA4955TJ输出加到信号处理器SAA4991WP,以便实现信场、顺序扫描、图像其它变换等,经处理后信号再次进入另一个场存储器FM2SAA4955TJ,随后又返回到视频处理器。SAA4977H的~3(Y17~Y10、UV17~UV14)进入内部Y延时、Y峰化等电路,并通过上取样,使4:1:1又转换成4:4:4的格式,随后完成数模变换,由该芯片123分别输出V、U、Y模拟信号,再传送到TV显示处理器TDA9332H。MK9.4与MK4-V3相比电路相当简化,外部元器件也相应减少,用于输出缓冲放大的晶体管仅有6只(BC846),显示PLL只用一只缓冲管BF550及少量辅助电路,它们在功能上更加成熟,集成度更加提高,功能变换上更加丰富,例如增加运动补偿电路,并有利于与PC机VGA等适配卡协调工作。

随着科技进展,深信在不远的将来IPQ组件与TV处理器会合并成二块集成电路,即前端TV输入处理器和后端TV显示处理器,从而使主信号数字化能普及到一般彩电中应用。另一方面扩展PIP模块功能,使其能完成各种图像特技处理,除已有的画中画、画外画、双画面外,实现图像放大和位移,图像连续切变,图像绕不同轴旋转以及各类拼图等编辑功能,并可完全接驳PC机各种适配卡VGA、TVGA、SVGA,使模拟电视产生第三次质的飞跃。
五、彩电发展的新动态
1.显示器件的变革
目前彩电主体显示器件采用显像管,它具有高分辨率、高亮度和高对比度,完全满足用户的需要。显像管由球面管升为平面管,又升为超平管,从1998年开始已推出镜面或称为纯平显像管,使视觉范围更大,分辨率更高,若配置数码自然动感(DNM)技术,数码晶晰技术(DCC),以及双扫描倍场技术,使彩电画质更上一个档次。目前生产的镜面显像管的特点体现在:
(l)鉴于其完全平面,加上屏幕有很高的透射率(77.5%),不单取得高亮度,而且可获得均匀分布的亮度平面,观众无论从正面或较大偏角观看时,不会感觉畸变,扩大了整个视野。
(2)采用超色素沉积的荧光质和三色微型滤光膜屏,使图像对比度提高了15%,并使色域也加宽15%,导致画面能显示更丰富色彩,图像更清晰逼真。
(3)采用超快热阴极,缩短光屏增辉时间。
(4)采用Hi-LB-DF扩展透气高聚焦电子枪,并在电路中配置动态聚焦与静态聚焦相结合的形式,使任何位置扫描线不但聚得更细,而且更加均匀一致,有利于改善整个光屏的画质。
2.加强专用集成电路的集成度,扩大数字视频效用(DVE)的范围
若把画中画IPQ组件等功能,分成前端和后端两块TV处理器芯片,则大多数普及型彩电即可提升一二个档次,使用户可买到性能高价格低的电视机。数字视频效用DVE技术是在帧同步器的基础上发展起来的,原先用于电视演播室,能实现图像连续放大、缩小、移位、分裂、绕不同轴旋转,例如与画面垂直的Z轴,与画面宽边平行的X轴,与画面窄边平行的Y轴,以及其综合应用,从一线进展到二维、三维。也就是说采用DVE使图像进行几何变换,加深视觉的景深感和实际需求,同时也方便用户进行自我编辑观赏的节目。随着专用集成电路水平进展,这类新型技术中一部分也会应用到电视接收机中,从而使用户可实现部分编辑功能。
数字电视,特别是高清晰度数字电视推广与普及必然会对模拟电视带来很大冲击,目前卫星转发数字电视已在我国相当普遍,几乎所有的地方省级台和中央电视台的几套节目均采用了MPEG-2数字压缩标准和QPSK正交相移键控调制方式来传送各自节目信号。数字电视在发展中采用了信道兼容的办法,使同一频道同时可传送模拟和数字两种信号,而相互不受到干扰,为此模拟电视和数字电视还会有相当长一段共存局面,即使出现数字电视取代模拟电视的局面,而目前所使用模拟电视接收机仍然可以正常运用,而仅需增加相应的机顶盒即可得到圆满的解决。电视与通信融合,电视与其它行业融合势在必行,只有把握住各种动向才能有效地发展电视事业。(古少中 张传轮)