这次无线电小组的活动是制作简单的稳压电源(图1),同学们经过组装、调试,全部达到了预定的要求。围绕稳压电路,大家提出了许多问题,和老师一起进行了讨论。

同学:交流电经过整流和滤波可以得到比较平滑的直流电,为什么还要进行稳压呢?
老师:整流、滤波电路虽然能把变压器副边的交流电变换成波形平滑的直流电,却不能保证负载上直流输出电压的稳定。首先,电网电压有±10%的波动,经过整流、滤波后,输出电压也要跟着发生±10%的变动;其次,负载电流大小发生变化,变压器副边有内阻也会直接引起输出电压的变动。
同学:这一点我有体会。上次我在调试整流、滤波电路时发现:不带负载时,用万用电表测量直流输出电压是7V;接上收音机后再去测量,电压就降到了6V。
老师:对。特别是采用电容滤波的电路这种现象更加突出。
同学:稳压管既然是一种具有稳压作用的二极管,能不能用它组成稳压电路呢?
老师:利用稳压管可以组成最简单的稳压电路(图2)。把负载R\(_{L}\)跟稳压管并联,由于稳压管两端的电压是稳定不变的,负载也就得到了稳定的直流电压。

同学:稳压管工作时为什么必须外加反向电压呢?
老师:稳压管是一种特殊的二极管,当外加反向电压使它进入击穿状态时,只要在电路上采取措施限制通过它的反向电流,管子就不会损坏。十分可贵的是,稳压管在击穿状态下,通过管子的电流在一定的范围内变化时,管子两端的电压可以保持基本不变。稳压管的击穿电压值就是它的稳定电压值。
同学:怎么限制通过稳压管的稳定电流呢?
老师:需要注意,稳压管都必须串联一个限流电阻R(参见图2),以保证通过稳压管的电流不超过允许的最大稳定电流值。另一方面,限流电阻R在稳压电路中还起着电压调整作用。假定电网电压升高,来自整流滤波电路的直流电压U\(_{1}\)也随着升高,引起负载两端电压UL升高。由于稳压管是与负载并联的,U\(_{L}\)只要增大一点点,就会使流过稳压管的电流ID有较大的增加,因为I=I\(_{D}\)+IL,I也跟着增大,限流电阻R上的电压降相应增大,把U\(_{I}\)的增加量由R承担下来,保持UL稳定不变。如果电网电压不变,负载电流I\(_{L}\)增大了,也要通过稳压管和限流电阻的巧妙配合稳定输出电压。现在请你分析一下。
同学:我说说试试。如果负载电流I\(_{L}\)增大了,因为I=ID+I\(_{L}\),流过限流电阻R的电流随着增加,R上的电压将相应变大, UI=IR+U\(_{L}\),UI不变,U\(_{L}\)就要减小。可是,UL又是稳压管两端的电压,U\(_{L}\)下降就会使流过稳压管的电流ID明显减小,I\(_{D}\)的减小,又把R上的电压降拉了下来,保持输出电压UL稳定不变。
老师:你的分析很正确。现在你已经知道稳压管在稳压电路扮演什么样的角色了吧?
同学:我是这么理解的,不论是由于电网电压的波动还是负载电流的变化,都会及时反映在稳压管稳定电流I\(_{D}\)的改变上,通过它去调整限流电阻R上的电压降来稳定输出电压UL。
老师:对,这就是稳压管稳压电路的稳压原理。需要进一步指出,这种稳压电路虽然简单,稳压效果也比较好,但是稳压作用是靠稳压管稳定电流I\(_{D}\)的变化来实现的,一般小功率稳压管的稳定电流变化范围仅为几毫安到几十毫安,所以负载电流受到很大的局限。这种稳压电路只适用于做小功率的标准电源或电路中的电压基准元件。实用的稳压电源还要采用由三极管作调整元件的串联型稳压电路。
同学:今天我们制作的稳压电路(图1)为什么叫串联稳压电路呢?
老师:好,先说说串联稳压的电路原理吧。用一个可变电阻R与负载R\(_{L}\)串联(图3a),当输入的电压UI增加时,把R的阻值调大,用它把U\(_{I}\)的增加量承担下来,保持输出电压UL不变;若U\(_{I}\)不变,负载电流IL增大,这时相应减小R的阻值,使R上的电压降不变,就能维持输出电压的稳定。由于在电路中作为调整元件的R是跟负载串联的,所以叫它“串联稳压”。在实际稳压电路中是用三极管代替可变电阻(图3b),我们称它为“调整管”。

同学:三极管为什么能代替可变电阻呢?
老师:大家知道,三极管的基极电流I\(_{b}\)能够控制集电极电流Ic,I\(_{c}\)=βIb。基极电流I\(_{b}\)增大时,Ic随之增大,相当于c、e之间的电阻R\(_{ce}\)变小;Ib减小时, I\(_{c}\)随之减小,相当于c、e之间的电阻Rce变大。显然,改变I\(_{b}\)就能改变Rce,使管压降U\(_{ce}\)发生变化,起到了可变电阻的作用。
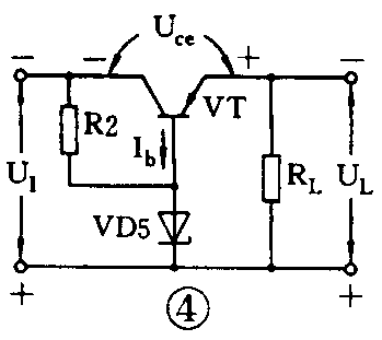
同学:老师,您再给我们讲讲三极管串联稳压电路(图4)的工作原理吧。

老师:要了解三极管串联稳压电路的工作原理,关键是抓住输出电压U\(_{L}\)发生变化时怎样去控制调整管VT的基极电流Ib,从而调节管压降U\(_{ce}\),通过它来稳定输出电压UL。在电路中,电阻R2和稳压管VD5组成的稳压电路,产生一个基准电压U\(_{Z}\)作为调整管的基极电压Ub,输出电压U\(_{L}\)就是调整管的发射极电压Ue,于是调整管VT的输入电压为
U\(_{be}\)=Ub-U\(_{e}\)=UZ-U\(_{L}\)
这里,U\(_{Z}\)是稳定不变的,输出电压UL的任何变化都会引起调整管输入电压U\(_{be}\)发生变化。假如UL变小,则U\(_{be}\)变大,Ib随之变大,使R\(_{ce}\)变小,Uce减小,使输出电压U\(_{L}\)保持不变。其它情况同学们可以自己分析。
同学:稳压电源输出的直流电压能不能保持绝对不变呢?
老师:任何一种稳压电源稳定都只能是相对的,不稳定则是绝对的。串联型稳压电路只能做到输出电压基本不变,因为调整作用(U\(_{ce}\)的变化)是靠输出电压UL与基准电压U\(_{Z}\)的静态差值来维持的。如果输出电压UL绝对不变,那么调整管的调整作用就无法维持,输出电压也就不可能进行自动调节,稳压作用也就不复存在了。
同学:既然电压稳定是相对的,怎样才能进一步提高稳压电源的稳压精度呢?
老师:提高稳压电源的稳压精度,关键是输出电压U\(_{L}\)发生微小的变化时,调整管就能立即作出反映,及时进行调整。所以,典型的串联型稳压电路(图5)设置了一个放大环节,它把输出电压UL的变化量通过分压电阻R1、R2取出一部分,与基准电压U\(_{Z}\)进行比较,它们的差值作为放大管VT1的输入信号,给VT1放大后再去控制调整管VT2,稳压电路的稳定度(稳压精度)就可以达到较高的程度了。

同学:这种带有放大环节的稳压电路比较复杂一些,怎么去分析这种电路呢?
老师:典型的三极管串联型稳压电路不管看起来多复杂,都包括四个主要环节,可以用一个方框图来表示(图6)。其中VT2是与负载串联的调整管,构成调整环节;稳压管U\(_{Z}\)提供基准电压,称为基准环节;R1、R2构成的电阻分压器,取出输出电压UL的一部分,形成取样环节;将取样电压与基准电压进行比较后送入VT1放大,所以由VT1组成的三角形是比较放大环节。有些稳压电源还包括保护环节,在输出发生过载和短路时,保护环节能及时切断电源输出,避免电源电路发生过热而损坏。

同学:市场上出售多种型号的三端集成稳压器,能用它作稳压电源吗?
老师:这几年,稳压电路也逐渐集成化了,三端集成稳压器已经取代了大部分分立元件稳压电路,应用非常广泛。下一次活动主要是三端集成稳压电路的实验制作。(宋东生)