本文介绍的演示器在物理教学中可以使学生直观、形象地了解:(1)简谐横波的产生过程和传播过程;(2)介质质点振动的周期与波的传播周期相同;(3)介质质点振动方向与波的传播方向垂直。此外,可以观察波的任意细节和慢动作。
电路工作原理
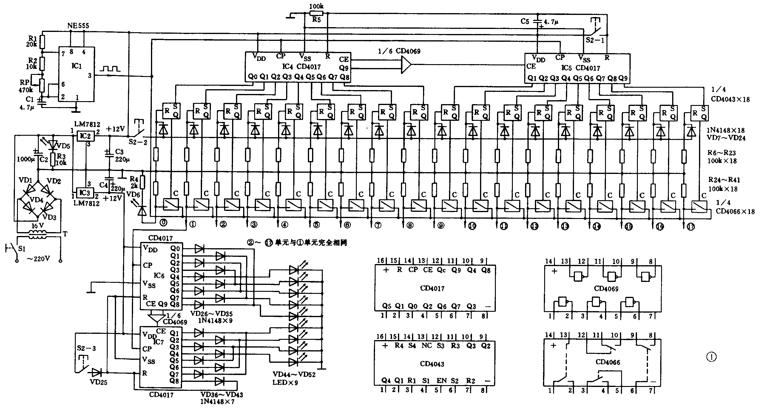
电路工作原理见图1。整个电路可分为电源电路、时钟脉冲振荡器电路、水平扫描单元电路、垂直扫描单元电路和发光显示电路五部分。其方框图见图2。


1.电源电路:220V交流市电经变压器降为16V,通过桥式整流、电容滤波后送到三端集成稳压器LM7812,分两组输出12V稳定电压,一组供给振荡单元和水平扫描单元,另一组供给垂直扫描和显示单元。
2.时钟脉冲振荡器:以时基集成电路NE555为核心,组成时钟脉冲振荡器,通过调节470k电位器,在NE555的③脚输出周期可调的连续方波脉冲,脉冲周期设定为0.1~3s。输出的方波脉冲一是送往水平扫描单元作为触发信号,触发水平扫描电路,使其输出17路扫描信号;二是送往垂直扫描单元,去触发垂直扫描,使发光二极管轮番导通发光。
3.水平扫描单元电路:由两块CD4017组联,配合由5块CD4043和5块CD4066组成的开关电路完成水平扫描工作。CD4017为十进制计数/分频器。当电源开关S1接通瞬间,通过RC复位电路,使IC4和IC5处于清零复位状态,此时IC4的Q0输出高电平,而Q1~Q9输出低电平。Q9输出的低电平使IC4的CE端为低电平,IC4允许计数,通过1/6CD4069反相器,使IC5的CE端为高电平,将IC5锁定,输入的时钟脉冲不能使它触发计数。当时钟脉冲输入IC4时,每输入一个脉冲,Q1~Q9依次导通,输出高电平,输入脉冲的个数与导通端一一对应。输入第1个脉冲时,Q1输出高电平,输入第2个脉冲时,Q2输出高电平,……输入第8个脉冲时,Q8导通。IC4共9个输出。当输入第9个脉冲时,Q9输出高电平,IC4的CE端为正,IC4锁定不能计数。通过反相器CD4069使IC5的CE端为低电平,IC5开始计数。当脉冲输入时,IC5的Q1~Q9依次出现高电平,表示的脉冲个数为第9个至第17个。IC4的Q1~Q8,IC5的Q1~Q9共17个输出端,每个输出端都接1/4 CD4043的 S端。CD4043为四重RS锁存触发器,当S端为低电平时, Q端为低电平;当S端输入一个高电平时,Q端将一直保持高电平输出,只有在R瑞输入高电平,才能使Q端为低电平。CD4066为四重双向转换开关。当C端为高电平时,开关导通;C端为低电平时,开关不导通。CD4017的输出使1/4 CD4043输出高电平,也使 1/4CD4066的C端为高电平,导通的1/4CD4066把时钟脉冲输入到垂直发光单元,这样,垂直扫描发光单元将在时钟脉冲作用下有规则地依次发光。每个RS锁存触发器的R端都接有由1N4148和100k电阻组成的手动复位电路。按下S2-2时,R端为高电平,Q端输出低电平,CD4066的开关断开,时钟脉冲不能输入到垂直发光单元。S2-1、S2-2、S2-3为联动复位按钮。1/4 CD4043和1/4CD4066组成的开关单元电路共17路,对应着IC4的Q1~Q8和IC5的Q1~Q9共17个输出端。这17个输出端在时钟脉冲作用下,间隔相等时间输出高电平,将使17路开关电路间隔相等时间依次导通并保持,使时钟脉冲间隔相等时间先后送到垂直扫描电路。
4.垂直扫描及显示电路:两片CD4017及1/6 CD4069构成一个垂直扫描单元电路,这样相互独立的17路单元电路及9×17只高亮度红发光二极管构成了整个垂直扫描及显示电路。为防止各个输出相互影响,在输出端都加接隔离二极管。每单元的9只发光二极管排成一竖行,见图3。箭头表示发光管轮番发光的次序,当第一发光单元从1开始到16完成一次上下、下上的全振动时,水平扫描将完成①~的扫描。电源开关S1接通后,发光管的发光是无序的,按下S2,绿色发光管VD6一闪一闪发光,表示振源开始振动,17路发光二极管都复位,在平衡位置处发光,见图4。放开S2后,水平扫描单元开始工作,IC4的Q1~Q8和IC5的 Q1~Q9依次输出高电平,触发开关电路并保持,使时钟脉冲输入到垂直扫描电路,第一路发光单元光点开始移动,第二路光点移动将比第一路迟一个脉冲周期。第三路光点移动比第二路又迟一个脉冲周期,而比第一路就迟二个脉冲周期。从放开S2时计数,若共输入4个脉冲,①~④路开关导通并保持,第一路光点移动4次,第二路光点移动3次,……,显示见图5。若共输入16个脉冲,①~路导通并保持,则显示见图6。若并输入20个脉冲,则显示见图7。

17×9只发光二极管在时钟脉冲指挥下,按设定程序有规律地发光,在显示板上出现17个光点有规律地移动,展现出波的产生和传播的动态画面。若再次按动一次S2,则电路复位,将再一次开始显示波的产生和传播的全过程。
元器件选择
本演示器使用集成电路较多,十进制计数/分频器CD4017计36片,六反相器CD4069用3片,四重RS锁存触发器CD4043用5片,四重双向转换开关CD4066用5片,NE555用1片。为加强教室演示效果,所有发光二极管9×17只都用直径5mm高亮度红色发光二极管。隔离二极管选用1N4148,复位按钮用录音机开关改制,把自锁去掉即可。VD1~VD4选用1N4004,变压器可用旧14英寸电视机电源变压器,也可用其它相同规格的变压器。
安装与使用
所有集成块都使用插座,以防止在焊接过程中损坏,也便于随时换去有质量问题的集成块。实验电路板分3块制作,第1块安装电源电路和振荡器电路,第2块安装水平扫描电路,第3块安装垂直扫描电路,显示面板上有9×17只发光二极管,面板安排数据见图8。只要焊接无误,无需调整就能成功。

若发光管水平排列,即可演示纵波的产生和传播。为节约制作成本,CD4017可免去级联,末级显示用5×9只发光二极管,这样电路将大大简化,但演示效果欠佳,连续性不好。(陈居让)