一、EL简述
电激发光片简称EL灯,英文为ELECTRO-LUMINESCENT LIGHTING,它由背面电极层、绝缘层、发光层、透明电极层和表面保护膜组成,它利用发光材料在电场的作用下产生光的现象,将电能转换为光能。EL灯具有厚度薄、能被制成多种图形和字符形状、低功耗、低成本、体积小和冷光源等优点。因此,其静态图片广泛地应用在诸如电子紧急信息灯,夜光显示等广告业和仪器、仪表行业的背光源,具有广阔的发展前景。
二、EL的特点
图1为某厂家EL灯的亮度、电压和频率的关系曲线图,由图可知,EL灯的发光亮度随两电极上的电压升高而增大,但电压大到一定数值后,亮度趋于饱和;发光亮度随频率的增加而增加,但从实际使用结果来看,虽然加于电极两端的频率越高,亮度也大大提高,却会其使用寿命大为降低。因此,一般厂家都选择V=60~240V(最佳100~150V),f=50Hz~1kHz(理想400~600Hz)的范围,以求达到EL灯的最佳使用效果。

EL灯的驱动电源为交流或脉冲电压,对于低压直流电,采用逆变器将低压直流转变为脉冲高电压驱动EL片发光,也可采用HV8XX系列和SP44XX系列等专用IC驱动芯片组成的驱动电路进行驱动。本文介绍一种采用逆变器驱动EL片的驱动器来说明EL片的驱动原理。
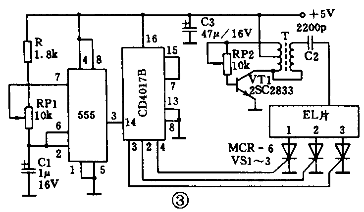
三、风扇图案EL灯驱动电路
风扇图案EL发光片具有4个电极(图2),其中一个为公共电极,其余3个电极各控制一个风扇叶片发光,在公共电极和3个电极中的任一个电极上加上交流或脉冲电压,则对应的EL灯部分即发出柔和的绿光,为了达到能够形成具有动感的发光显示效果,制作成美丽的工艺品,笔者采用图3电路组成EL灯的动态驱动控制器。

图3中晶体管VT1和升压振荡变压器T组成逆变器电路,该电路将直流5V电压升压至f=1kHz,Vrms=120V左右的脉冲电压,用于驱动EL片发光,时基电路555组成多谐振荡器,③脚输出作为计数器CD4017B的时钟信号,通过调整RP1可改变CD4017B的时钟信号频率,也就是相应改变风扇EL片风叶转动的快慢。

CD4017B是十进制计数器,有10个全译码输出端,脚为高电平复位计数端,通过对由555多谐振荡器产生的时钟脉冲计数,③、②、④脚轮流输出高电平,此输出高电平去触发晶闸管VS1~VS3,使其轮流导通,控制对应的EL灯电极,使相应的风扇EL片风叶发光,从而形成具有动感的图画,使人产生犹如电风扇转动的感觉。合理地选择晶闸管的轮流导通速度,即形成流畅的风扇转动图案。
本电路中,CD4017B有10路计数输出端,现仅用了3路,对于多路动态EL灯可进行扩展,从而组成非常美妙的动态图画。(罗志君)