长期搞修理的同志都知道,在修理彩电时,往往需要一个特定的彩色电视图形信号源,才能对某些故障进行排除和精确的调整,这对认识彩电故障、机理分析及排除故障有很大的帮助,对故障部位能准确、快速地判断和检修。尤其在彩电很普及、修理行业竞争激烈的今天,要做到科学修理、规范修理、文明修理、快速修理,电视图形信号发生器是必备的测试仪器。难怪各彩电生产厂家要求各地特约维修单位必须具备有彩色电视信号发生器,正是由于这种考虑,这里简要介绍一下HG-9612A彩色电视图形发生器的特点及原理。
HG-9612A彩色电视发生器中的基准振荡、分频、图形合成、开关切换均采用CMOS数字集成电路,尤其是所必需的PAL制彩色电视编码器,选用了单片集成电路,使原来很复杂的彩色图形发生器原理电路变得简洁明了,且成本低、性能稳定,参数符合标准,并且装配技术难度低。很适合爱好者自制和无线电职业学校学生及彩电培训班学员学习组装,还可对彩色电视编码过程有较深刻的直观认识。由于全采用数字集成电路,只要选用正品元件装配准确,不用调整即可正常工作。
特点
HG-9612A彩色电视图形信号发生器能产生最常用的棋盘、黑底白方格、黑底白点、三基色、三补色、标准彩条、复合彩条(屏幕上部彩条下部红色)11种图形和单色信号。在信号输出方面,因现在生产的彩电为了提高画质,纷纷增设S-VIDEO信号输入接口(简称“S端子”),为了适应这类彩电维修需要,此图形发生器的信号输出除具备两路视频输出外,还增设了“S”信号输出接口。同时还有一路“R、G、B”分量信号输出,以适应具备有“R、G、B”分量信号输入接口的游戏机显示器、5.5英寸彩显、液晶彩显等显示设备的维修。各地各级电视台、有线台数量猛增,已不存在昔日无台可收而无法修理的问题,所以此信号发生器不采用全频道射频输出,而是采用一路固定U道射频输出。在伴音方面,来自分频电路650Hz方波信号作为信号源,但也可外接其它音频信号。
HG-9612A彩色电视图形信号发生器采用8挡轻触键互锁开关与电路板中电子模拟开关配合完成各图形的切换,所以整机体积小、重量轻、携带方便,是家电维修部门及爱好者理想的测试信号源。由于信号发生器全采用数字电路,其基准时钟频率为10MHz,在分频计数过程中所产生的各图形和行场同步信号是很标准和稳定的。再加之采用性能很好的视频编码集成电路,因此电视图形发生器还可用于电视台、有线电视台播前的信号源。
电路原理
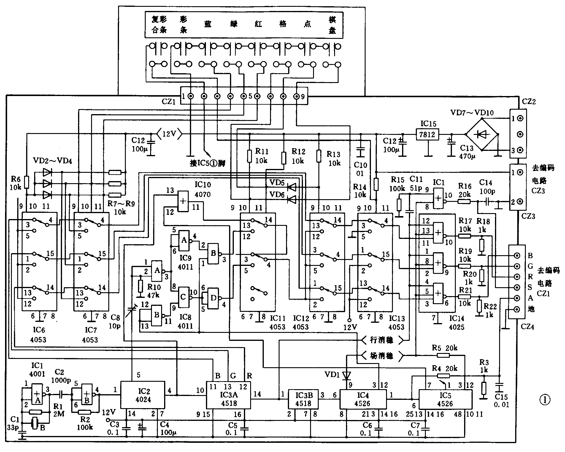
HG-9612A彩色电视图形信号发生器由两部分组成。图1和图2分别为图形产生、同步发生器部分和P/N制视频编码器部分电路原理图。


1.基准振荡、分频过程及图形脉冲的产生
从图1可看出,IC1是含有4个独立的2输入端或非门电路。A、B两门接成非门电路,并使其工作在线性状态。A门组成CMOS晶体振荡电路,其10MHz的振荡频率是整个图形发生器的基准时钟频率。它通过C2耦合到B门进行线性放大,然后送入IC2 CP端①脚。IC2是7位二进制串行计数器分频器集成块,它将10MHz基准时钟频率进行64分频,从④脚输出 10MHz÷64=156.25kHz的方波信号,这156.25kHz的方波又可用作为棋盘图像中的竖条信号。⑤脚输出的315.5kHz方波信号,用作方格图像中的竖格信号。IC2④脚输出的156.25kHz方波信号再送入IC3A⑩脚进行10分频,在其可输出15.625kHz、且脉冲宽度符合要求的行消隐信号。IC3是二-十进制同步加法计数器,在10分频过程中,其、、脚分别输 出R、G、B彩条方波信号。
15.625kHz的行消隐信号再经IC3 B的2分频、IC4的12分频和IC5的13分频,总共可得到312分频,在IC5脚输出15.625kHz÷312=50Hz的场消隐信号,这个场消隐信号经R5和IC4⑨脚所接的VD1组成“与门”电路,其接点可输出场同步信号。在这分频过程中,IC4脚输出650Hz、且脉宽很窄的方波,是用作方格图像中的横格信号。其①脚输出等幅伴音信号。IC5⑦脚输出的300Hz方波,是用作棋盘图像中的横条信号,其①脚输出对称的50Hz方波用作复合彩条的调制脉冲。其有关波形参看图3。

2.含复合消隐的R、G、B彩条方波及复合同步信号的形成
图1电路中,从IC3A、、脚分别输出的R、G、B彩条方波信号经IC6、IC7、IC12、IC13组成的电子模拟开关切换电路送入IC14。IC14内有3个独立的3输入端或非门电路,其R、G、B方波信号分别送入IC14 3个或非门输入端其中的一个脚,3个或非门输入端另外两个脚分别送入行、场消隐信号,通过IC14“或非”逻辑关系,在其3个输出端分别输出含有复合消隐的R、G、B、彩条方波信号。行消隐信号通过C11和R15组成的微分电路,可得到脉宽合适的行同步信号,与场同步信号一起分别送入IC1 C门⑧、⑨输入脚,通过“或非”逻辑关系,在其⑩脚输出已合成的复合同步信号。输出端所接的R6、C14,主要用于微调行同步相位。为了与编码输入阻抗及信号幅度要求相匹配,含有复合消隐的R、G、B分量信号,分别经R17、R18、R19、R20、R21、R22分压后,与IC1 C门⑩脚输出的复合同步信号及IC4①脚输出的伴音信号一起通过CZ4送到视频编码器中去。
3.棋盘、黑底白格及黑底白点信号的产生
(1)IC10是含有4个独立的2输入端异或门集成电路,这里只用了一个门。在其输入端、脚分别输入来自IC2④脚输出的竖条方波信号,和来自IC5⑦脚输出的横条方波信号,根据“异或”逻辑关系,在其脚就可输出棋盘图像信号。
(2)IC8是含有4个独立的2输入端的与非门电路。由IC2⑤脚输出的312.5kHz方波信号经C8、R10组成的微分电路,产生脉宽很窄的竖格信号,通过A门倒相送入C门⑧脚输入端。同样由IC4脚输出的横格信号也通过其B门倒相送到C门另一输人端⑨脚,根据“与非”逻辑关系及再经D门倒相,在其输出端④脚就可获得黑底白方格的信号。C8容量大小,决定竖格的宽窄。
(3)点信号是由竖格、横格信号产生。由IC8A门③脚输出的竖条信号经IC9A门倒相后送入B门一个输入端,B门另一个输入端送入由IC4脚输出的横格信号,根据“与非”逻辑关系,在其B门输出端③脚,可输出黑底白点信号。
棋盘、方格及点信号的切换由面板切换键和电路中电子模拟开关集成块IC11、IC12及VD5、VD6配合共同完成。IC11主要用于棋盘、方格及点信号三者的切换,并且只要这3种信号中任一信号被选中,IC12内的3组电子开关,就因其相应控制端成为低电平而断开来自分频电路中的R、G、B方波信号,转接到由IC11④脚送来的棋盘、方格或点信号。由于这时送入R、G、B通道电路是均等的图形信号,所以通过编码电路输出的是黑白图形信号。
4.三基色、三补色及复合彩条信号的形成与切换
(1)从图1可看出,根据IC14及编码器工作原理,如果给IC14、②、③脚输入的不是R、G、B彩条方波信号,而是不同的直流电平,其通过编码器输出将会产生不同的单色信号。比如脚接低电平(接地),②、③脚接高电平(接12V),这时通过编码器就可产生整屏红色信号。根据这一原理,通过转换IC14、②、③脚直流电平,就可获得三基色及三补色整屏单色信号。在图1中,三基色及三补色的切换是由面板相应切换键,控制IC6、IC7来实现的。要得到不同的补色,可将面板R、G、B切换键任意两个同时按下即可。
(2)复合彩条信号是将IC5①脚输出的50Hz对称方波,送入IC13 3路电子模拟开关控制端⑨、⑩、脚,使IC13快速切换,从而产生上半屏是8条彩条,下半屏为红色的图像效果。
视频编码器电路
图2为P/N制视频编码器原理图。是采用索尼公司单片视频编码集成电路,只需输入模拟或数字三基色及复合同步信号,就能取得复合视频输出信号。
由图1电路中CZ4输出的R、G、B、复合同步(S)及伴音信号(A),送入图2编码电路中CZ1。R、G、B信号通过C1、C2、C3分别耦合到编码块CXA1145P的②、③、④脚,复合同步信号直耦到⑩脚,⑤、⑥脚及外围元件R1、C5、B、C6组成4.43MHz色副载波晶体振荡电路。R、G、B及复合同步信号在进入编码块CXA1145P内部后经过钳位,一路送入其内部编码电路,经过一系列信号处理后,在其可输出复合视频信号。另一路在其内部经各自射随器分别从脚输出,通过C20、R21、C21、R22、C22、R23及C23、R24经CZ2送到分量信号输出端子,用于检测具有分量信号输入接口的影音设备。输出的复合视频信号为了增强其输出负载能力,经由VT3、VT4组成的两路射随器输出,其中一路复合视频信号和音频信号送入射频调制盒产生U道射频信号。在编码过程中,CX-A1145P、脚可分别输出S-VIDEO信号中Y、C分量信号(简称“S”信号),为了增强其输出负载能力,也分别经由V1、V2组成的射随器输出,送入“S”输出端子。音频信号也可通过CZ4选用其它音频源(如录音机、CD、VCD输出的音频信号)作为伴音信号。编码器中CXA1145P有关脚波形见图4。

有关本文介绍的彩色电视信号发生器的供货信息,请参见本刊今年第4期第2000-4-3页西安市卢光电子电器显示设备厂的广告。电话:029-4815326、4816594。(张正仓)