目前市场上出售的耳塞机可分为高阻抗(数百欧姆)、中阻抗(数十欧姆)和低阻抗(数欧姆)几种规格,分别与各种类型的袖珍收音机配套。其中高阻抗耳机的灵敏度较高;低阻抗耳机的音量较大;而中阻抗耳机的音质最好,日益受到广大使用者的青睐。
可是,怎样加接中阻抗耳机呢?即要使音量适中、音质最好而且最为省电。
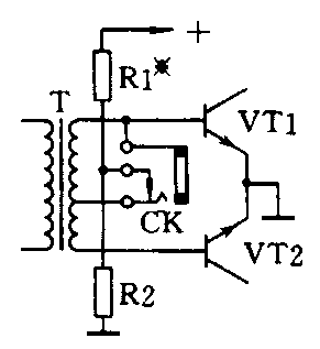
电路见附图。在收音机的低频放大和功率放大之间,通常采用输入变压器交连,而它的变压比一般在(3:1)~(5:1)之间。如果在其次级的中心抽头和任意一端加入一只阻抗为50Ω左右的耳机,则其反射到初级的阻抗约为50×4=200Ω,完全可以和晶体管的输出阻抗相互匹配。

在我们把耳机的插头插入以后,通过插口的簧片和末级的偏置电路脱离接触,使功率放大器停止工作,从而大大节省电池的消耗。
特别值得指出的是,大多数袖珍收音机的耳机插口都是千篇一律地设计成断开扬声器的方式。理论和实践都证明,这种方式存在以下几个明显的缺点:1.插入耳机后功率放大器仍然处在工作状态,大幅度地增加了电池的消耗;2.插入的耳机往往音量过大,长期如此就会造成使用者的听力下降;3.如果在插入耳机时将音量调小,常会产生“交越失真”;4.由于功率放大器的噪声较大,从而降低了耳机的收听效果。
此项改革则恰恰消除了以上4大弊端,读者不妨一试。(王福海)