本栏目欢迎投稿!
欢迎提供新器件线索!
欢迎索取英文资料!
联系电话:010-67134095-18
■INA155(11页)
INA155是BB公司1999年10月推出的新产品,是一种单电源、输出电压摆幅接近电源电压,CMOS工艺生产的仪器放大器。
该器件主要特点有:工作电压2.7~5.5V;输出电压摆幅与电源电压之差小于10mV;失调电压低,典型值为±200μV;失调漂移低,典型值为±5μV/℃;内部固定增益为10V/V或50V/V;输入偏置电流小,典型值为0.2pA;增益为10时带宽为550kHz;压摆率为6.5V/μs;工作温度范围-55℃~+125℃;贴片式SO-8或MSOP-8封装。
该器件适用于工业传感器放大器,如电桥式传感器、铂电阻、热电偶等,也可用于医疗仪器或设备、PCMA卡、音频信号放大,通信及测试设备等。

该器件内部结构及管脚见附图。在单电源作交流放大器时,R\(_{ef}\)端接1/2V+,直流放大时一般Ref端接地。其输出电压Vo为
Vo=(V\(^{+}\)\(_{IN}\)-V-IN)×G+V\(_{REF}\)
式中增益G为:
G=10+\(\frac{400kΩ}{10Ω+R}\)\(_{G}\)
式中R\(_{G}\)为①脚与⑧脚之间的控制增益的电阻阻值。RG分别为30kΩ、10kΩ、3.3kΩ时,G分别为20、30及40。开路时(R\(_{G}\)=∞),G=10;短路时(RG=0),G=50。
网址:www.burr-brown.com
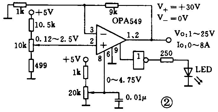
■ OPA549(14页)
OPA549是BB(Burr-Brown)公司最新推出的高电压大电流功率运算放大器,是专门为工业控制、测试设备、电源和音频等应用而设计的。由激光修整的单片集成电路提供极好的低电平信号精度及能驱动各种负载(如电机、阀门、螺管线圈、扬声器等)。
该器件主要特点有:输出电流大,连续输出电流可达8A,峰值流可达10A;工作电压范围宽,单电源从8V到60V,双电源从±4V到±30V;输出电压摆幅大;有完善的保护,有过热关闭及可调电流限制;有使能及禁止功能;有过热关闭指示;转换率(压摆率)高,9V/μs;工作温度范围-40℃~+85℃。
该器件采用11引脚叉齿形封装(功率ZIP封装),各引脚排列如图1所示。图2为用该器件组成的可调输出稳压电源电路。输出电压1~25V,输出电流0~8A,并有输出电流限制调整及过热关闭指示(过热关闭时,LED亮)。


⑧脚接一个限流电阻Rc。到⑥脚R\(_{ef}\)可限制输出电流。RCL与I\(_{LIM}\)的关系为:
I\(_{LIM}\)=\(\frac{4.75×15800}{7500+R}\)CL(Ω)
E/S脚(⑨脚)强迫为低电平时,输出禁止;若此端输出为低电平时,显示过热关闭。
网址:www.burr-brown.com
■ Si3905DV(5页)
Si3905DV是VISHAY公司1999年9月推出的新产品,它是一种双P沟道8V(D-S)功率MOSFET。该器件在V\(_{DS}\)=-8V、VGS=-4.5V时,I\(_{D}\)=±2.5A,导通电阻RDS(on)=0.125Ω。
该器件采用TSOP-6封装,尺寸为3mm(长)×2.85mm(宽)。该器件的管脚排列见附图。内部二极管可导通1.05A电流。

网址:www.siliconix·com
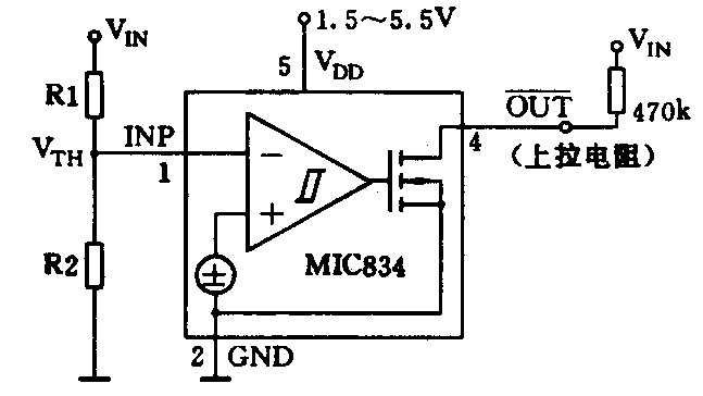
■ MIC834(6页)
MIC834是MICREL公司1999年12月推出的新产品,是一种带有基准电压源的精密电压比较器。该器件主要特点有:工作电压范围为1.5~5.5V;工作电流极小,典型值为1.5μA;基准电压精度高,1.240±0.012V;内部有滞后电压,典型值为23mV;内部有抗干扰脉冲功能;不论电源工作电压是多少,输入、输出电压可上拉到6V;工作温度范围为-40℃~+85℃;小尺寸SOT-23-5封装。

器件内部结构及外部元件如附图所示。其阈值电压VIN与外接电阻关系为:
V\(_{IN}\)=VREF×\(\frac{R1+R2}{R2}\)
式中V\(_{REF}\)=1.240V。R1+R2值取1MΩ。470kΩ为上拉电阻最大值。
在VIN<V\(_{REF}\)+VHTH时,VOUT—为低电平VHTH—为滞后电压23mV);当VIN>V\(_{REF}\)+VHTH时,V\(_{OUT}\)—为高电平。当VIN降到V\(_{REF}\)时,VOUT—为低电平。
该器件适用于电池供电的便携式电子产品,如PDA、寻呼机、无绳电话、消费类电子、嵌入式控制器等。
网址:www.micrel.com
■ LM158/258/358及LM29O4(22页)
LM158/258/358及LM2904是NS公司2000年1月推出的新器件,是一种采用新型微SMD封装的低功耗、单电源双运放。它独特的特性有:即使用单电源工作、在线性模式时,输入共模电压范围包括到地及输出电压摆幅也到地;单位增益交叉频率及输入偏置电流都采用温度补偿。其它特点有:内部有用于单位增益的频率补偿;大的直流电压增益(100dB);单位增益带宽为1MHz;工作电压范围宽(单电源3~32V,双电源±1.5~±16V);耗电小(500μA);输入失调电压低(2mV);大的输出电压摆幅(0~V+-1.5V);差动输入电压范围等于电源电压范围。
该双运放的管脚排列见附图。

■ MIC39101(12页)
MIC39101是MICREL公司1999年12月推出的新产品,是一种输出电压为2.5V或3.3V,输出电流可达1A的低电压低压差线性稳压器。该器件的主要特点有:在整个工作温度内,Io=1A时,最大的压差为630mV(典型值为410mV);初始精度为1%;低地电流,在1A输出时典型地电流为11mA;内部有电流限制、过热关闭及电池接反保护;当输出电压低于期望值5%时,输出误差标志信号(低电平有效);有关闭电源控制(低电平有效),在关闭状态时耗电小于20μA;工作温度范围为-40℃~+125℃;SOP-8封装。
该器件输出2.5V的型号为MIC39101-2.5BM;输出3.3V的型号为MIC39101-3.3BM。
2.5V输出的典型电路如附图所示。输出电容10μF或更大,要求ESR(等效串联电阻)小于2Ω。输入电容若采用交流降压供电,建议采用1μF或更大电容。

■RSC×××系列语音识别电路
RSC164/264T/364是美国Sensory公司推出的一系列语音识别电路。
电路具有功耗低、集成度高等特点,内置放大器、16条I/O总线、4MIPS 8位微控制器、时钟计数器,自带A/D、D/A转换器、语音校验、数码噪声过滤等,工作电压2.4V~5.25V,工作电流为10mA,静态电流<5μA,有多个中断可供选择,识别电路内建ROM、RAM,可外接存储器(识别组数由存储容量确定),有裸片、PLCC、QFP、COB等多种封装可供选择。该器件可广泛应用于智能语音控制装置、产品。
网址:www.sensoryinc.com
经销商:茂林电子科技有限公司(www.maolin.com.cn)
■超低功耗单片机MSP430F11××系列
应用领域:气、水、电表、医疗仪器、火警智能探头、家庭自动化产品及其他低功耗产品。
主要特点:16位内核,性能优越;精简指令集,27条核心指令,易学易用;业界最低功耗:工作电流160μA(1MHz频率下),待机电流0.1μA;低工作电压1.8~3.6V;片内有闪存,擦写寿命10万次;只需外接一个电阻、一个电容便可实现12位A/D转换;强大中断功能、串行在线编程和超强抗干扰能力。
封装:20脚SOWB
生产厂商:美国TI公司(www.ti.com)
代理商:力源电子股份有限公司(www.p8s.com)