LM3647是美国国家半导体公司于2000年2月推出的新产品,是一种能充锂-离子电池、镍镉及镍氢电池的通用充电控制器IC。用该器件组成的充电器功能强、性能好、电路简单。本文将介绍该器件电路的组成及有关参数的计算或选择,最后给出典型应用电路,供电子爱好者及电子产品开发人员参考。
LM3647的特点
1.可组成先放电再充电的电路。
2.有高分辨率及精确的电压检测,可防止锂-离子电池的欠充或过充。
3. 有多种终止快充检测手段,用以防止镍镉或镍氢电池过充。有-ΔV(-dV/dt)检测、最高电压检测、最大充电时间控制、ΔT/Δt及T\(_{max}\)检测(后两项可任选)。
4.有自动分阶段充电程序。对镍镉或镍氢电池进行软启动(测试性)充电、快充、补充(topping charge)及维护充电。对锂-离子电池进行测试性充电。恒流快充、恒压快充及维护充电。在测试性充电时能检测电池的装入及温度是否在要求范围,以0.2C充电1分钟后检测电池是否良好或是否是已充足的电池(发出错误信号)。
5.可充2~8个镍镉或镍氢电池或者1~4个锂-离子电池(可充最大电压为4.1V或4.2V的电池)。
6.可用脉冲电流充电,也可恒流充电。
7.有3个LED及1个蜂鸣器作充电状态指示。
LM3647简介
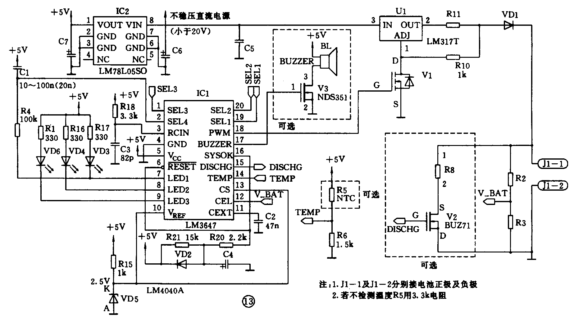
LM3647是20脚SO封装的器件,工作电压4.5~5.5V,静态电流2.5mA,振荡器工作频率2.5MHz,工作温度范围-40℃~+85℃。其管脚排列如图1所示,各管脚功能如表1所示。


充电器结构框图
用LM3647组成的充电器结构框图如图2所示。它由控制电源部分、充电电流检测及控制部分、电池电压检测部分、电池温度检测部分、放电电路部分、工作状态指示部分、充电时间设定电路、复位电路、确定振荡频率的RC网络及由用户根据充电电池品种及充电器结构的选择端口。

各种分电路及参数
1.电池电压检测电路及有关参数

充电的电池组是串联的,电池组的电压与电池的数量及电的品种有关。图3是电池电压检测电路,R6、R7组成分压器,其中间点电压送至LM3647的电池电压检测端(CEL)。单个镍镉、镍氢最大的电压是1.85V,输入到CEL端最大电压是3.017V。则不同电池数n及R6、R7的关系为:
n×1.85V×\(\frac{R7}{(R6+R7)}\)=3.017V
当已知充电电池数及设定R7后可按上式求出R6的值。例如,电池数为4,设R7=11kΩ,则按上式可得R6=15.98kΩ,可取R6=16kΩ。
充锂-离子电池时,输入CEL的最大电压为2.675V(SEL3接地),电池的正常电压为3.6V或3.7V,最大电压为4.1V或4.2V,则不同的电池数n及R6、R7的关系式分别为:
n×4.1V×R7(R6+R7)=2.675V
或
n×4.2V×R7(R6+R7)=2.675V
例如,两个4.1V(max)锂-离子电池时,若R7取30kΩ,按上式可求得R6为61.96kΩ,取62kΩ。
为保证锂-离子电池的终止充电电压精度,R6、R7要采用1%精度的金属膜电阻。
2.最大充电时间的设定
最大充电时间的设定是一种备用终止充电的方式,仅用于正常终止快充检测失效时才起作用。充电时间与充电率有关,可在0.4~3C范围选择。最大充电时间与外接R4、C1有关,如图4所示。不同的充电率与R4、C1的关系如表2所示。


3.充电电流检测电路

由图2可以看出,充电电流是经过R\(_{1}\)的,R1两端的电压降正比于充电电流。充电电流检测电路如图5所示,运算放大器的同相端接2.5V基准电压,充电电流经过R5的电压降输入运算放大器,其输出端接LM3647的电流检测输入端(CS)。最大的充电电流为1.1A,当R1=R2=100kΩ,R3=R4=5.1kΩ时,可按下式计算出R5:
R5=\(\frac{R3/R1}{1.1A}\)=0.0463Ω(取0.047Ω)

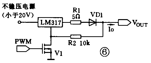
另一种控制充电电流的电路如图6所示。由LM3647的PWM端来控制V\(_{1}\)的导通或截止(PWM的开关频率仅为0.1Hz),当V1导通时,电流源断开;当V\(_{1}\)截止时,电流源导通。LM317接成恒流源电路,其输出的电流Iout为:
I\(_{out}\)=1.25-VdR1
式中1.25V为LM317的内部基准电压,V\(_{d}\)为二极管的管压降,一般VD1采用肖特基二极管,Vd≈0.4V。
4.与振荡频率有关的参数

如图7所示,振频频率与R18、C3有关,它与LM3647的RCIN端连接。R18、C3的精度与频率有关,也与充电时间的精确度有关。建议R18取3.3kΩ,C3取68pF(要采用温度系数小的陶瓷电容器)。
5.放电电路
放电电路由LM3647的DISCHG端来控制,如图8所示。R8为放电电阻,它与电池组的电压及放电率有关:
R8≈\(\frac{(电池组的电压)max}{最大放电率}\)

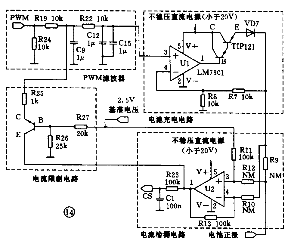
6.PWM滤波电路
滤波电路如图9所示(具体应用电路参看图14)。PWM端能输出快速PWM信号或慢速PWM信号。快速PWM模式时,由PWM输出的脉冲经R6、C9、R5、C1//C2两级低通滤波后,其直流电压输入运算放大器,用来控制充电电流。


PWM输出的占空比用来控制不同阶段的充电电流,如表3所示。

慢速PWM模式时,用来控制外部恒流源(见图6)。
7.复位电路
复位电路如图10所示,它使LM3647在上电后保持稳定,要求R21及C4满足。

(R21×C4)>5倍电源的上升时间一般R21取15kΩ,C4取10μF。VD2的作用是提供停电后C4的放电回路。为了LM3647的安全,SYSOK端与RESET端连接。
8.工作状态指示
工作状态指示电路参见图13。由LED1~LED3及蜂鸣器BL作充电器工作状态指示。镍镉、镍氢电池的状态指示如表4所示,锂-离子电池的工作状态指示如表5所示。



9.温度检测电路
为防止充电时电池温升速度过快或温度超过规定要求,采用图11的测温电路。R5为3kΩNTC热敏电阻,β=3988。输入TEMP端的电压有如下的要求:镍镉、镍氢电池时上限为3.15V;锂-离子电池时上限为3.0V,下限为0.5V,启动限为2.2V。当不采用测温电路时,TEMP端必须接0.5~2.2V电压(可接电阻分压器,见图12)。


10.SEL1~SEL4的接法
1)SEL1的接法
SEL1不同的接法确定了不同的充电特性。此端可接V\(_{CC}\)、GND或悬空。当充电器已构成充镍镉、镍氢电池时,此端确定是否充电前先放电或者是否用维护充电方式充电。当充电器已构成充锂-离子电池时,此端确定在维护充电方式时如何工作。
2)SEL2的接法
此端接V\(_{CC}\)时为充镍氢电池;接GND时充镍镉电池;悬空时充锂-离子电池。
3)SEL3的接法
它根据充电器硬件来选择,可接V\(_{CC}\)或GND。当充镍镉、镍氢电池时,此端确定了是快速PWM(接VCC),并且有电流反馈,或者确定了慢速PWM(接GND),用它来控制外部电流源。当充锂-离子电池时,此端确定了最大电压为4.1V(此端接GND)或4.2V(此端接V\(_{CC}\))。
4)SEL4的接法
SEL4与外接RC网络连接,确定充电时间,此RC网络也连接到LED1上(见应用电路图12)。
典型应用电路
图12是一种充镍镉或镍氢电池的充电器电路,图13是一种充锂-离子电池的充电器电路。图14是可充3种电池的PWM滤波电路、电池充电电路、电流检测电路及电流浪涌保护电路(它需与以上两种电路配合使用)。
编者按:需进一步了解LM3647技术细节及供货信息的读者,请与NS公司在北京的代理棋港电子科技有限公司联系,电话:(010)62535538/39,联系人:程思维。(方佩敏)