山东 刘熹传:绦纶电容器和瓷片电容器上的符号标志(如100nJ-160、105K-250等)都表示什么?
你提到的电容上的符号标志是两种有代表性的表示方法:100n中n表示单位即n=1000皮法,所以100n就是100×1000皮法=100000皮法=0.1微法。105是用数字表示电容量,前两位为电容量的有效数字,第三位(5)为加零的个数,105即1000000皮法=1微法。 (沈征)
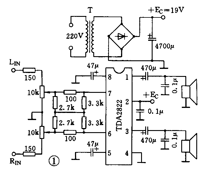
山东 李树才:我准备自己制作一小音箱,选好了电路图(图1);但有几个问题希望帮忙解答:1.电源变压器T的功率为多少呢?能否选用三端稳压集成电路稳压?2.整流管功率为多少瓦?3.扬声器用几瓦的?

用TDA2822制作小音箱,根据TDA2822的参数,最大电源电压为15V,最大输出功率为1W。其管脚排列见图2。变压器选用5W输出15V的即可,稳压集成块可使用7815。整流管可选用1N4001(1A)。扬声器可使用1W或稍大一些的(如3W左右),扬声器尽量选用口径大的,纸盆最好是橡皮圈或布盆的,这样低音可丰富一些。(沈征)

福建 陈根潮:我是一个爱好无线电的中学生,在制作收音机时,需要使用3AX31型三极管,但在市场上未能买到,请问这种管子的主要参数是什么?能用哪些型号的硅管代换?
3AX31是PNP型低频小功率锗管,其主要极限参数是V\(_{(BR)CEO}\)>6V,ICM= 125mA,P\(_{CM}\)=125mW。只要你制作的收音机所用电源电压大于1.5V,就可以用PNP型的硅管代替,常用的如9012、9015等三极管。(沈征)
江苏 焦传平:在新居装修过程中,准备将20m\(^{2}\)大客厅的中心吊灯用两个开关控制,翻阅图书资料,找到两种不同的双连开关控制线路(见附图),究竟选用哪一种更好呢?

这两种控制线路都能分别控制电灯的开和关。左图的线路比较简单,可省掉一根连线,建议采用。需要注意的是,开关S1要接在电源的相线(火线)上,这样,在关灯的状态下灯头不带电,保证更换灯泡时的人身安全。(沈征)
陕西 鲁彦群:我想购买一块数字式万用表,市售品种规格很多,我搞不清楚3\(\frac{1}{2}\)、41;2、3\(\frac{3}{4}\)位指的是什么?它们之中哪一种测量精度比较高呢?
数字万用表是用8段数码管显示数字的,如果一个数码管能将0~9都显示出来的叫整数位;分数位的数值是以最大显示值中最高位的数字作为分子,而用满量程时最高位的数字作为分母。例如,某块数字万用表的最大显示值是±1999(最高位数字为1),满量程计数值为2000(最高位数字为2)。该数字万用表是由3个整数位(个位、十位、百位)和一个\(\frac{1}{2}\)位(千位,它只能显示0或1)构成的,所以称为“31;2位”。3\(\frac{3}{4}\)位的最高位只能显示0~3的数字,因此最大显示值为±3999,其量限比31;2位提高了一倍。而4\(\frac{1}{2}\)位数字万用表的最大显示值为±19999,显然它的测量范围(最高分辨率)要比33;4位高得多。(沈长生)
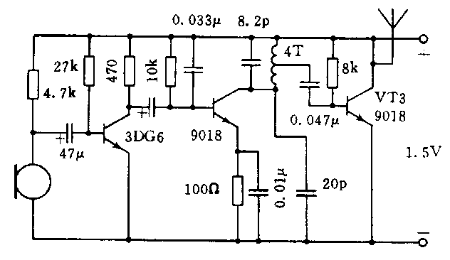
浙江 蔡杭生:最近制作了一个1.5V无线调频话筒,使用效果一直很好(附图),为朋友又装了一台,只是晶体管VT3用3DG130B代换了9018,导致FM(调频)收不到信号,连干扰都没有了,是什么原因呢?

一般调频无线话筒的工作频率在100MHz左右,在选用晶体管时,要求管子的截止频率f\(_{β}\)比工作频率高3~5倍以上。原用晶体管9018的截止频率fβ≥600MHz,是可以正常工作的。后换用3DG130B,其截止频率f\(_{β}\)≥150MHz,不能满足上述要求,调频话筒就无法正常工作了。(沈征)