晶体管在不同的电路条件下可以处在截止、放大与饱和状态,这三种状态在实际应用中都经常用到,因此了解这三种状态的特点是十分必要的。
一、实验器材
1.60mm×70mm、厚1~1.5mm胶木板一块。
2.Φ2×3mm空芯铆钉18个。
3.680Ω、10k、470k 1W电位器各一只。
4.3DG型(或9013、9014)三极管一只,β值为100左右。
5.1/8W固定电阻82Ω、1k、1.5k、3k、5.6k各一只。
6.10mm×20mm、厚0.5mm左右,磷铜片两块。
7.5号电池一节。
8.单股塑料导线50cm。
9.指针式万用表一块(本文实验为U-201型)。
二、制作实验板
参照图1在胶木板上铆上16个空芯铆钉,安装好三个电位器和电池卡子(具体安装方法可参照本刊2000年第2期电学知识小实验“晶体管的起始电压的实验”一文,如有2000年第2期介绍的实验板,本次实验可继续使用)。

三、实验方法和步骤
第一步:截止状态实验
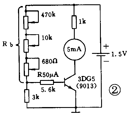
按图2电路,我们把470k、10k、680Ω三个电位器都调到最大值,观察集电极电路中的电流表(实际使用的是万用表的5mA挡),指示数值为0(元器件接线图见图3)。


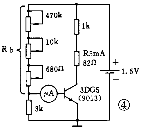
在不改变电位器旋轴位置的情况下,我们再按图4测得基极回路的电流也为0(万用表拨在50μA挡)。这种I\(_{b}\)为0、Ic也为0的情况叫晶体管的截止状态。在图2中R50μA-5.6k表示相当于万用表拨在50μA挡时的内阻,图4中R5mA-82Ω相当万用表拨在5mA时的内阻。

第二步:放大状态实验
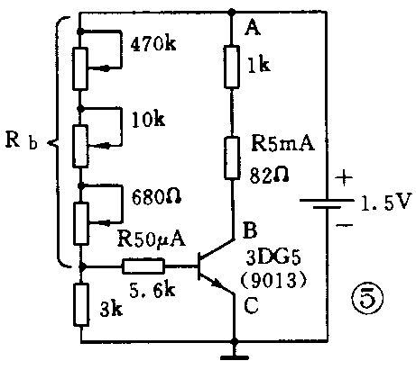
我们把实验板上的电路再恢复到图3的情况,把470k电位器调到阻值最小,逐渐调小10k电位器的阻值,使集电极电流为0.5mA时停下来。再按图5把万用表拨到直流2.5V挡,红表笔接A点,黑表笔接B点,测得A、B间的电压为0.6V,B、C间的电压(红表笔接B点,黑表笔接C点)为0.9V。

然后再按图3电路,调10k电位器使集电极电流I\(_{c}\)=1mA,再按图5测得A、B两点电压为1.15V;B、C两点电压为0.35V。在这两次实验中我们看到,当改变Ib时(调整10k电位器的阻值就会改变I\(_{b}\)),Ic也跟着变化。这种工作状态就是晶体管的放大状态。
我们通过两次测量电压还可以得出以下结论:U\(_{AB}\)+UBC=E\(_{C}\)(1.5V)。
第三步:饱和状态实验
当我们按图3电路调10k电位器使I\(_{c}\)=1mA后,继续减小10k电位器的阻值,当Ic调到1.2mA时,我们发现再减小10k电位器的阻值,I\(_{c}\)已不能再跟着增长了。我们把电位器调到Ic开始等于1.2mA的位置,按图5测一下B、C间的电压,约为0.15V。然后我们再把电路恢复成图4,当继续减小R\(_{b}\)(10k电位器和680Ω电位器)时,Ib电流还能有所增加,但从上面的实验中,我们已测出I\(_{c}\)不能再增加了。这也就是说Ib的再增加可能使I\(_{c}\)再增加了。这种工作状态称为晶体管的饱和工作状态。饱和时晶体管发射极和集电极之间的电压(即B、C两点的电压)称为饱和压降。
当我们把图2中的集电极电阻1kΩ换成1.5kΩ时(见图6),调小R\(_{b}\),Ic增加到0.75mA就不再增加了。这说明集电极电阻越大,晶体管越易进入饱和状态。

在做完本次实验后,再结合前面的起始电压实验、晶体管β值实验,我们可以对晶体管的一些应用有一些初步的认识,例如:晶体管在做放大器时,一般常用的方法是把交流输入信号加在晶体管的基极和发射极之间,放大的输出信号从集电极和发射极间取出。发射极是输入输出信号的公共端,这种放大电路叫共发射极放大电路,其典型的工作原理图如图7所示。

放大器的功能就是要使输出信号Usc比输入信号Usr的幅度大很多,而且两个波形的变化规律要一致(但在共发射极放大电路中输出信号和输入信号相位差180°),这就叫不失真放大。
要想使输入信号在一个周期内都得到不失真的放大,就要使信号输入期间晶体管始终处于放大区域。要使晶体管始终处于放大状态,就必须使三极管始终处于导通状态。
以后我们再学习和应用晶体管的放大电路、振荡电路、开关电路等实用电路时,只要结合我们前面做过的晶体管特性的实验,再动动脑筋就会收到事半功倍的效果。(沈长生)