这是一个非常有趣的电子游戏,外形如图1所示。这个多边形有32格,每一格有一只三色发光二极管,设置几个陷井站和加油站。该游戏由两人操作,红方、绿方手中各有一只按钮。开始时,先掷骰子,点数多的一方先玩。如果红方先掷骰子,按掷得点数为3,可按3下自己手中的按钮,则从起始点有3格发红光。接着轮到绿方掷骰子,若是2,则按2下手中的按钮,从起始点前2格发橙色光,第3格仍发红光;若绿方点数是5,则按5下按钮,前3格发橙色光,后2格发绿光,表明绿方已超出红方。接下来轮到红方……。如果掷得骰子的点数恰好使陷井一格发光,则停赛一次;如果恰好使加油一格发光,则加赛一次。先到达终点着(32只发光管全部发光),电路会奏出一首优美动听的乐曲以示胜利。
1.电路工作原理

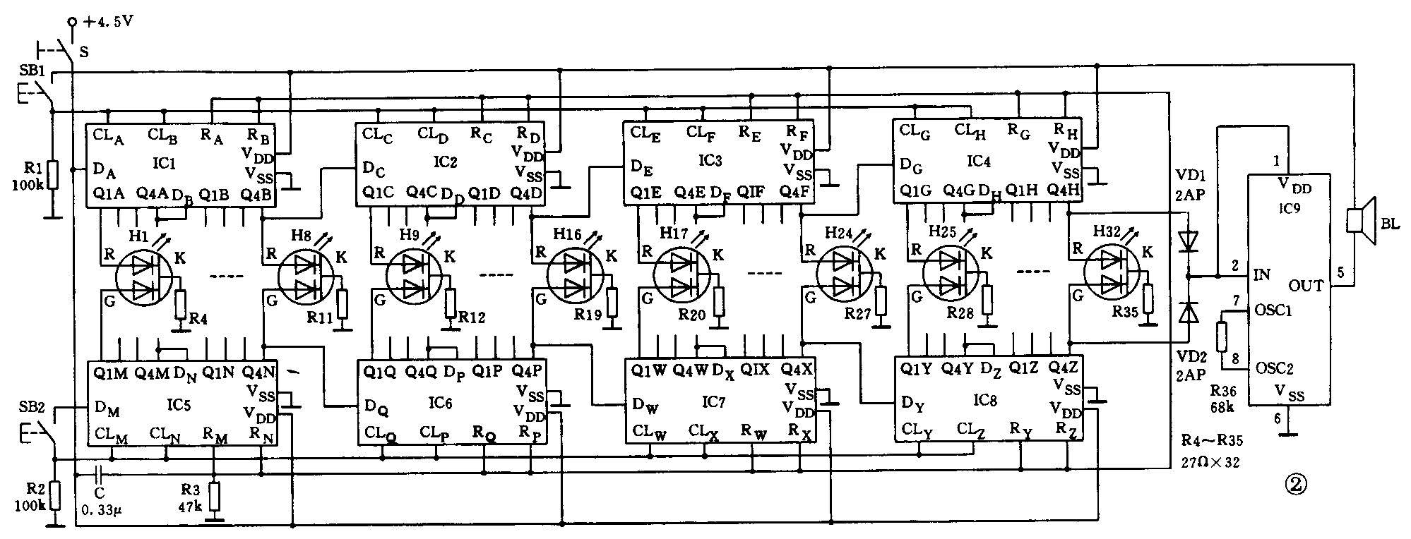
线路如图2所示。IC1~IC8是8片双4位移位寄存器CD4015,每一片CD4015有两个相同独立的4位移位寄存器。按图2中接法,IC1~IC4与IC5~IC8分别构成32位移位寄存器,第一级移位寄存器的数据输入端DA、DM接“1”电平。在公共时钟端CL的作用下,DA端的“1”电平随输入时钟逐级向右移位。在32个输入时钟作用下,32个输出端Q1A~Q4A,Q1B~Q4B,QIC~Q4C,Q1D~Q4D,Q1E~Q4E,Q1F~Q4F,Q1G~Q4G,Q1H~Q4H均为“1”。IC5~IC8的工作情况亦是如此。SB1、SB2分别是红方、绿方手中的按钮。为简化电路,图2中只画出了H1、H8、H9、H16、H17、H24、H25、H32八个三色发光二极管。
工作时,合上电源开关S,由C、R3微分后产生的正尖脉冲对IC1~IC8所有的复位端R作用,使全部输出端均为“0”。按一下SB1或SB2,即给CD4015一个输入触发脉冲。按动一次接钮只发出一个控制信号。IC9是CMOS软封装音乐集成电路。VD1、VD2组成二极管或门电路,当Q4H或Q4Z为“1”时,经VD1或VD2触发IC9工作,输出音乐信号,扬声器发声奏乐。若要再次游戏,打开S后再合上S即可。
2.元器件选择与制作
IC1~IC8为CD4015。IC9为音乐片HY-1。H1~H32为2EF302。BL为小型8Ω电动扬声器。SB1、SB2为CS-316按钮开关。S为DS460按键开关。电源采用3节1号1.5V干电池。其余元器件参数如图2所标注。

图3是该电子游戏印制线路板图。图3只画出IC1~IC4一半电路,另一半完全相同。印制板不包括IC9电路(R36可直接焊在IC9基板上)和R4~R35限流电阻。32只限流电阻与32只LED安装在一起,一端分别焊在H1~H32的共阴极K上,另一端全部焊在一点然后再焊入印制板接地点上。装焊好的印制板连电池安装在玩具底部,顶部按图1所示每一格钻1个小孔,用万能胶将LED胶牢在小孔中,上面再覆盖一层半透明玻璃纸或一块有机玻璃。在陷井点与加油点格上做好标记。玩具顶部中间部分开孔安装扬声器。电源开关S可安装在侧面。再从印制板上引出几根软导线,装上SB1、SB2,整个玩具即制作成功。该电路系集成电路制成,无需调试即可正常工作。(苏成富)
