2EU系列光敏二极管(由苏州半导体总厂开发、生产)是一种新型的半导体传感器件,它具有人眼视觉的光谱响应曲线,对可见光敏感、对红外完全截止的光敏特性。它是在U1-V族化合物半导体n型GaAs衬底上,生长了n型GaAsP的外延层,并在其上高温扩散Zn,形成PN结,这就是2EU光敏二极管的芯片。将芯片封装于黑色陶瓷底座上,受光面用透明环氧树脂固封。
图1是2EU系列光敏二极管的外形。因其采用实封,机械可靠性高,能适应恶劣的环境条件。

2EU系列光敏二极管的性能特点是:
(1)具有近似于人眼的视觉函数V(λ),响应曲线几乎跨整个可见光谱段。从图2看出它比硅、蓝硅更适于对可见光的检测,在A、B标准光源下的短路电流具有ΔEV≤|0.085|,是适应高保真照相的测光系统。

(2)具有优良的线性度,2EU的光灵敏度为0.8μA/mm\(^{2}\),在10-3~10\(^{4}\)Lux照度范围内,短路电流随辐照度的线性度为±5%。图3示出了2EU短路电流与照度的关系。

(3)具有极低的暗电流,在湿度<65%时和反偏2V条件下,其暗电流<2pA,比蓝硅的nA级小2~3个数量级。
(4)具有很高的开路电压,例如用1000Lux的A光源照射,其开路电压达1V左右,有利于与电路连接。图4为2EU开路电压与照度的关系。

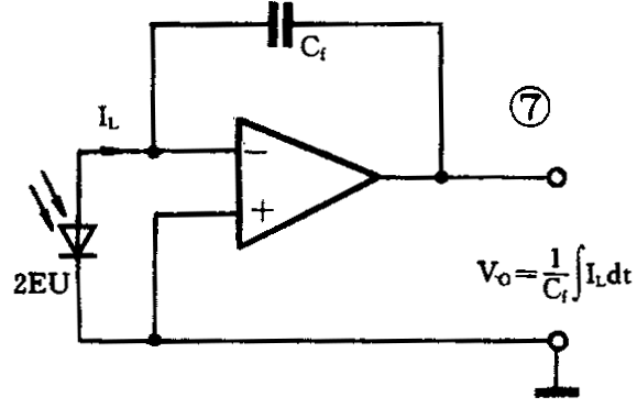
图5~图9是2EU光敏二极管的典型应用电路。
图5是弱光探测电路或I-V转换电路。可用于伪钞鉴别、各种测光、测色的仪器中。

图6是光对数放大器,适用于比色、浓度、照度等的测量。

图7是光积分电路,适用于光功率、辐射度、颜色等的测量。

图8是光差分电路,适用于两束光相对的强弱比较、纺纱断线、液体浓度等检测。

图9是照相机自动快门电路,适用于EE、ES照相机等。(陆振宇 赵明敏)


