目前我国有些地区仍存在着电网负荷过重、电压波动较大等情况。使不少家用电器不能正常工作,为解决这一矛盾,确保各类家电正常运行。许多家庭都使用着一种小功率(1000~2000W)全自动交流稳压电源。这种电源虽然技术性能不高,却能使各种家电在电压波动较大的情况下正常运行,较好地满足了人们的生活需要。但这类稳压电源的普遍使用,却带来了另外一些问题:其一是能源浪费,例如一台为冰箱供电的稳压电源,需一天24小时连续工作,冰箱工作时间却不足其一半(冬季冰箱实际工作时间更短)。电源的空载损耗,造成大量能源浪费。其二是使用不便,例如一台遥控电视机关断电源后,稳压电源照常工作,为节约能源,还得再去关断稳压电源,使遥控功能失去实际意义。显然,要节约能源,需要对现行稳压电源进行技术革新,消除稳压电源空载损耗,使其能识别负载,自动通断。需要时自动接通工作,给家用电器供电;不需要供电时,自动切断自身电源。
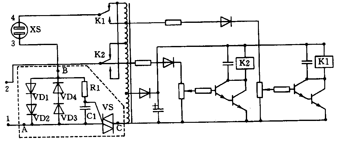
实用节能型交流稳压电源的电路原理图如附图所示。图中虚线框内为新增加的负载自动识别、自动供电电路,该电路由二极管VD1、VD2、VD3、VD4,电阻R1,电容C1及双向晶闸管VS构成三端电路,其端点分别用A、B、C表示,其工作原理简述如下:

当输出端3、4不接负载时,1、2端虽有220V交流电压输入,但因VS截止,电流无回路,电源不工作。当3、4端接上负载后,1、2端交流电流将通过VD1、VD2或VD3、VD4经负载和继电器触点K1、K2及变压器部分绕组构成电流回路,并在A、B两点产生1V左右的采样电压,该电压经电阻R1限流耦合,触发晶闸管导通,使电源进入正常稳压工作状态。C1主要用来滤除干扰杂波,使VS工作更加可靠。电路中各元件参数,视稳压电源输出功率而定。当电路三端点A、B、C短接时,即为市场产品中使用的一种普通交流稳压电源电路图。
该电路设计、构思新颖巧妙,技术难度小,其主要特点如下:
1.巧妙的使用了晶闸管作无机械触点开关,使控制电路工作可靠。
2.适用于市场各种自耦式全自动交流稳压电源的改造,增加元件的成本仅2元左右,即可实现对电源的通断自动控制,改造简单易行。
3.使用方便,节约时间。当负载打开时,稳压电源自动接通,保证负载正常工作。当负载关断后,稳压电源自动关断。(韩兆亮)