上期介绍了步进继电器的原理和性能。这种步进继电器做到了既保留机电式继电器原有的隔离性能好、抗干扰、抗过载能力强、可靠性高和寿命长的优点,又可以不需维持电流而能保持触点自锁,体现了安全和节能的优点。再加上它具有不同触点步序组合和不同工作电压,即多控制功能的优点,使它能在许多控制领域大显身手。
一、电气照明方面的应用
(1)多控开关电路
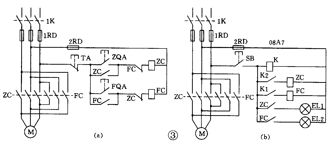
用几个开关控制一盏或一组灯的电路称为多控开关电路。上期介绍的楼层照明灯就是多控开关电路。这里再介绍一个用4只开关控制2盏门厅灯的电路。图1(a)是传统接法,要用2只单极双位(SPDT)开关、2只双极双位(DPDT)开关,接线复杂,线料也用得多。图1(b)是改用步进继电器的电路,只需1只01A7型步进继电器和4只按钮开关。接线简单,线料节省,而且可以随意改动或扩展。

(2)程序控制开关电路
BF型步进继电器有多种型号,每个型号有特定的步序和触点开闭功能,最多有2个触点4个步序,因此它相当于一种简单的程序控制开关。
图2是一个程序控制开关的应用实例。在贮藏室内和门外各装一个灯和一个按钮开关,用04A7型继电器作程序控制。04型继电器的逻辑步序是:“00—11—01—10”,4个步序1个循环。使用时的先后顺序为:①到贮藏室门前按一下按钮开关,门灯和贮藏室内灯都亮,便于开锁进门。②进门再按一下按钮开关,门灯熄灭,室内灯仍亮,可进行工作。③工作完毕出门,再按一下按钮开关,室内灯灭,门灯亮,便于锁门。④全部完成再按一下按钮开关,门灯灭,恢复原始状态后离开。

家居生活中的地下室和地下室门灯、车库和车库门灯、分内外两间的洗手间浴室等也都可使用这种控制电路。除了04型,还有06型和08型也可用于有特殊控制要求的场合。
(3)安全总控开关电路
有的电路为了安全,需要在人离开时完全切断电源,人来时再接通电源。这时就可以在大门旁电源总进线处装一只步进继电器作总控开关。出门时按一下按钮开关,步进继电器动作,切断总电源,保证室内安全。进门时只要再按一下按钮开关,便可恢复供电。
二、工业生产方面的应用
(1)电动机正反转控制
图3是控制电动机正反转的电路。图3(a)是常规方法,图3(b)是改用步进继电器的电路,增加了一个08A7型步进继电器,省掉了2只按钮开关。08型继电器的逻辑步序是:“00—10—00—01”。所以它的操作顺序正好是:“停止—正转—停止—反转”。电路简单,操作也简单方便。

(2)往返运动控制
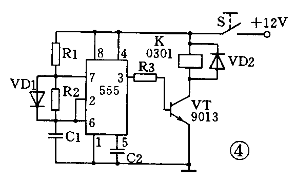
有的场合常常需要作正反向的往返运动控制。图4是用步进继电器组成的可作往返运动控制的电路。图中555接成多谐振荡器,振荡频率f=1.44/(R1+R2)C1,负载用03D1型步进继电器,它的逻辑步序是:“01—10”,两组触点正好是一开一闭互相交替的。因此可用它的两组触点来驱动作往返运动的机构。

由于受步进继电器动作时间的限制,这种往返运动的速率只能是慢速的,通常不高于每秒几次。
(3)智能电度表控制
在智能预收费电度表中,接通或切断电源的工作仍是使用继电器。传统的机电继电器因需要维持电流,对节电不利。如改用步进继电器就能做到既节能又安全可靠。当电度表读入预购度数时,继电器动作接通电源。当用户预购剩余度数为零时,CPU输出一个跳闸脉冲信号,使步进继电器动作将电源切断。当电度表重新读入IC卡内预购的度数后,CPU又输出一个合闸脉冲信号,步进继电器再次动作,接通电源恢复供电。
三、家电控制方面的应用
(1)触摸开关
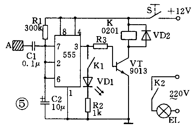
用一个555集成电路和02D1型步进继电器可以组成一个触摸开关电路,见图5。图中555时基电路接成单稳态方式工作。通电后,第3脚输出低电平,继电器K不吸合。人手触摸金属片A后,人体感应杂散信号经电容C1输入2脚,单稳电路翻转,3脚输出高电平,K吸合,触点K1点亮LED作指示,触点K2接通家电的电源或点亮照明灯。单稳时间为几秒,单稳方式结束,3脚恢复低电平,继电器仍保持自锁。如再触摸一下金属片,单稳电路又翻转一次,K再次动作,触点切断家电的电源或熄灭照明灯。

(2)简易电动窗帘
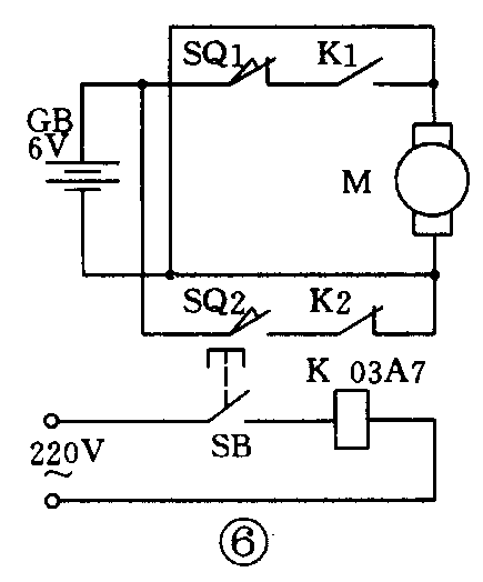
图6是用步进继电器组成的家用简易电动窗帘控制电路。继电器用03A7 型,用交流市电驱动。电动机可用减速器的玩具电动机,用电池驱动,简单省事。拖动窗帘的钢丝上装一撞块,窗帘两侧各装一个常闭触点的限位开关。窗帘全闭位置一侧是SQ1,窗帘全开位置一侧是SQ2。

图中是窗帘全开时的状态。这时限位开关SQ1是闭合、SQ2是打开的。动作过程如下:①按一下按钮开关SB,K动作,K1闭合,K2打开,电机正转把窗帘拉拢。窗帘一启动,撞块就离开SQ2,SQ2闭合。窗帘继续拉拢,当全部拉拢时撞块磁到SQ1,SQ1断开,切断电机正转的电源通路,电机停止。②如再按一下SB,K又动作,K1打开,K2闭合,电机反转把窗帘拉开。窗帘一启动,撞块离开SQ1,SQ1闭合。接着窗帘继续拉开,当全部打开时撞块磁到SQ2,SQ2断开,切断电机反转电源,电机停止。
这个电路没有其它电子元件,是最简单的电路。步进继电器和电动机平时不耗电,因此操作简便、节约电能、安全可靠。
(3)电风扇模拟自然风
用步进继电器控制可使风扇增加模拟自然风功能。把图4中R1、R2的电阻值加大,并串入电位器RP1、RP2,使电路的振荡周期T从1秒到五六十秒可调,再把电风扇作为负载接入步进继电器的触点电路。于是,当步进继电器被慢节奏地一次次吸动时,电风扇就断断续续地转动或停止,使风成为断续和轻柔的风,达到模拟自然风的效果。这个电路与用晶闸管控制的电路相比,它的优点是不产生干扰,更安全可靠。
(4)停电自投电路和停电自锁电路
用步进继电器可以组成停电自投电路,见图7。图中C1是贮能元件,市电正常时24V电源通过VD3、R4向C1充电到24V。电阻R1、R2分压后使晶体管VT1饱和导通,VT2截止,步进继电器K不吸合。当市电停电时,24V电源断电,VT1截止,C1经R3、VD1、VT2发射结放电,使VT2短时导通,于是C1经K快速放电,使K吸合动作。因电路充放电时间常数,T>0.1秒,K有足够时间吸合。K动作后触点点亮应急灯并自锁。来电后必须按一下按钮开关SB,继电器动作才使电路复原。

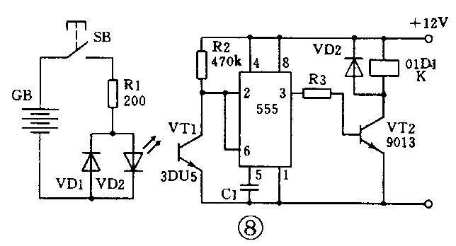
(5)遥控器电路
遥控器是家用电器的常用附件。彩电、音响、影碟机、空调机等都可用遥控器控制。遥控器有发射和接收两部分。接收器的工作方式有的采用双稳自锁式。这种接收器是由双稳电路使继电器保持自锁的,需要一定的维持电流。若在接收器中改用步进继电器,不仅不需维持电流节省电能,还可省掉双稳电路,使电路简化。
图8是用步进继电器的简单光控遥控器。按下发射器的按钮开关SB能发出红外光。接收器的光敏三极管VT1(3DU5)收到光后,555时基电路第3脚翻转成高电平,步过继电器K动作,触点接通家电的电源。若再按一下SB,继电器再次动作,切断家电的电源。

如果使用多路带编码的IC电路和步进继电器,就可组成多路编码遥控器。例如发射器有A、B、C、D4个按钮开关,接收器有4路编码接收电路带4个步进继电器。按下发射器某一个按钮开关,就发出相应的编码信号。接收器收到信号经解码后去驱动相应的该路步进继电器,接通或断开某个家用电器的电源。
还可以利用双音频话机组成多路遥控器。在市内拨号接通家中的电话,再通用数码键向家中输送遥控指令。并联在家中电话机上的多路遥控接收器收到该指令后,通过译码电路译出该指令,转换成受控的某个通道号,锁存到寄存器中再去控制该通道的输出电路,驱动该路的步进继电器。用步进继电器的触点接通或切断家电的电源。于是,当你走进家门,空调器已把室温调到最舒适的温度、晚饭已经煮好、热水也已烧好……使你能享受到高科技带来的现代化高品质生活。(于鹤飞)