JL918公用电话计费器电路设计新颖,工作时可不用线路提供的反极性信号而自动判别对方是否提机,在输入本地区长途区号时能自动生成本地至全国各地的费率,不用另配电源(利用电话线自身电源),另外本机售价极其低廉,在市场上的流通量很大,故编写此文供参考。
一、功能特点
·独有的12位显示屏能满足当前电话号码升位要求。
·全国通用,输入本地区号后可自动生成该地到全国各地的长途费率。
·可以随时查询最近64次成功打出的电话记录(包括电话号码、通话时间和话费)。
·通话完毕,鸣笛提醒机主收费,并显示通话时间和通话费,鸣笛10秒后自动复位。
·具有时钟显示功能。
·具有方便的全价、半价、三折价转换功能。
·具有市话、长话话费累计功能。
·可用长途电话远距离遥控修改费率参数。
·本机优先识别反极性信号,无反极性信号时自动进入通话鉴别状态。
二、工作原理
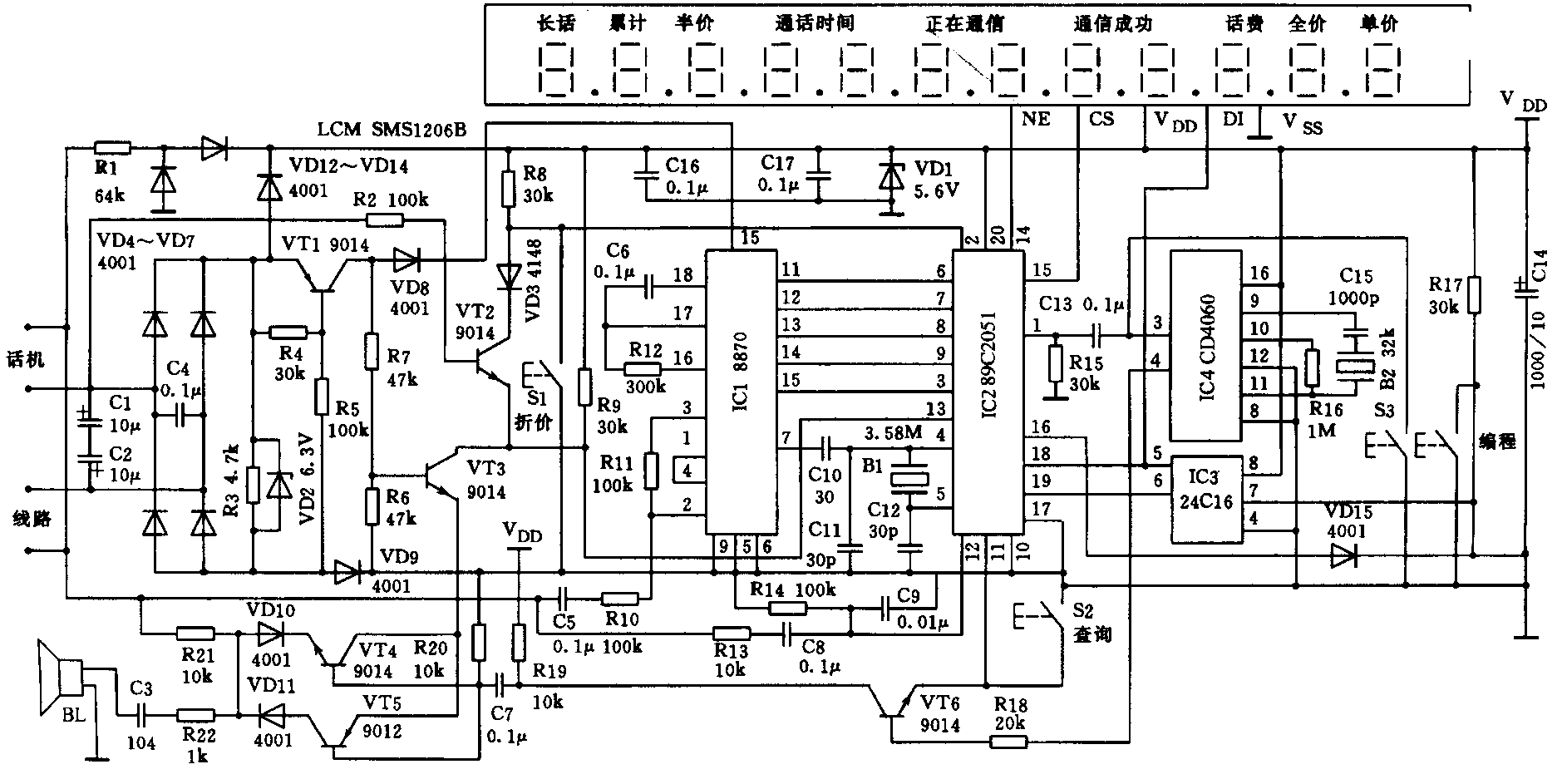
电路工作原理图见附图。当本机正常接入电话线路时,时钟以24小时工作方式显示,并进入等待提机拨打电话状态。由于本机采用电话线路直接供电,供电电流必须小于1mA,为此本机在电路上做了一些特殊的处理,此部分工作原理如下:由电话线路送出的48V电压,经R1降压和VD12~VD14整流后,提供约3~5V的电压给IC2~IC4和LCM供电,由于IC2在正常工作时工作电流约20mA,为了降低功耗特别增加了IC4集成电路CD4060,其IC4在电路中有3个作用:①以0.5s的间隔复位IC2,彻底防止单片机死机。②0.5s的脉冲作为时钟的基准频率,保证时钟的走时精确度。③IC2在程序设计上使其刷新LCM后即进入休闲状态,这样平均工作电流很小,约为0.2mA,以保证在不通话时整机工作电流不超过0.5mA,使线路电压能保证本机的正常工作。

话机提机时,线路电压经话机和由VD4~VD7组成的极性鉴别电路并由VD2稳压后,一路经VT1、VD8给IC1供电;一路经VD14给其余电路供电,另一路使VT3导通,并通知IC2进入正常拨号和通话准备状态及通话识别状态。音频信号通过IC2的脚和脚组成的内部运算放大器进行整形,在内部利用软件判断线路中有没有450Hz的占线音和450Hz的回铃音,当单片机测试到回铃音并在回铃音消失后(5秒钟)即判断进入通话状态,IC2开始计费并将通话时间、费率等信息由LCM显示出来,当通话完毕后,IC2的脚由高电平变为低电平使VT6导通,由IC4的④脚送出的1024Hz的音频信号经VT6放大,由C7耦合至VT4和VT5组成的极性识别电路使BL利用线路48V电压以响0.5s,断0.5s的鸣笛10s通知机主收费,并由LCM显示本次的通话时间和通话费用。尔后电路进入提机拨号等待状态。
由于在电路中使用了集成电路8870使双音多频拨号的译码变得异常简单,由话机拨出的号码经C5和R10送至IC1经译码后由IC1的数据线脚至脚送至单片机IC2。IC2将通话号码、通话时间、通话费率经过计算,鉴别通话是否成功,时钟是否正常等通过LCM显示出来。IC2的数据库由IC3担任,IC3为16K的EEPROM存储器,其中的8K经过数据压缩技术的处理,将全国各地的地理位置以座标的形式进行储存,再由IC2转换成费率以省内、省外、800km以内、800km外显示通话费率,用于特殊号码、市话、郊话、农话等费率的储存,另外8K则用于通话地点、通话时长和通话费的查询。
相关货讯见本期封三北京金石天成通信技术开发有限责任公司广告。(王家麟)