黑龙江 尉迟胜:请介绍TDA3037各引脚功能,能不能用其它集成电路来代换。
TDA3037是电源电路,采用单列9脚封装结构,其①基准电压输出、②触发信号输入、③稳压控制、④电压控制、⑤保护输入、⑥地、⑦基极电流截止、⑧基极电流放大、⑨电源V\(_{CC}\)。TDA3037市场上不易买到,但是它可以用易得的TDA4600或TDA4600P来直接代换。
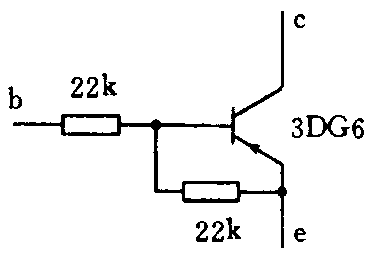
广东 房明明:请问松下A300MU型DVD机的VTR6501(UN2212)是什么样的器件?能否找到代用品?
UN2212是一只NPN型带阻三极管,其P\(_{CM}\)=200mW、ICM=100mA、BV\(_{ceo}\)=50V,hFE=60。UN2212可以用DTC124A、DTC124F、DTC124EK、KN1203、RTIN241S、KSR1103等带阻三极管来直接代换,也可以参照左图用一只3DG6和两只22k电阻组成带阻管来代换UN2212。

山东 鲁大夼:一台三星(SAMSUNG)PC802型VCD机中的集成电路KA8309B损坏,它是一块什么电路?能否找到代用的集成电路?
KA8309B为伺服信号处理器,主要完成激光束的聚焦、循迹、进给伺服功能。它可以用索尼机常用的CXA1082BQ来直接代换。
江苏 陈浩:请介绍场效应管IFRZ24N的主要参数和引脚排列及代换型号。
IFRZ24N为大功率MOS场效应管,漏极电流I\(_{D}\)=15A、漏极最大耗散功率PDM=40W、漏源击穿电压V\(_{(BR)DS}\)=60V。所以IFBZ24N可以用IFRZ30、IFRZ34等直接代换。将IFRZ24N正面面对自己,从左起依次为栅极、漏极、源极。
广西 韦如鑫:一台日电CT-20T774PDH彩电中的集成电路TA7710P损坏,市场上无法买到TA7710P,请介绍其各引脚功能和代换型号。
TA7710P①中频输入、②外接电容、③高放AGC延迟调节、④高放AGC输出、⑤AFT电压输出A、⑥AFT电压输出B、⑦接AFT振荡回路、⑧接图像中频回路、⑨接图像中频回路、⑩接AFT振荡回路、 电源V\(_{CC}\)、视频输出、地、频AGC滤波、外接电容、中频输入。
TA7710P可以用易得D7607、TA7607AP或TA7607P来直接代换。代换后必要时可微调一下AGC电压。
山西 闫长庆:一台东芝219X6Y彩电的伴音功放电路AN7178损坏而无伴音,请介绍其各引脚功能和代换型号。
AN7178是一块双声道音频功率放大电路,其①负反馈A、②信号输入A、③滤波A、④地、⑤信号输入B、⑥负反馈B、⑦输出B、⑧自举B、⑨地、⑩电源V\(_{CC}\)、自举地A、输出A。AN7178可以用AN7168或者AN7169来直接代换。
山东 文式之:一台索尼KV-1430CH彩电中的伴音功放电路BX1303损坏而无伴音,请介绍其各引脚功能及代换电路。
BX1303是一块5W的单声道功率放大电路,其①脚为输入、②脚为负反馈、③脚为地、④脚为输出、⑤脚为电源电压V\(_{CC}\)。目前市场上BX1303似乎很难买到,但是与其性能几乎完全相同的STK420却容易买到,故可以用STK420直接代换BX1303,从而使彩电伴音恢复正常。
陕西 谭元政:一台康艺SVR-5383彩电中的M51207L损坏,请介绍其各引脚功能及代换电路。
M51207L只是一块双运算放大电路,其①脚为输入A正、②脚为输入A负、③脚为输出A、④脚为地、⑤脚为电源电压V\(_{CC}\)、⑥脚为输出B、⑦脚为输入B负、⑧脚为输入B正。M51207L可以用极易得的双运放RC4558、NE5532等按附表来代换。
M51207L 1 2 3 4 5 6 7 8
NE5532 3 2 1 4 8 7 6 5
内蒙古 梁金生:一台星宝TD-608小型收录机中的功放电路HLC1007损坏,请介绍其各引脚功能及代换电路。
HLC1007为一双声道功放电路,其①脚为BTL辅助输出、②脚为输出B、③脚为自举B、④和⑤脚为功放地、⑥脚为负反馈B、⑦脚为同相输入B、⑧脚为纹波抑制、⑨脚为地、⑩脚为同相输入A脚为负反馈A、和脚为功放地、为自举A、脚为输出A、脚为电源V\(_{CC}\)。
HLC1007可以用易得的D2025或者TEA2025P、TEA2025M直接代换。
浙江 危山峰:一台电脑开关电源中的一集成电路ULS8194R损坏,请介绍其各引脚功能和代换型号。
ULS8194R为振荡控制电路,其①取样放大同相输入、②取样放大反相输入、③相位校正、④死区控制、⑤和⑥外接振荡电路、⑦地、⑧控制脉冲输出A、⑨射极跟随输出A、⑩射极跟随输出B、控制脉冲输出B、电源电压V\(_{CC}\)、输出状态控制、准电压、和电流取样输入。
ULS8194R可以与TL494、IR494、TL594、ULN8194、NE5561、MB7670、IR3M02、μPC494、μA494、IR9494互换使用。
北京 陈伯炜:请介绍单片立体声放音集成电路AN7082K的各引脚功能和代换型号。
AN7082K的①脚前置级基准电压、②脚前置级输入A、③脚前置级负反馈A、④脚前置级输出A、⑤脚功放输入A、⑥脚音量控制电压、⑦脚功放输出A、⑧脚缓冲、⑨脚功放地、⑩脚电机负极、脚相位比较、脚电机基准电压负、脚电机基准电压正、稳速电压比较输入、脚电源电压、脚功放输出B、脚纹波滤波、功放输入B、前置级输出B、前置级负反馈B、前置级输入B、前置级地。目前AN7082K还找不到代换型号。( 本期问题由汤志成同志解答)