康佳T3498/T3898彩电双扫描倍场频开关稳压电源采用了一些新技术、新器件,如新型西门子开关电源控制专用IC TDA4605及大功率场效应开关管、NTC热敏电阻等。在结构上使用两套电源,主副电源各司其职。各种保护电路完备,反应了当今大屏幕彩电电源设计上的一些新特点、新思路。这使本机开关电源的整体性能及可靠性得到了很大的提高。工作电源范围可在110V~260V(AC)内正常使用。
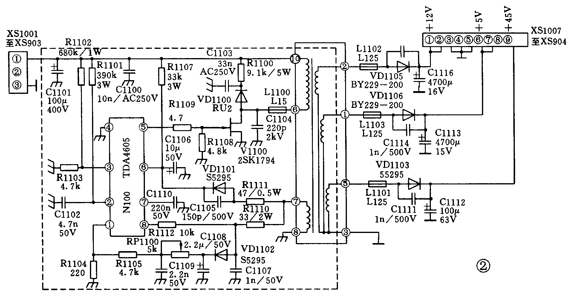
主开关稳压电源由TDA4605-3(N901)、控制场效应管V901(H12N60F1)及外围元件组成,产生140V、+14V、-14V三种电源,在待机状态时主开关稳压电源停止工作。副开关稳压电源由TDA4605-3(N1100)、控制场效应管V1100(2SK1794)及外围元件组成。产生45V、12V、5V三种电源,在待机状态时仍照常工作,维持遥控系统的5V供电不变,使电视机随时可以接受遥控指令重新启动。
为了帮助读者的了解该电源的原理,提高维修能力。这里给出T3498/T3898型机主开关稳压电源电路及待机控制与保护控制电路(图1),T3498/T3898型机副开关稳压电源电路(图2),彩电出现三无故障时电源检修流程图(图3),供大家参考。



T3498/T3898型机的主开关稳压电源既不是自激式振荡电源,又不是利用行逆程脉冲控制的锁频式振荡电源,它是一种它激式振荡电源(见图1)。场效应管V901的开关由控制集成电路TDA4605- 3⑤脚输出的脉冲控制。而TDA4605-3又是受触发启动才能进入正常工作的。主开关电源输出140V、+14V、 -14V三组电源。它稳压范围宽,交流市电频率50Hz/60Hz,电压176V~260V都能正常工作。电源效率高达80%左右,整机电功率为200W。电源采用TDA4605-3集成电路去控制开关调整管V901,因此电路比较简单。它没有完善的保护电路,一旦出现故障造成过载,立即进入保护状态,TDA4605-3停止输出激励脉冲,既保护了开关稳压电源本身,又使故障不致扩大造成更大损坏。
它主要由以下部分组成:
整流滤波部分:包括进线净化互感滤波器L904、L910、桥式整流堆BR901,开机冲击电源限流热敏电阻TH902、TH903等。
开关变压器T901。
开关调整管V901(场效应管H12N60F1)。
控制集成电路TDA4605-3(N901)。
稳压控制电路:误差取样放大V914、V905,隔离耦合放大N903;以及开关变压器T901的、组及其整流滤波电路等。
待机控制电路:V902、V913、光电耦合器件N902等。
保护电路:
保护电路除与待机控制电路共用V902、V913、N902外,还有:
+140V电源过流保护电路:V903(过流检测),V904、V912、V911(保护控制),可控硅V910等。
显像管束电流过流保护电路:V408、V912、V911、V910等。
+14V、-14V电源、音频功放、扬声器保护电路:V1002、V1003、V1006、V1007、V1004、V912、V911、V910等。
东西枕校电路保护电路:V912、V911、V910等。(张传轮)