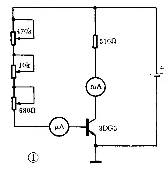
(沈长生)晶体管的电流放大系数β是指在共发射极电路中(如图1所示的电路)集电极电流的变化量和基极电流变化量的比值,即β=△Ic/△Ib(△表示变化量)。在这个实验中要用到两块万用表才能测量准确。一般无线电爱好者都只有一块万用表,为了做好本次实验,我们只要知道万用表电流挡的内阻就可以用一块万用表轮流去测各极的电流了。如果能找到现成的仪器(电桥)或请别人给测一下所用万用表的内阻就省事多了,否则应按本文下面介绍的方法测出万用表电流挡的内阻(不能直接用万用表电阻挡测量电流表的内阻,因万用表电阻挡,比如“R×1”挡回路中的电流一般都在100多毫安,很容易损坏被测电流表)。

一、实验器材
1.60mm×70m、厚1~1.5mm胶木板一块。
2.Ф2mm×30mm空心铆钉17个。
3.680Ω、10k、470k 1W电位器各一个。
4.3DG型(或9013、9014)三极管一只,β值为100左右。
5.1 1/8W固定电阻: 82Ω2只,510Ω、1k、5.6k、27k各一只。
6.10mm×20mm、厚0.5mm磷铜片两块。
7.5号电池一节。
8.单股塑料线50cm。
9.指针式万用表一块。
10.50~100μA表头一块(如不测万用表电流挡内阻,则不需要)。
二、制作实验板
参照图2,在胶木板上砸上15个铆钉,安装好三个电位器和电池卡子(具体安装方法可参照上期的电学知识小实验,如有上期所介绍的实验板,在本实验中可继续使用)。

三、测万用表电流挡内阻
我们根据电桥平衡原理,可按图3搭一个电桥电路,来测出自己的万用表电流挡内阻。

电桥平衡的条件是R1×R\(_{表}\)=R2×RX,此时微安表(可用万用表的微安挡)中没有电流通过。现在R1和R2为已知,且R1=R2=1.5kΩ,只要调Rx使电桥平衡(即微安表无电流指示),则此时测出的R\(_{X}\)值就是万用表电流挡内阻R表的阻值。这里R3是限流电阻。
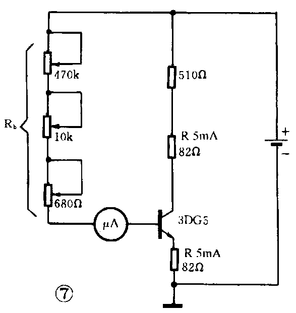
我们以U201型万用表为例,说明测量电流挡内阻的方法:按图3在实验板上搭好电路(实体连线图参照图4),当被测万用表置于50μA电流档时,R3取27kΩ,调整R\(_{X}\)(RX由实验板上的680Ω和10k电位器串联组成,调试前两只电位器均放在阻值最大的位置)使微安表指示为零,然后断开R\(_{X}\),测出其阻值为5.6kΩ,即为电流表内阻R表的数值。

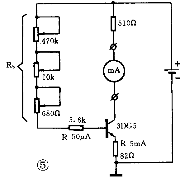
按同样的方法可测出万用表5mA电流挡内阻。这时R3取为1kΩ,测得Rx为82Ω。因此可知万用表5mA挡内组为82Ω。
四、测量晶体三极管β值
知道万用表电流挡内阻后,就可以用一块万用表轮流测试各极的电流了。当测某一极电流时,没接万用表的两极用等效电阻代替。否则在改换测量电极时,将会产生很大的误差。
按图5在实验板上搭好电路(实体连线图参照图6),调R\(_{b}\)(由470k、10k、680Ω三只电位器串联组成,调整前应都处在最大阻值位置)即调小470k电位器阻值,使Ic1(三极管集电极电流)为1mA。然后我们再按图7测得Ib1(基极电流)为19μA(不同的三极管此值不相同),按图8测得Ie1(发射极电流)为1.019mA。然后再按图5、图7、图8的顺序第二次调Rb使Ic2为1.5mA,测得Ib2为25mA,Ie2为1.525mA。




根据β=△Ic/Ib,我们把测得的数据代进去得:β=(1.5mA-1mA)/(0.025mA-0.016mA)=0.5mA/0.006mA≈84。
通过两次测量我们还验证了一个公式:
Ie=Ic+Ib。