两只电容器C1、C2串联接在100V的直流电源上(见附图),试问,电容器C1两端电压是多少?这个电压能否用电压表测量出来?

答案
两只电容器相串联时,每个电容器所带电量Q都相等,根据电容的定义得C1= Q/U1、C2=Q/U2。两式相除则U2/U1=C1/C2=200/300=2/3。故U2=2/3U1。因U1+U2=100V,故U1+2/3U1=100V,于是求出U1=60V。C1上的电压用电压表是测量不出来的,因为电压表的内阻不可能为无穷大,当电压表与C1并联时,就给C1提供了一个放电回路,储存在C1两极板上的电荷通过电压表的内阻得到泄放,所以C1两端的电压就变成了0V,此时100V的电源电压将全部加在C2上。(倪耀成)
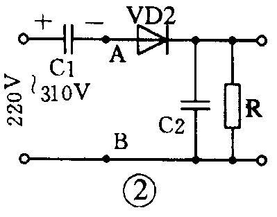
一个倍压整流电路(见图1),如果二极管VD1断路,输出电压是多少伏?为什么?

答案
二极管VD1断路时,输出电压将为0V。这是因为VD1断路后,电容器C1只有充电回路,没有放电回路。当接上220V交流电至输入端后,C1将在正半周时不断充电,其两端电压不断升高,直到等于交流电峰值电压310V为止,电压极性如图2所示。由图可知,C1上的电压将与交流输入电压的正半周相抵消(假设R比较小),A、B两点间电压总是小于或等于零,因此二极管VD2不能导通,也就没有电流流过负载电阻R,所以输出电压也等于零。(倪耀成)
