传统的可调式稳压电源大多是通过调节电位器的阻值改变输出直流电压,由于电位器容易磨损,长期使用产生接触不良,引起输出电压不稳定。本文介绍的数控式稳压电源(见图1)是通过轻触式按钮以步进方式选取不同的输出电压,输出电压及其工作状态由数码管显示,工作稳定可靠。

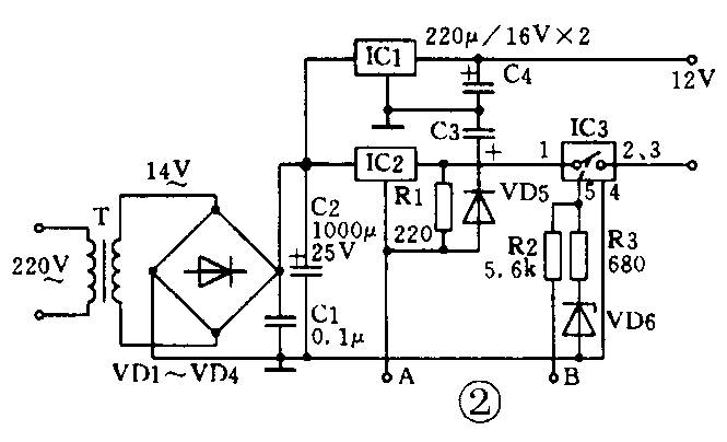
图2是辅助电源及稳压输出电路,图中由变压器T输出的14V交流电压经VD1~VD4桥式整流及C1、C2滤波,再经IC1(AN7812)稳压,在其输出端得到稳定的12V直流电压,作为电压选择及功能控制电路的工作电压。IC2(LM31)为可调式三端集成稳压器,IC3(TWH8778)为大功率开关集成电路。

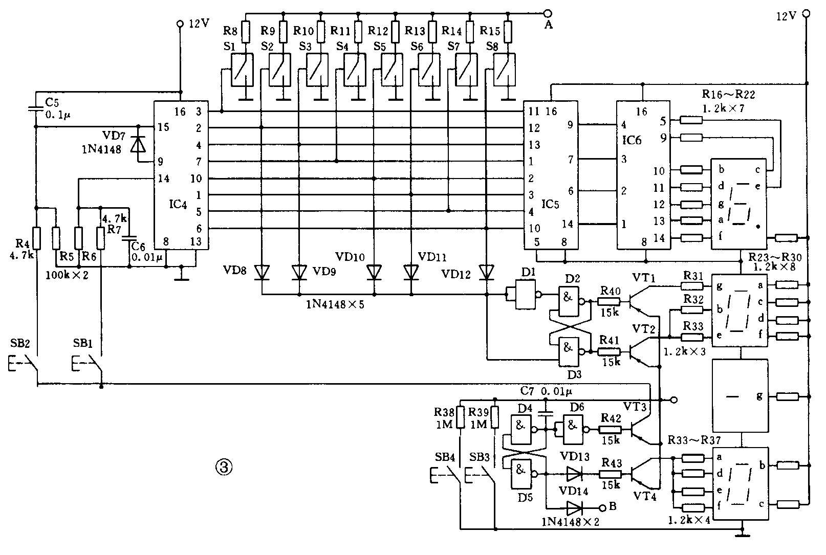
图3是数控式稳压电源的电压选择及功能控制电路,其中IC4(CD4017)、R4~R7、C6、模拟开关S1~S8、R8~R15、SB1、SB2构成步进式可变电阻产生电路,SB1为电压选择按钮,SB2为复位按钮。当十进制计数器CD4017的14脚输入时钟脉冲时,其输出端的3、2、4.7、l0、l、5、6脚依次输出高电平,使模拟开关S1~S8相应闭合,R8~R15依次被接入LM317的电压调整端,将R8~R15设置为相应的阻值,可使稳压输出电压依次为1.5V、2.OV、3.OV、4.5V、5.0V、6.0V、7.5V、9.0V,同时十进制BCD编码器C304将CD4017的8路输出端高电平与低电平的变化进行编码,BCD七段译码器C305译码后,驱动第1位数码管。而CD4017的2.4、10、1、6脚输出电平的高、低变化经二极管VD8~VD12使施密特触发器(D1~D3)的两路输出分别控制VT1、VT2的导通与截止,驱动第2位数码管使其显示0或5,这样就由第1位及第2位数码管完成了电压的显示。

由于电压显示是按顺序设定为1.5V、2.0V、3.0V、4.5V、5.0V、6.0V、7.5V、9.0V,所以编码器C304的5脚(输入端8)接地。另外,由SB3、SB4、D4~D6、VT3、VT4及第4位数码管构成开关选择及状态显示电路,其中开为1,关为0。图3中第1位数码管的小数点段,第2位数码管的a、c、d、f段,第3位数码管的g段,第4位数码管的b、c段均为常亮状态。
在开机的瞬间,由于12V电压对电容C7的作用,RS触发器中D5、D6均输出低电平,B点无电压输出,因此开关集成电路TWH8778处于关断状态,而三极管VT3、VT4则都处于导通状态,VT4的导通使“开关状态显示数码管”为0,VT3的导通使SB1、SB2的公共端为12V,SB1、SB2处于“允许”选择状态,同时通电瞬间C5产生的尖脉冲使CD4017的3脚输出高电子,模拟开关S1闭合,R8(1Ω)接入LM317的电压调整端,编码器C304的输入端11脚为高电平,经C305译码后第1位数码管显示1,而此时施密特触发器的输入端为低电平,D2输出低电平使VT1导通、VT2截止,第2位数码显示5,这样数码显示屏的内容为“1.5-0”。此时按动一下SB1,CD4017的2脚输出高电平,模拟开关S2闭合,电阻R9(68Ω)接入LM317的电压调整端,其输出端电压为2.0V,编码器C304的输入端12脚为高电平,C305译码后第1位数码管显示2,由于二极管VD8导通使施密特触发器输出翻转,D2输出高电平使VT1截止,D3输出低电平使VT2导通,第2位数码管显示0,这样数码显示屏为“2.0-0”,此时每按动一次SB1,CD4017的4、7、10、l、5、6脚依次由低电平变成高电平,模拟开关S3~S8依次导通,电阻R10(240Ω)、Rll(510Ω)、R12(5l0Ω+9lΩ)、R13(560Ω+240Ω)、R14(1k+68Ω)、R15(1k+330Ω)依次接入LM317的电压调整端,其输出电压则依次为3.0V、4.5V、5.OV、6.OV、7.5V、9.OV。在LM317输出电压按步进方式选择过程中,由于D5始终输出低电平,使电源开关集成电路TWH8778的5脚无控制电压,所以TWH8778始终无电压输出。
数控式稳压电源的使用很简单,假设调试某电路需要4.5V直流电压,此时只需按动SB1,当数码显示屏出现“4.0-0”时,再按动一下SB3,D5及D6均输出高电平,使VT3、VT4均为截止状态,数码显示屏为“4.5-l”,而电源开关集成电路TWH8778的5脚得到开启电压(2.6V)后其开关闭合,TWH8778的2脚(3脚)输出4.5V电压。由于VT3的截止,使SB1(电压选择)及SB2(复位)的公共端失去12V电压,起到了“禁止”电压选择和复位的作用,此时即使是误操作按动了SB1或SB2,TWH8778的输出电压也不会改变。
同样道理,当按动SB1改变TWH8778的输出电压时,只能在开关状态显示数码管(第4位数码管)显示为0时SB1、SB2才能起作用(其公共端有12V电压),所以此时即使是TWH8778的输出端接有负载,也不会对其产生影响,因为TWH8778的5脚失去开启电压。
元器件的选用:电源变压器的功率为 12W;VD1~VD4为IN5392; IC1为LM317; IC2为AN7812;IC3为TWH8778;稳压二极管VD6为2.4V;IC4为CD4017;模拟开关S1~S8为两片CD4066;IC5为C304;IC6为C305;Dl~D6为两片CD401l;VT1~VT4为9012;4只数码管均为共阴极(D300PK)。(张凤良)