水温降低到0℃附近,将由液态变成固态,流动的河水将产生水内冰(又称流冰或流冰花)。在冰形成的过程中,水温的变化很小,且其变化梯度(单位时间水温的变化量)遵循着特殊规律,因此需要高精度、带自动记录的水温测试仪表。笔者研制的NRG1A精密水温记录仪,其分辨率可达0.001℃,采用电位差计作为自记仪器,自动记录水温的微小变化过程,其记录精度为0.01℃,可以满足生产和科研部门的需要。
工作原理
NRG1A精密水温记录仪由探头。信号处理、温度显示器、温度记录、电源5部分组成。
l.探头
探头置于水中要求体积越小越好;为便于信号的传送,要求输出电阻大于1MΩ,确保传输线大于1km不致影响其测量精度;要有良好的线性关系曲线,以防止测量范围内的非线性失真;探头的温度—电参数转换精度要高。
本仪器选用温敏元件AD590I及有关元件组成探头。AD590I是电流型温度传感器,在工作电压4~30V内,能提供1μA/k的恒定电流;电流是随温度的变化而变化,电源电压对电流的影响甚微;生产厂家在生产过程中逐个进行293.2k校准,线性度较好,精度很高;它的使用范围在-55℃~+150℃,现只用gf-2℃~+20℃之间,所以其精度和线性度更有保证。
2.信号处理部分
工作原理见图1,探头与仪器的连线采用屏蔽线,可远传1km而不会影响测量精度,为提高测量的稳定性,屏蔽线的一端接地,并在仪器内再加滤波网络。取样电压由R1,R2,RP1组成的电路中取出(显示及记录的输入内阻远大于1MΩ,所以对来样电路影响很小)。R1,R2,RP1的等效电阻应为10kΩ,精度要求越高越好,电阻用金属膜电阻,为了确保调试精度,RP1用10圈电位器。

为实现绝对温标和摄氏温标的转换,UP5045的低电位输入端接2.732V。这样,UP5045两输入端就得到了以摄氏温度相应的电位差信号。为确保2.732V有较高的精度和稳定性,使用高精度的稳压源LM336-5。经LM336-5稳压后,在B点得到精密的5.000V的电压,经过电阻R4、RP3、R5组成的电路后,在C点得到2.732V的高精度电压,为保证精度,RP3采用多圈电位器。这样UP5045就得到了10mV/℃的电压信号,经过UP5045的电路对信号的处理,就可直接读出摄氏温度值,最小读数为0.001℃。显示范围为-19.999℃~+19.999℃。这里只用-2℃~+19.999℃。
A 点的电压信号另外送到自记电路的Rll上。VT3、VT4接成射随器以提高输入电阻,防止因放大器影响A点电压(这里输入电阻远大于1MΩ)。放大器的输出端接在XWCL-100的高电位输入端,XWCL-100的低电位端接在一个可调电压源,以便能在自记范围内记录水温差。D点电位是由B点高精密稳压源提供,并且受到RP4,RP5的控制。RP5是粗调电位器,RP4是细调电位器,D点电位同样经过VT1、VT2放大后,在射极输出,送往XWCL-100的低电位输入端,从而实现电位差的记录。
3.温度显示器
该部分要求能真实显示来自信号处理部分的电压信号(即反映温度的电压信号),显示精度在0.001℃;自身的温度稳定性要求要高;记录范围-2℃~+20℃。
显示器是4位半精密电压表UP5045,集电压的采样、模一数转换、译码、驱动及显示于一身,用来直接显示所测的水温,最小显示值0.001℃。在本仪器中用来显示测量水温的瞬时值,显示范围在-19.999℃~+19.999℃。
4.温度记录部分
要求记录的曲线清晰,与温度有着良好的线性关系。最小应能读至0.01℃,估读至0.005℃。记录部分是由XWCJ-100型电位差计完成水温的记录任务,它是一种定型产品。被测值(电动势信号)通过滤波单元进入仪表的测量电路。经过放大器放大后驱动可逆电机,带动指针和记录笔运动,记录下被测参数的值。它的输入端与信号处理部分的输出端连接,用于记录被测信号(水温)的大小。
5.电源
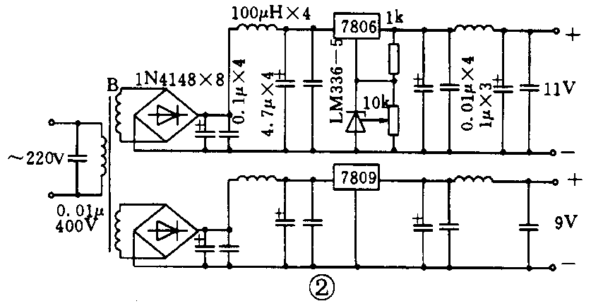
由于要求仪器有较高的灵敏度,所以对电源要求也较高,电源电路见图2,为提高探头的供电电压质量,采用独立供电方式,并且探头供电电源采用精密稳压源LM336-5和稳压集成电路7806,两组电源均采用两套π型滤波,直流电压相当稳定,杂波成分很少。llV为测温探头电路供电,9V为显示电路供电。

整机电器参数附表。

使用
1.先打开NRG1A电源开关,指示灯发光,打开电位差计的电源开关,5分钟后便可投入正式工作。
2.根据显示温度,调整“粗调”旋或使电位差计记录笔落在适当的位置。然后调整“细调”旋钮使笔准确地落在记录纸的整格上,并注记当时显示的温度及当时的时间。
3.打开电位差计的“记录”钮,记录走时开始。至此整个温度仪系统处于工作状态。
4.根据初始及终了温度(显示的值)及记录纸上水温差的记录过程,可推求任何时间的温度。
5.为确保摘录的精度,记录纸最大记录范围为l℃(这时可直读0.01℃,估读0.005℃),所以要注意及时调整笔的起始位置。(张广海 崔传杰 闫永新 郭立新)