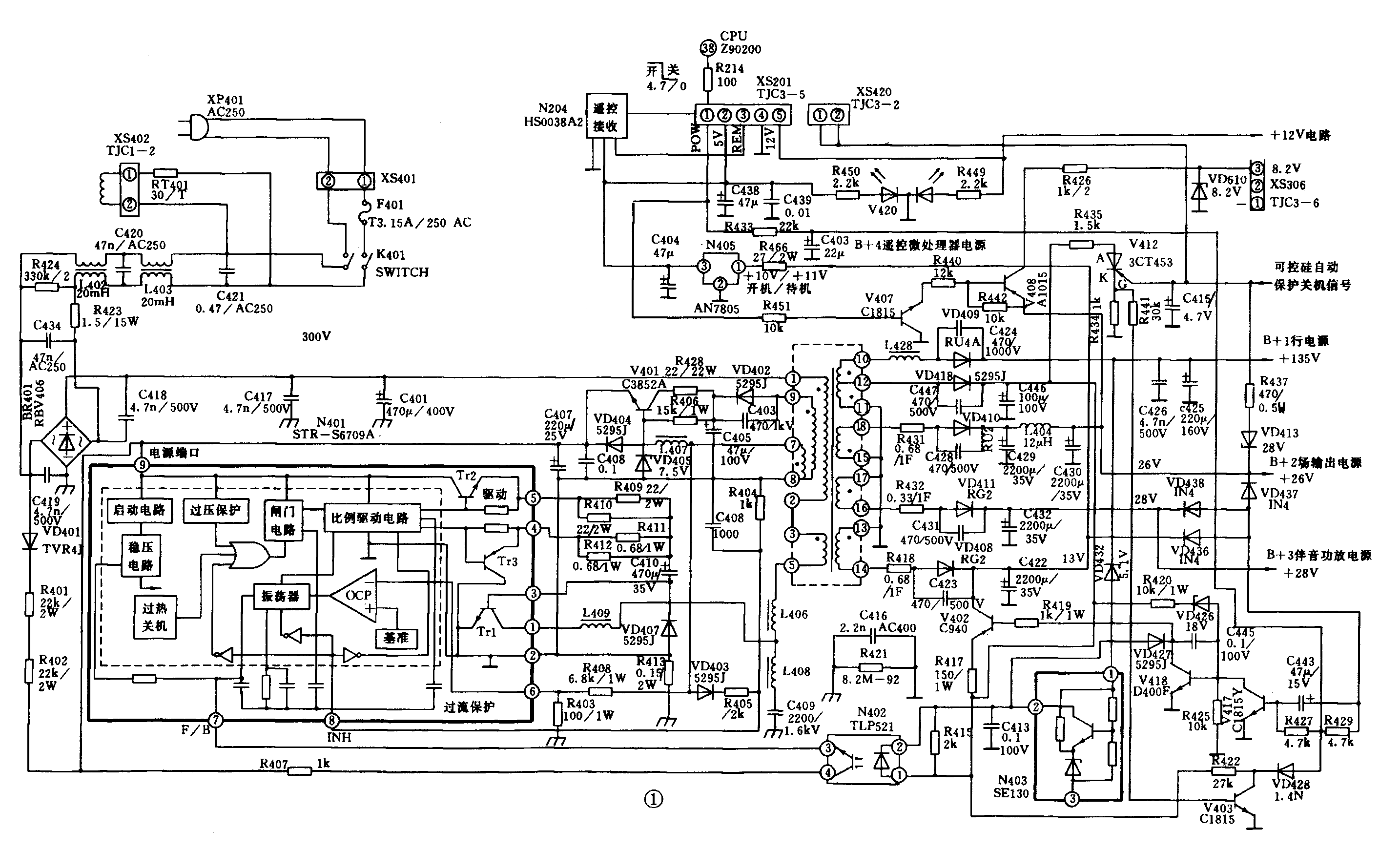
(张传轮)康佳P2989N、P3493N等型号的镜面彩电以及超平直角管T2992N等型号的彩电,均采用SANKEN(山肯)公司最新生产的STR-56709A型厚膜电路及外围元器件组成的开关稳压电源电路。不仅具有外围元件少的优点,同时还具有效率高,输入电网电压适应范围宽,稳压效果好、重量轻、体积小、保护电路齐备、安全性能好、机内温升低、故障率低等优点。图1给出本开关稳压电源电路图,表中给出各晶体管各极电压及对地电阻值,图2给出彩电产生三无故障时,电源检查流程图。供维修人员在检修此类彩电时参考。




说明:
本开关稳压电源电路应用于下列机型:
29英寸镜面彩电有:P2987N、P2989N、P2992ID、P2999ID
29英寸超平直角管彩电有:P2900NI、T2990C、T2990NT、T2992N、T2999、T2992ID、T2989N2
34英寸镜面彩电有:P3493N
34英寸超平直角管彩电:T3477N2、T3487N、T3498ID、T3498N
38英寸超平直角管彩电:T3877N2
25英寸超平直角管彩电:T2588N2、T2589N2
预计还有更多型号的康佳大屏幕彩电都针使用本开关稳压电源电路。