问:市售的有线电视插座多为双孔,一孔标为TV,另一孔标为FM,应如何使用?(广东连州市 成立)
答:市售的双孔有线电机插座,标明TV的插孔为接电视机的天线插孔;标明FM的为调频广播信号输出插孔(有的电视机或音响设备中也设有相应的调频输入插孔)。目前FM插孔大部分无信号输出,多为预留插孔,今后在条件成熟时才会发送信号。
下图为一种有线电视双孔插座的原理图,供使用时参考。(沈征)

问:袖珍立体声录音机上用的立体声耳塞机阻抗是多少?如何测量其阻抗值?(西安 钱齐)
答:一般立体声耳塞机的阻抗为32Ω,通常是在1kHz频率下测出的。在业余条件下可按下图进行测量。先将开关S接在A处,记下交流电压表的读数,然后把开关拨到B处,调节电位器RP使交流电压表的读数与S在A处时相等,此时测出电位器的阻值即为耳机的阻抗。

另一简单方法就是用万用表电阻挡直接测量耳塞机的直流电阻,再乘上一个系数(1.25~1.5)即为交流阻抗。因不同耳塞机的产品所用漆包线规格不同,所以所乘系数也应有所不同。因乘多少系数不好掌握,只能进行估测,但有一点是肯定的,所测耳机的直流电阻值总是比交流阻抗低。一般交流阻抗为32Ω的耳塞机其直流电阻为21Ω~23Ω。(沈征)
问:我在很多书上看到变压器有单双输出之分,不知它具体的意思是什么,例如标称8W双9V的变压器是否可以理解为输出两组9V每组8W功率的变压器?我有一个标称“9V、350mA”的整流器,其功率是否为P=U·I=3.15W,能否用在一个规格为“9W、9V”的功放上?(辽宁 丁乙平)
答:电源变压器8W双9V指的是总功率为8W,而不是每组9V都能输出8W。同样是8W的变压器,如果是双9V输出的,其线圈所用的漆包线直径比单9V输出的要细。双绕组输出主要用在全波整流电路中。它还可以提供9V和18V两种电压输出。
另外你所说的9V、35mA的整流器,确实只能输出3.15w,不能用在9W、9V的功放电路中,因为9W、9V的功放电路要求最大供电电流为1A,所以9V、350mA的整流器是不能胜任的。(沈长生)
问:整流全桥(桥堆)广泛用于电源整流,其4条引脚如何判别它们的极性?请介绍方法。(江西 李克用)
答:用万用电表可测出整流全桥各脚的极性,方法是:将万用电表置于R×1k挡,黑表笔接桥堆的任一引脚,红表笔分别测量其余三根引脚。如果测得结果都是∞,则黑表笔所接的引脚为桥堆的输出正极,如果测得阻值为4kΩ~l0kΩ,则黑表笔所接的引脚是桥堆的输出负极。剩余的两根引脚是桥堆的交流输入端。(倪耀成)
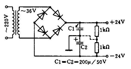
问:我按附图所示电路装了一台整流滤波电源,正、负电压输出不对称,而且相差很大,怎样解决?(天津 海河)
答:这个电路中,由于电源变压器次级没有中心抽头,“地”是浮置的,正、负电压靠电容器分压产生。这里使用的大容量电解电容器C1、C2,它们都有较大的漏电电流,且每个电容的漏电电流值往往很不相同,漏电电阻可能相差很大。因此靠电容分压,实际上是靠它的漏电电阻分压。既然两个电容器的漏电电阻不相等,必然会造成正、负输出电压不对称。若按图中虚线在C1、C2两端分别并联一个功率1W~2W的1kΩ电阻,由于它们的阻值远小于电容的漏电阻,这时将靠这两个等值电阻分压,所以输出的正、负电压值就对称了。(倪耀成)

问:晶闸管(可控硅)使用比较广泛,请问如何识别它的管脚?(吉林 金志浩)
答:因生产厂家不同,晶闸管的封装也各异,管脚的识别可用下述方法:先用万用电表R×l挡测量三脚之间的阻值,阻值小的两脚分别为控制极和阴极,所剩的一脚为阳极。再将万用表置于 R×10k挡,用手指捏住阳极和另一脚,且不让两脚接触,黑表笔接阳极,红表笔接剩下的一脚,如表针向右摇动,说明红表笔所接为阴极,不摆动则为控制极。(倪耀成)
问:我在使用74系列集成电路时,看到同一种功能(如标号164)的有74LS,也有74HC等等,它们有什么区别?(河南 李平)
答:74系列集成电路大致可分为6大类:74××(标准型); 74LS××(低功耗肖特基);74S××(肖特基);74ALS××(先进低功耗肖特基);74AS××(先进肖特基);74F××(高速)。近年来还出现了高速CMOS电路的74系列,该系列可分为3大类:HC为CMOSI作电平;HCT为TTL工作电平,可与74LS系列互换使用;HCU适用于无缓冲级的CMOS电路。这9种74系列的产品,只要后边的标号相同,其逻辑功能和管脚排列就相同。根据不同的条件和要求可选择不同类型的74系列产品,比如电路的供电电压为3V就应选择74HC系列的产品。(沈长生)