(沈长生)电容器在电路中的主要作用就是充电与放电。为了使初学者直观地了解电容器的充电过程和放电过程,加深对电容器特性的认识,可以自己动手做做下面的实验。
一、实验所用器材
1.46线电路实验板(俗称面包板)一块,型号为SYB-46,外形见图1。

2.6V电池盒(含4节5号电池)一个。
3.发光二极管(φ5,红色高亮度)3只。
4.电阻器 1kΩ1/8W3只、10kΩ1/8 W1只。
5.电解电容器1000μF16V 2只、220μF16V 2只、2.2μF16V1只。
6.单股导线(导线内铜丝直径0.5mm)1m。
二、介绍电路实验板
前几次电学知识小实验用的实验板都是采用绝缘板,用螺钉和导线连接电路,虽然这种方法简单、直观,却只适用于比较简单的电路。比较复杂的电路就要用图1所示的电路实验板进行实验。实验板上有很多插线的小孔,如同掰开的面包一样,所以称它为面包板。这种实验板上边各个坚列的A、B、C、D、E5个小孔是相通的,下边各个坚列的F、G、H、I、J5个小孔也是相通的(见图1)。本实验用的实验板上下一共有46列,所以叫46线实验板。在实验时一定要弄清实验板的结构,否则电路很容易装错。这种实验板自制很困难,可到电子市场购买。
三、实验方法与步骤
第一步:观察电容器的充电与放电
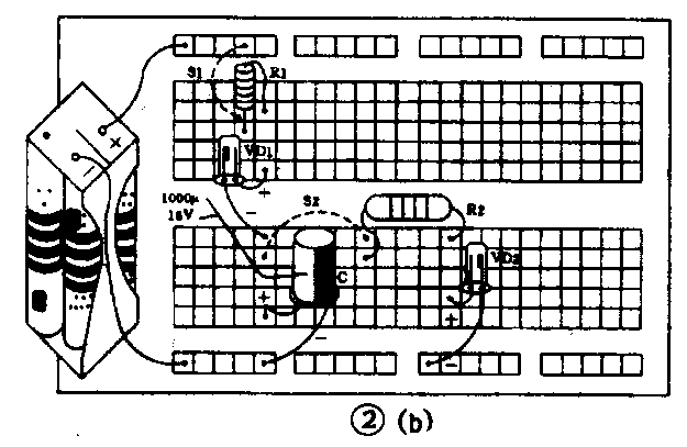
1.在实验板上按图2(a)搭接电容器的充电、放电电路,图中的开关S可用单股硬塑料导线代替(铜丝直径0.5mm左右),连接电路时也用单股硬导线(铜丝直径0.5mm左右)。把塑料导线两端剥出1cm的铜丝,线头最好剪成45°角,这样容易插入实验板小孔。电路连接情况可参考图2(b),注意电容器和发光二极管的极性不要接反。


电路搭好后,先接通S1,同时立刻观察发光二极管VD1的亮度变化,将会看到VD1由亮逐渐变暗,一会儿就不亮了。VD1发光说明电容器在充电,有充电电流流过,当电容器上的电压充到等于电源电压时,电路里就没有充电电流,VD1也就不亮了。
2.断开S1再接通S2并立刻观察发光二极管VD2的亮度变化,将会看到VD2亮一下后就灭了,VD2发光表示电容器放电过程中有放电电流通过VD2;当电容器储存的电荷全部释放,VD2也就不亮了。
第二步:观察电容器充电与RC的关系
1.先按图3~图5的顺序搭好电路(电源公用),再分别接通S,观察每个电路中VD发光时间的长短,如果一次没看清可把电容器充上的电放掉(用一根导线把电容器两端接通一下),再重复上述实验。实验结果应如表1所示。



表1 同电阻不同容量的电容器充电过程
R=1kΩ VD亮的时间
1000μF 长
220μF 短
2.2μF 特短
2.按图6、图7的顺序接好电路(可在图3~图5电路基础上改接),然后分别接通S,并观察每个电路中VD发光的时间长短。实验结果应与表2所列一样。


表2 同容量不同电阻的充电过程
C=220μF VD亮的时间
1kΩ 短
l0kΩ 长
第三步:观察电容器放电与RC的关系
电容器的放电快慢也与R、C的数值有关,实验电路见图8,画虚线的元件表示顺序接入电路中,不是一起插在电路中。实验操作方法和图2充放电实验相同,比如先接图8虚线中的2.2μF电容器和1kΩ的电阻,然后接通S1给2.2μF电容器充电,断开S1再接通S2使2.2μF电容器通过1kΩ电阻和VD2放电,观察VD2发光时间的长短,然后拆下2.2μF换上220μF再做上述实验,观察VD2发光时间的长短,以下的顺序是拆下220μP换成1000μF;拆下100μF和1kΩ换上2.2μF和10kΩ;拆下2.2μF换上220μF(l0kΩ电阻不动);拆下220μF换上1000μF,一共6次充放电的实验,这6次中主要观察VD2亮度的变化,总结出电容器放电过程与R、C数值的关系,读者可仿照表l、表2做出两张实验表。

第四步:用电容器获取高压的实验
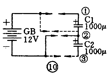
为使实验效果明显,实验电源最好高一点但不应高于36V(安全电压),如使用一组12V的电源,先按图9给一个1000μF的电容器充电,然后再把1000μF电容器的两根引线端部直接碰一下,观察放电时的火花情况。再按图10把两个1000μF电容串联起来,然后分别给两个电容器充电(即按实线箭头给C1充一次电,然后再按虚线箭头给C2充一次电),两个电容都充好电后把两个串联电容的①、③端碰在一起,观察放电时的火花情况。实验结果应是第二次放电的火花比第一次放电火花强,因为第二次两个电客串联后充上的电压是两个电容充上的电压之和,高于单独一个电容充上的电压,所以放电现象明显。

