养鱼的人都喜欢把鱼缸装饰得贴近自然界,例如,在鱼缸里放进假山、塑料水草,背面贴上海底图样,铺上小石子等。为了增加动感,还会放进装有彩灯的塑管,然而美中不足的是,灯光单调,变化不多,容易使人乏味。下面介绍一种电路,其特点是使彩灯变化多端,红(R)、橙(O)、绿(G)三色光交错变化,且点亮时间各有长短,很难看出其变化规律。它能使鱼缸中的假山、水草、甚至金鱼都染上色彩,使增氧气泡成了变化的彩色气泡,给鱼缸增添了多变的动感。尤其在夜间,色光明暗,更显趣味,极富诗情画意。
电路原理
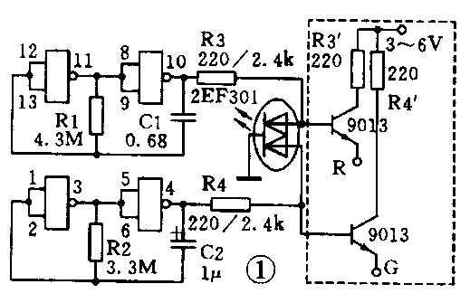
电路如图1所示,数字集成电路CC4011B是四2输入与非门电路,管脚排列见图2,利用其中两个门可以组成一个无稳态振荡器,其中一个振荡器输出端接双色发光管的红光(R振荡器)。另一个振荡器输出端接绿光(G振荡器),这种振荡器只要接线无误,就容易起振,占空比为50%,振荡器周期都在4~5s之间,周期长短不会影响耗电量,两个周期之差约0.3s。R振荡器按其周期输出高电平时发红光,低电平时灭,是红光—灭—红光……。G振荡器则是绿光—灭—绿光……。由于红光周期与绿光周期不等,肯定会出现4种状态:红光、绿光、橙光和不发光,两个振荡器都输出高电平时,同时发红光、绿光,呈现橙光,都输出低电平时,是灭状态,从图3两个振荡器的输出波形上能清楚地看出它们的色光,亮灭的无规律变化,时长时短。其实这种变化仍具规律性,当振荡器周期非整数时,色光变化的周期很长,我们根本无法意识到。



元器件选择
数字集成电路采用国产CC4011B,也可用CD4011B或MC4011B替换,它们的管脚排列相同。电源电压3~6V,由于工作电流很小,电阻用1/16W炭膜电阻,电解电容器用小型耐压6.3V的,发光二极管选用2EF301,是共阴双色发光管,用其它型号也可以,最好是高亮度的。印制电路见图4。

电路调整
双色发光管的发光亮度通过限流电阻R3、R4来调整,使其基本同亮。振荡器的振荡周期决定于回路的电阻R和电容C, T=2.2RC,调整R1、 R2能改变R振荡器和G振荡器的周期,如按电路图上提供的数据安装,则I\(_{R}\)=IG=8.7mA,T\(_{R}\)=4.7s,TG=5s。若鱼缸较大,一只发光管亮度肯定不够,要增加一级跟随,电路如图1中虚线框内所示(此时应去掉基极的发光二极管)。R3、R4改用2.4k电阻,限流电阻改接在R3′、R4′上,其输出端(发射极)可以并接二十几只发光管,效果将更明显。
本电路制作容易,元件好买也便宜,感兴趣的读者不妨一试,一定能成功。即便不养鱼,做一个放在书架上,也是那么神奇雅致!(罗伟)