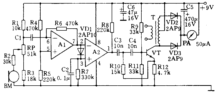
现在,很多电视台的综艺节目都有现场观众打分,观众的掌声响度决定了参赛者的分数。本文介绍的掌声测量仪是测试掌声响度的一个新颖实用的电路(见图1)。观众掌声热烈程度由灵敏电流表显示出来,而对讲话、喧哗等其它较低频率的音频信号该电路不会有反应。

电路工作原理:音频放大部分由驻极体话筒BM,A1、A2双运放及外围阻容元件组成。C3、C4、R10、VT、T等元件音频选通放大器。不同频率的音频信号经BM变成电信号后,通过电容C1耦合到A1放大器的反相输入端进行放大,然后从A1的⑦脚输出电压。A2运放构成反极性电压比较器,C2、R7提供基准电压,当A1输出的电压低于A2的基准电压时,A2的①脚输出放大的高电平信号,此信号经C3、C4、R10组成的高通滤波器滤除3kHz以下的信号后送到VT组成的放大电路进行放大,电路中采用了交流负反馈电路,用来稳定放大电路的增益。
T为小型晶体管收音机的输出变压器。无信号输入时,R9、Rll为VT构成一固定偏置,VT处于微导通状态,T中线圈电流的变化量为零,T不会产生自感,VDl、VD2截止,PA上无电流流过。当有一高频交流信号到来时,在信号的正半周,由T产生上正下负的自感电动势,但VD2导通,信号的负半周,VD3导通,通过C5的作用,将VD2、VD3检波后的波形进行滤波,使单向脉动电流变得更加平滑,以便从灵敏电流计PA上显示出被放大的稳定的高频信号。RP为可调电位器,用来改变声源的强度和距离,达到调整声控灵敏度的目的。
元器件选择:运算放大器选用LM358,也可用LM4558双运放代用(静态工作电流稍大些)。晶体管VT为90l4,T为小型晶体管收音机的输出变压器,BM选用CN-15E或阻抗为1kΩ的其它驻极体传声器,PA选灵敏度为50μA的电流表表头,也可用普通电压表改制,将电压表中串联的限流电阻去掉即可进行代换。电源选用9V叠层电池,或用稳定电源供电。(张伟)