植物缺水报知器
电路用途:此电路可用于花盆中缺水报警。
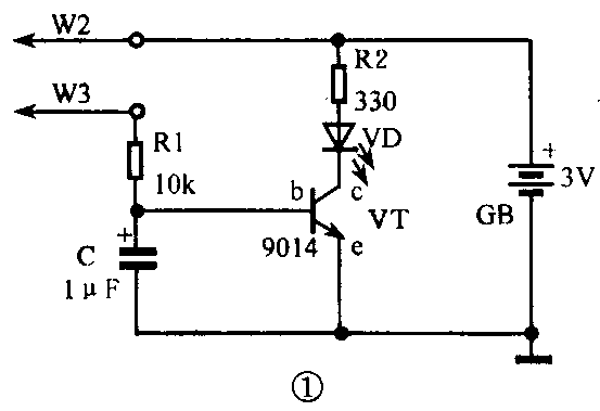
工作原理:如图1所示,当W2及W3两线端的电阻较小时(即有水时)则电容器C充电,使三极管VT导通,发光二极管VD发光,反之两线端的电阻很大时(即干燥时),则电容器不能维持到足够高电压,则三极管VT不导通,发光二极管熄灭。

实验方法:按图2接好电路,再将W2及W3两引线浸在水中,发光二极管VD就会发光。W2及W3两线端离开水发光二极管VD就不会发光。可将本电路用于植物种植中,把W2及W3两线端插入植物的泥土中,可监测泥土缺水的情况。

触控灯
电路用途:此电路可用作触摸开关。
工作原理:如图3所示,电路中VT1与VT2组成共发射极的级联电路,输入阻抗很大,只需要很小一点基极偏置电流即可使三极管VT1及VT2导通,发光二极管VD发光。即(W1)及(W2)两线端电阻较大(用手摸时)也能使三极管导通,灯亮。

实验方法:按图4接好电路,用手触摸W1及W2两线端VD就会发光;放开手VD不会发光。由于人体有电阻,触摸时,使三极管VT1得到偏流导通,从而VT2也得到偏压导通,二极管VD发光。

变音警号
电路用途:此电路可用于变音警号报警器,可以更引起人们的注意。
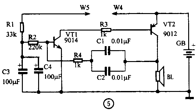
工作原理:如图5所示,此电路与电子警号电路相似,只是在电阻R1下端接入大电容C3、C4,在加电时C3、C4两端没有电压,VT1截止,VT1、VT2不能振荡,没有警号声,当W4、W5相碰,C3、 C4经R1充电到0.5以上时,使VT1基极电位提高,电路振荡,扬声器发出警号声,在振荡中C1、C2经扬声器、电源、R1、R2、R4放电,C3、C4电容上电位高低又反回来影响VT1的导通时间,因此形成声音不断变化的警号声。

实验方法:按图6接好电路,通电并使W4、W5相碰后,振荡器会发出不断变化像警号一样的声音。改变C1~C4的容量或R1~R4的阻值都会使声音变化。

声控灯
电路用途:本电路可用于声音控制亮灯及玩具的动作等。
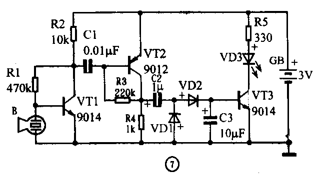
工作原理:如图7所示,电路由三极管(VT1、VT2)二级阻容耦合共发射极低频放大器、二极管(VD1、VD2)整流器和三极管VT3共发射极直流放大器组成。当耳塞受到振动时,产生微弱的音频信号,经三极管VT1放大后,由C1耦合到三极管V12进一步放大,(注意:VT1是NPN型三极管,VT2是PNP型三极管,集电极、发射极接电相反)然后通过C2耦合到二极管VD1、VD2整流,C3滤波,再送到三极管VT3的基极,当有信号时,三极管VT3导通,发光二极管VD3发光,当无信号时,三极管VT3截止,发光二极管VD3不发光。由于C3经VT3基极、发射极放电要延续一段时间,所以即使无声音后,还要经过一段时间灯才灭。

LL实验方法:按图8接好电路,接通电源后,触动耳塞(或对著耳塞讲话)时,发光二极管VD会闪光,增加C3的容量可以使灯亮时间加长。
