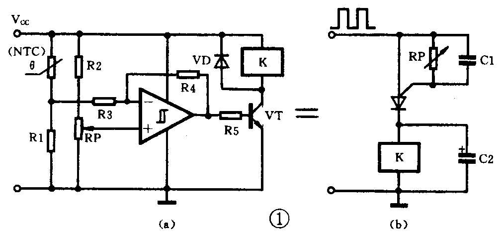
本文将介绍一种新型可调整设定温度的温度开关TTS-200系列及其应用电路。图1(a)为常见的开关型温度控制电路。它由负温度系数(NTC)热敏电阻温度传感器、可调整开关温度的电位器RP、有滞后特性的电压比较器、晶体管驱动器及继电器等组成。若采用新型温度开关——温控晶闸管组成功能相同的电路则简单得多,见图1(b)。在图1(b)电路中,温控晶闸管同时起到温度传感器、电压比较器及驱动器的作用。

TTS-200系列温控晶闸管
TTS-200系列温控晶闸管是一种新型开关型温度控制器件(温度开关),也是一种特殊的晶闸管(单向晶闸管)。它既有与一般单向晶闸管不同之处,也有与一般单向晶闸管相同的特性。它与一般单向晶闸管不同之处是无需外加触发电流使其导通,而是受温度控制:当温度低于开关温度(或称阈值温度)时,温控晶闸管截止;当温度达到或超过开关温度时,温控晶闸管导通。与一般单向晶闸管相同的是一旦温控晶闸管导通后,只有导通电流降到维持电流以下才能关断。另外,一般的单向可控硅是P型控制极(阴极侧受控),其电路符号如图2(a),而本文介绍的温控晶闸管为N型控制极(阳极侧受控),其图符如图2(b)。

开关温度T\(_{SW}\)与控制极电阻RGA的关系
TTS-200系列分为TTS-201、TTS-202及TTS-203三种,其区别仅仅是开关温度T\(_{SW}\)的范围不同;TTS-201为60℃~120℃;TTS-202为10℃~100℃;TTS-203为-40℃~30℃。
开关温度T\(_{SW}\)主要由控制极电阻RGA来确定,另外与工作电压V\(_{D}\)也有关。3种不同型号温控晶闸管的TSW与R\(_{GA}\)及VD的特性曲线如图3所示。由图3可看出:温控晶闸管的开关温度T\(_{SW}\)与控制极电阻RGA的对数近似成反比例关系,在V\(_{D}\)一定时,电阻值越大,其开关温度就越低。

温控晶闸管的基本工作电路如图4所示。C\(_{GA}\)防止干扰的电容,RGA是控制开关温度的电阻,R\(_{L}\)为负载电阻。VD是工作电压。当温度未到达开关温度T\(_{SW}\)时,温控晶闸管截止,VO输出低电平;当温度达到或超过开关温度T\(_{SW}\)时,温控晶闸管导通,VO输出高电平。

需要说明,由于开关温度也与V\(_{D}\)有关,为保证开关温度的稳定性,VD必须稳定;由于器件在生产上有一定的离散性,按图3求出的产R\(_{GA}\)与实际开关温度TSW可能有一定的差值,因此要达到较精确的开关温度,R\(_{GA}\)需作适当的调整(RGA采用电位器)。
TTS-200系列主要特点与应用
TTS-200系列主要的特点有:工作电压范围宽(从1.25V~50V);兼有温度传感器和具有较大驱动负载能力的开关功能,使电路较简单;可方便地连续调节开关温度;无机械触头,工作可靠性高、寿命长;抗外界磁性干扰;体积小(TO-92封装),热响应性能好(在水中小于3秒,在空气中小于20秒);阈值温度重复性好(典型值±0.5℃)。
由于该系列具有上述特点,因此在温度控制、过温保护及超温报警等领域获得广泛的应用,特别是在家用电器产品的温度控制方面有诸多的应用。例如,电热毯、电热水器、洗浴水加热器。暖风加热器、电熨斗、电吹风、电饭煲、冰箱、空调器等。采用TTS-200来控制温度不仅电路简单、成本低,并且可提高产品的使用性能。在工业上除了可用于恒温箱、老化箱、发酵罐等温度控制外,还用于电机、变压器、计算机、电源。充电器等产品的过温保护。例如应用在仪器中,当超过一定温度后会自动接通降温风扇,电路简单,可减少能源消耗,延长风扇寿命。在农业上可用于温室栽培花卉及蔬菜、电孵化器、蔬菜水果保鲜、肉类产品等冷冻或冷藏等。
TTS-200系列主要参数
TTS-200系列与一般单向可控硅一样有极小的反向漏电流(<0.5μA)及关态漏电流(典型值为几十微安),小于100μA的维持电流,正向压降在1V左右,最大为1.6V。主要参数见附表。

TTS-200系列采用TO-92封装,管脚排列如图5所示。

TTS-200系列供电电路
为了使温控晶闸管在超过开关温度时导通,在降到开关温度后又自动关断,需要采用过零的脉动直流或脉冲来供电。一般采用市电供电来控制较大功率的负载,直接采用市电利用电容降压的方式组成供电电路较为方便,如图6(a)所示。根据电路需要的工作电流来选择电容C的容量(C的耐压应大于400V),根据电路的工作电压来选择稳压二极管VD的稳定电压值V\(_{DZ}\)。输出的电压波形如图6(b)所示。此电路通电后切勿用手接触。

若用直流电源,可用两个反相器或NE555组成多谐振荡器电路来供电。
应用电路
1.与单片机接口电路
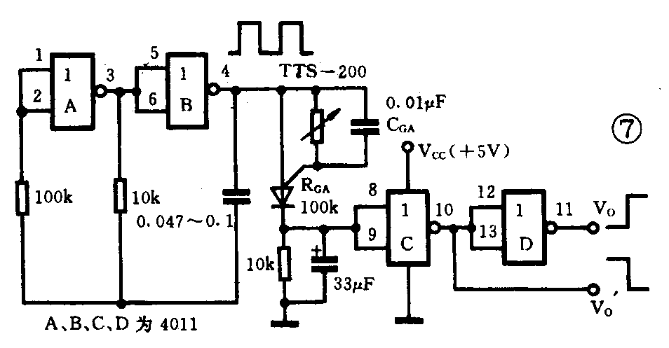
图7是一种温度开关与单片机接口电路。由1/2 4011的A及B组成多谐振荡器,输出脉冲供TTS-200作电源,C、D接成反相器用于整形。当温度低于设定的开关温度时,V\(_{O}\)输出低电平;当温度超过开关温度时,VO输出高电平(V′\(_{O}\)与VO反相)。电路采用5V电源,可与5V供电的单片机I/O口直接接口。

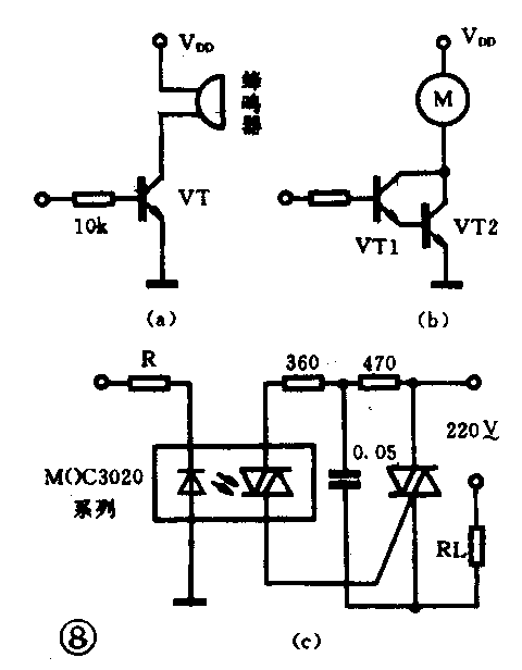
图7的电路也可与图8的a.b.c电路连接组成超温报警电路、超温接通散热风扇电路及连接光电耦合器(MOC3020系列),来驱动大功率双向晶闸管电路。

2.直接控制继电器电路
图9是一种直接控制继电器电路。采用型号为SRUDH-SS-l09D1的9V继电器(6V工作电压就能可靠吸合,工作电流20多毫安),其触头容量在240V交流时可达10A(可带2kW负载);若采用RL20lN-700干簧继电器(仅有一常开触头),4V即可靠吸合,电流小于l0mA(采用6V电源)。与继电器并联的33μF电容用于消除TTS-200导通及断开时继电器可能产生的触头抖动。

可以根据维电器的工作电流选降压电容C1,可以根据继电器的工作电压选稳压二极管(稳压二极管的稳压值要比继电器工作电压大1V~2V)。继电器吸合与释放有l℃~4℃的回差,这与C2大小有关,如图9右边所示。
3.加一个三极管的控制继电器电路
图9的电路虽然能直接驱动小型继电器,电路简单,但在TIS-200导通、关断时,继电器触头有瞬间抖动。若继电器工作电压低,吸合电流较大时,温度开关会受自热效应的影响而影响控制精度。图10是一种改进的电路,它不仅可减小通过温度开关的电流,并且可以消除触头抖动。

若要驱动更大的负载并采用无触头的双向可控硅开关元件,可用图11的电路来代管图10中继电器。MC3041是有过零触发的光电耦合器,可根据负载R\(_{L}\)来选择合适的双向可控硅。

图11中的R值取决于图10中的稳压值V\(_{DZ}\)及流入MC3041的电流值,一般流入MC3041的电流取l0mA;β>150时,R≈(VDZ-1.7V)/l0mA。
4.低电压电源报警电路
油库工作区要求工作电压≤1.25V,图12是满足这种要求的超温报警电路。一旦温度超过开关温度,温控晶闸管导通,R1上产生的电压降给VT加上偏压而使VT导通,光电耦合器中的LED亮,光电三极管导通,由R3输出超温报警信号。这电路的特点是传输线长达l00m,TTS-200无触头,保证油库的安全。

TTS-200系列的调整
为保证温度开关的阈值温度,需要调整R\(_{GA}\)值。调整时要根据对它的精度要求来选择温度计或温度传感器,调整是好在恒温水槽或油槽中进行。达到开关温度时,调整RGA,使TTS-200导通即可。若温度开关采用TTS-202,其阈值温度要求精度为±3℃时,可采用LM35D温度传感器,其电路见图13。

Ⅰ、Ⅱ分别为电源及温控电路,Ⅲ为测温电路。LM35D的工作电压为4V~20V,故可直接用温控电路的电源,但要加一个隔离二极管及平滑电容C。LM35D测温范围4℃~100℃,输出电压直接与摄氏温度成比例,灵敏度为l0mV/℃。输出电压接2V直流电压挡数字万用表,可读出分辨率为0.1℃的温度读数。如表上读数为287mV,即温度为28.7℃。LM35D的精度典型值为±l℃,其线性精度较好(典型值为±0.2℃),故在要求较高时可与精度为0.l℃的标准温度计在两个点上校正,并做出修正值,可满足±3℃的精度要求。
LM35D为TO-92封装,管脚排列见图14。

调整前可将TTS-200与LM35用机械方法或用一点502胶粘在一小型散热片上,如图15所示(TTS-200及LM35D要用导线引出)。在水槽或油槽缓慢地进行加热或冷却,根据LM35D的指示温度来调整R\(_{GA}\)即可。

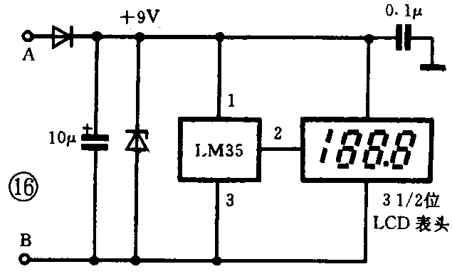
若将图16电路代替图13中AB点右边电路,则可简单地组成温度测量及控制电路,它可以用于恒温箱、冷库及保温箱等产品中。

有关本文介绍的温度开关的供货信息,请参见本期广告第2000-1-1页。(方佩敏)