TB1238AN是东芝公司近期推出的I\(^{2}\)C总线控制彩电单片集成电路。采用了BICMOS技术,双排直插式塑封结构,很少外围元件,全免调试。单晶体/多制式,全I2C总线控制。TBl238的方框图见图1。TBl238与TB1231引脚相同,但TB1231还需要AFT和RF AGC人工调整,而见1238已为自动调整。在性能上,又得到进一步提高。

一、TB1238的特点
1.图像中频部分
这部分的特点有:内载波接收输入、双重时间常数IF AGC、总线控制PIF VCO、总线控制RF-AGC、锁相环SIF解调(多制式SIF,无线圈,4.5MHz~6.5MHz)。其中的总线控制RF-AGC和PIF VCO使得机心免除调整中频变压器、中频曲线等等,从而使电路简捷稳定。
2.视频部分
这部分采用了多种画质改善电路,以提高收视效果。如黑电平延伸、孔阑补偿、r校正、延迟线型清晰度控制等,其中黑电平延伸的程度和起始点可以根据爱好而任意设定,这是其它传统的IC没有的功能。TB1238将此功能集成到内部,使外围电路极为简化。TBl238在视频部分的再一个重要特点是内藏视频开关(TV/AV或者YC输入),这样节省了外部元件,视频开关的设定由总线完成,辅助地址是:05HEX的D3~D4。
3.色度信号处理
这部分电路有三个主要特点:首先是单晶振彩色解调电路,只需要一只4.43MHz晶体就可以产生4.43和3.58两种彩色副载波,P/N识别器控制让哪种载波进入解调器。第二就是采用了PAL/SECAM解调电路的基带信号延迟解调系统,可将直通信号与延迟信号合成不同制式所需要的解调特性,由于基带延迟采用数字技术或开关电容技术而易于集成化,并可得到准确的延迟特性,从而实现解调电路的无调整比。第三个特点就是集成化高,它将色带通滤波器,色度陷波器和梳状滤波器(l行延迟线)都集成在内部,使外围元件大大减小,提高了整机的可靠性。
4.图文接口部分
内部有基色合成矩阵电路及图文接口RGB输入。内部基色合成矩阵电路将色信号输出的色差信号和视频信号处理电路输出的亮度信号经矩阵运算产生R、G、B基色信号,由14、15、16脚输入图文或画中画或遥控系统的屏幕显示R、G、B信号,这两路信号都被送到R、G、B开关电路,13脚输入信号控制开关电路的切换动作将相应信号输出到CUT-OFF/DRIVE(基色放大和白平衡调整)电路。由于在内部合成且每路信号都可根据个人爱好改变亮度和色度,所以2l09机心字符清晰干净利落。TBl238是通过总线调整亮暗平衡的,而且2109机心自带了十多种测试信号,因此可在不开机壳的条件下方便地维修。
5.同步信号处理和扫描电路
这部分特点之一是采用了50/60Hz场频自动识别和免调整行、场频分频振荡电路系统。其二是具备行场中心调整电路,垂直校正电路,S形校正,线性校正,场幅调整,这些都可以通过I\(^{2}\)C总线实现图像的上下、左右和线性调整,而且PAL和NISC制的所有项目都是分开可独立调整的,因此能适应于各种型号的显像管。最后行同步型号来用双AFC电路,使同步信号不受显像管尺寸及回扫脉冲波形的影响,产生十分稳定的定时脉冲。
二、TB1238的应用电路
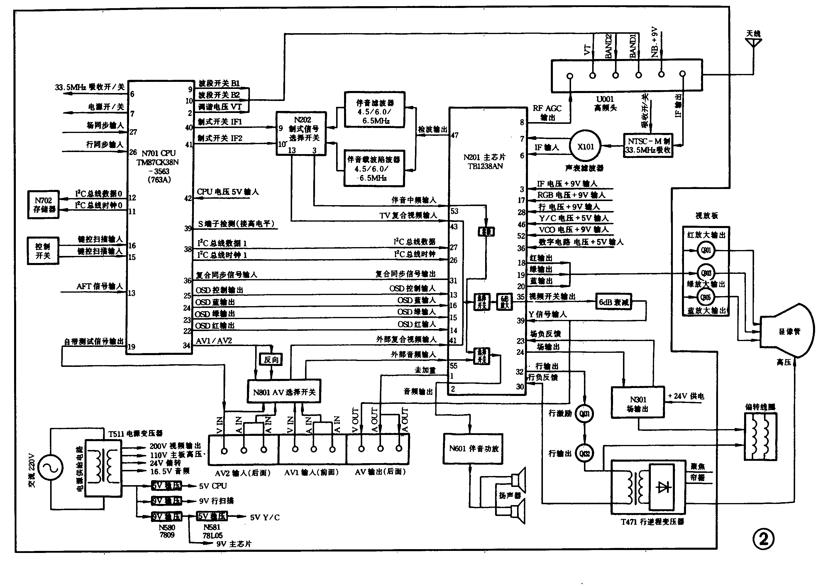
1.机心简介
TB1238的应用电路以华强牌2109机心为例方框图见图2。主芯片采用TBl238,遥控电路采用东芝的TMP87CK38N,加上东芝TA8403K场输出,三洋的LA4285伴音输出电路等就组成了一个完整的机心。它的小信号流程是:中频38MHz由第6、7脚差动输入,50、51脚外接IF VCO振荡线圈,产生38MHz信号,中频信号经过锁相环中频检波生成的全电视信号(带伴音载频)由47脚输出,CPU的控制开关IC(N202东芝TC4052)选择不同的陷波器和滤波器。

复合全电视信号一路经带通滤波器(BPF)后由电容器耦合除去DC成分后输入53脚,经过内部调频检波电路生成音频信号经1脚外接去加重电容去加重;另在55脚输入外部的音频信号一起输入内部的由I\(^{2}\)C总线控制的音频开关,选择的信号经内部增益控制器(ATT)电路由2脚输出音频信号。
复合全电视信号另一路经伴音陷波后经电容器耦合,除去DC成分后送入43脚,另外41脚是外部复合视频信号输入,这两个输入信号被送到视频开关,视频开关的设定由I\(^{2}\)CC线完成。视频开关的输出信号经6dB放大从35脚输出(如在这里加上TA1275Z,就可构成SECAM制式),然后经6dB衰减后通过电容器耦合,送到39脚的是1VP-P信号。
由43脚输入的信号另一路到内部的色度处理,由单晶体生成4.43MHz或3.58MHz色副载波(与晶体串联的电容C227对彩色影响很大),解调生成R-Y,B-Y色差信号,经矩阵电路产生G-Y信号,这3路信号与Y信号一起送至矩阵开关电路处理后生成RGB信号由18、19、20脚输出送CRT板。
当选择不同的声音制式时,CPU第6、40、41脚的输出信号用来选择制式,第6脚控制NTSC-W制的33.5MHz的吸收点,第 40、41脚信号经过Q740和Q741反向并提供激励电压(+9V)控制N202(HCF4052)开关选择不同的陷波器和滤波器而获得不同制式的复合视频信号和声音中频信号,如表1所示。

屏幕字符显示电路:来自编转电路的行场脉冲从CPU第26、对脚输入以使屏幕显示同步,行脉冲从回扫变压器第5脚输出,经过了倒相整形电路Q471,场脉冲从N301第7脚输出,经过倒相整形电路Q370。如果其中任一个脉冲没有送到CPU,屏幕字符便无法显示,如脉冲波形不好,字符则跳动。遥控系统的R、G、B信号由CPU22、23、24脚输出经电容隔离后输入主芯片的14、15、16脚。字符控制信号由13脚输入,此信号为R、G、B TV/EXT切换用,也作消隐信号。当此信号为2.l~3.5V时是外部(遥控字符)RGB输出,当为0~0.7V时是内部(TV)RGB输出。字符位置和宽度由工厂数据OSD和中频变压器L701共同决定,调整OSD数据则字符整体左右移动,旋转L701磁心则改变字符宽度。
2.维修调整方法
本机中使用了I\(^{2}\)C总线系统,在进入维修状态后,可很方便地使用遥控器进行副亮度、偏转系统以及图像系统的副调整。有3种维修状态,S、D、M三种模式,S模式适于出厂后一般维修。D、M模式需要用特殊遥控器进入,D模式适于生产线的生产,M模式适于生产线快速写入数据。
S模式的进入:
(1)电视机开机,将音量调到最小。
(2)按住电视机上的音量减键(V-)不动。
(3)按遥控器上的节目号呼出键则屏幕右上角显示S,表示进入S模式。
按频道向上或向下调整键可改变调整项目,按音量向上或向下调整可改变所调整的数据值,数据可调整范围根据调整项目有所不同,但数据值都为16进制。在S模式下,遥控器上下列键有一些特殊功能:
(1)“l”——RCUT:红截止。
(2)“2”——GCUT:蓝截止。
(3)“3”——BCUT:绿截止。
(4)“4”——SCNT:对比度调整(只有亮度信号,无色度信号)。
(5)“5”——COLC:副彩色中心(只有色度信号,无亮度信号)。
(6)“6”——TNTC:副色调中心(只有色度信号,无亮度信号)。
(7)“9”——故障自检;显示如表2所示。
(8)“-/—-”——可使场停止出一亮线。
(9)“TV/AV”——本机自带测试信号输出可对一些参数检测,具体见表3、表4、表5。




3.注意要点
如果H.V\(_{CC}\)(28脚,扫描电源电压脚)的供电时序有问题,32脚会有异常的水平同步信号输出,此信号可能导致水平输出驱动用晶体管损坏。因此在待机电源系统中,为了水平同步信号输出稳定,必须使数字电路部分(+5V供电)完 全动作后,再启动扫描电路部分(+9V)。扫描电路电源的阈值电压是5.5V,所以采用稳压二极管从+9V电源产生+5V电源,使+9V电源到达阈值电压时,数字电路已开始动作,而且必须在+5V电源上加上平滑滤波的电容,使+5V电源的上升变得缓慢。(刘航)