将本文介绍的报警器与具有储存电话号码功能的电话机配合使用,当非法之徒进入监视区(小型瓜果园、库房、居室等)时,在3min(分钟)内,报警器将自动分别拨打预先储存的三个电话号码(主人可随意设置),并分别发送预先储存的语言信息(主人可随意更改和录制)。该报警器具有性能稳定、灵敏度高、响应速度快、隐蔽性强等特点。
主要元器件简介
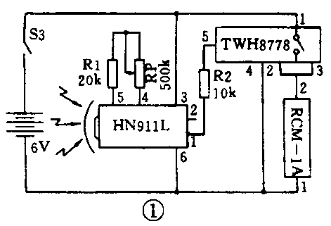
1.热释电红外线探测模块HN911L(见图1):该模块内部由高灵敏度红外线传感器、放大器、信号处理电路、延时电路和高低电平输出电路等组成。静态时,HN911L的1脚输出低电平;当有人进入监视区时,HN911L的1脚输出高电平。该模块配上相应的菲涅耳透镜(例如:BS-94V3型黑色菲涅耳透镜),并适当调节4脚和5脚之间的电位器RP后,探测距离可达15m。

2.大功率模拟开关集成电路TWH8778:1脚是电压输入端,2、3脚是输出端,4脚是接地端,5脚是控制端。当5脚电压高于1.6V时,TWH8778开关闭合,否则TWH8778开关断开。
3.微功耗超短波无线遥控模块RCM-1:该模块由A、B两部分组成,它们之间的有效控制距离为8~15m,A块接通电源后即可自动发射无线电波。B块接通电源后,静态时2脚输出低电平,当B块接收到A块发射的无线电波后,2脚输出高电平。即A块电源的通断,控制着B块2脚输出高、低电平的变化。
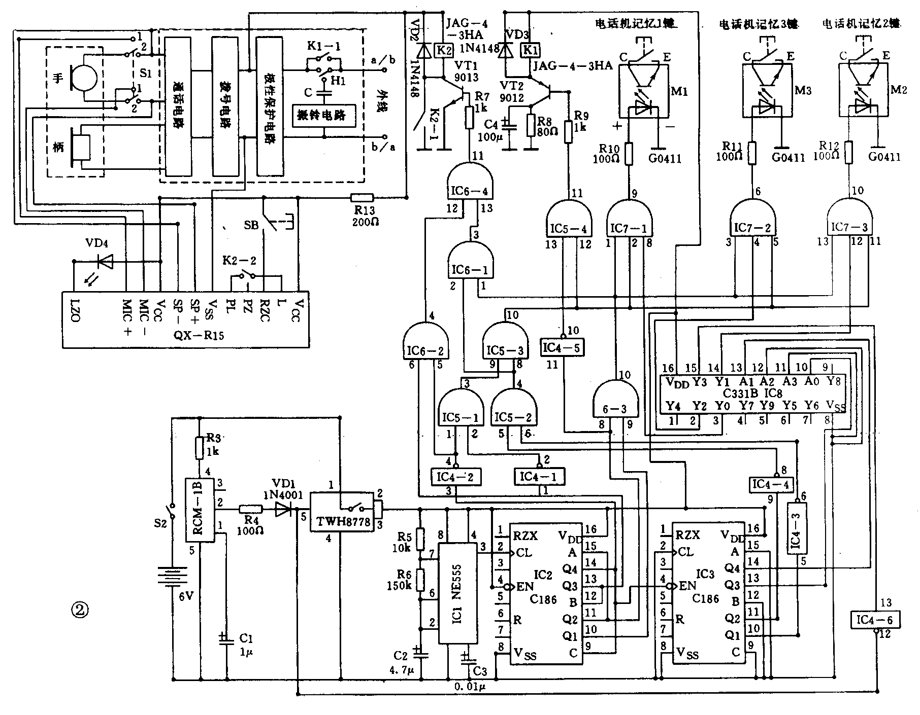
4.CMOS集成计数器C186(见图2):用C186可实现二~十六任意进制计数器,只需将相应的输出端接至A、B、C端即可。本报警器中的IC2(C186)为十五进制,IC3(C186)为十六进制。

5.各种门电路:IC4(C063B)为六非门;IC5、IC6(CH4081C)为四输入与门;IC7(CH4073)为3个三输入与门。
6.译码器C331B:C331B为BCD-十进制4线~10线译码器,译码输出为高电平。
7.不怕掉电语音录放模块QX-R15:该模块的核心部分是ISD1506,该模块可循环录放,录音时间为6s左右,零功耗永久保存信息。外围元件只需扬声器、话筒、按键、发光二极管等即可构成录放电路。
工作原理
电话盗情报警器由盗情检测电路(图1)和盗情报警电路(图2)两部分组成,为便于说明本报警器与电话机如何连接,也将普通按键电话机电路图以方框图(并非本报警器电路)形式画出(虚线框内部分)。
1.盗情检测电路
当盗贼进入警戒区域时,移动人体所辐射的微弱红外线,被红外线探测模块HN911L(见图1)接收并处理后,1脚由低电平变为高电平,开关集成电路因5脚获得电压而导通,无线电遥控模块RCM-1A得电工作,向空间发射无线电波。
实际应用中,可将盗情检测电路封装在一个小盒中,制成盗请检测装置。该装置可制作多个,分别放在盗贼可能出入的地方(居室的门窗附近、保险柜附近等),但要注意放置位置的隐蔽性。
2.盗情报警电路
当无线电遥控模块RCM-1B接收到由RCM-1A发射的无线电信号后,RCM-1B的2脚输出由低电平翻转为高电平,开关集成电路TWH8778导通,集成电路IC1~IC8等元器件得电工作。报警器在3min工作期间,IC4的12脚可输出高电平,这样,即使HN911L触发结束,RCM-1A停止发射无线电信号后,RCM-1B的2脚输出由高电平翻转为低电平,开关集成电路TWH8778仍能正常导通。
定时器NE555与外围元件构成多谐振荡器,产生大约1Hz的方波信号,此信号作为计数器C186的时钟信号,于是计数器IC2和IC3开始工作。它们工作到2s时,IC2的Q2~Q4输出端为000,IC3的Q1、Q2输出端为00,经有关门电路处理后,IC5的11脚输出高电平,三极管VT2截止,继电器K1不工作。计数器在2~60s工作期间,IC2的输出端Q2~Q4和IC3的输出端Q1、Q2中至少有一个为高电平,经有关门电路处理后,IC5的11脚输出低电平,三极管VT2导通,继电器K1得电工作。其常开触点吸合,第一个触点K1-1将电话机叉簧开关两端接通(若电话机叉簧开关为两个触点,可利用K1的第二个触点K1-2将其接通),电话机得电工作(相当于模拟摘机)。计数器工作到第3s,IC2的Q4~Q1输出端为0011,IC3的输出端为0000,经有关门电路处理后,IC7的1、2脚输入为高电平,且译码器C331B的Y0输出端为高电平,使IC7的9脚输出高电平,光电耦合器M1得电工作,E、C引脚导通,E、C引脚与电话机记忆1键相连接,从而预先储存在记忆1键的电话号码被发送出去。第4~7s为对方电话机振铃和摘机时间。计数器工作到第7s,IC2的Q4~Q1输出端为0111,IC3的输出端为0000,经有关门电路处理后,IC6的11脚输出高电平,三极管VT1导通,继电器K2得电工作。其中一个常开触点K2-1吸合,使K2自保(其作用是:当计数器在8-60s工作期间,IC6的11脚输出低电平,三极管VT1截止、但由于此时K2-1已接通,继电器K2仍能正常工作),另一个常开触点K2-2吸合后,将语言录放模块QX-R15的PL与L两引脚接通,该语言录放模块随即连续重放预先录制的语言报警信息(例如:××家有盗贼进入,地址在××路××号)。该语言信息从语言录放模块的SP端输出,经电话机话筒输入引线,语言信息通过电话机发送出去。此语言信息可循环发送,直到报警器工作到60s结束。因为此时IC2的输出端为0000,IC3的输出端Q2、Q1为00,经各种门电路处理后,IC5的11脚输出高电平,三极管VT2截止,继电器K1失电,常开触点K1-l断开,从而继电器K2失电使常开触点K2-2断开,语言报警停止,至此第一次报警工作结束。
从报警器工作到60s开始,将自动进行第二次(60~120s)和第三次(120~180s)的拨号报警工作,其工作情况与第一次报警工作情况相同。但第二次和第三次报警分别接通电话机的记忆2键和记忆3键(分别由译码器IC8的输出端Y1、Y2控制),即每次拨打的电话号码不同。第三次报警结束后,IC3的输出端Q3、Q4为高电平11,经IC8译码后,输出端Y3为高电平,从而使IC4的12脚输出低电平,开关集成电路TWH8778的5脚失去电压后使内部的开关断开,报警器停止工作而处于守候状态。
需要说明的两个问题
1.语言信息的录制方法
将开关S2(电话机处于正常与报警状态的双刀双掷转换开关,当拨至“1”位置时,电话机处于报警守候状态,当拨至“2”位置时,电话机处于正常拨打电话状态)拨至“1”位置,拿起电话机手柄,按住录音键SB,即可用电话机话筒进行录音,松开SB后,录音结束,同时用于录音指示的发光二极管VD4熄灭。
2.防止主人进出居室时报警器误报
放于房门附近的盗情检测装置,其电源开关S4应制成钥匙控制开关。当用钥匙正常打开房门时,S4断开;当用钥匙正常锁好房门时,S4闭合。另外,主人进入居室后,应立即将S3断开。 (秦辉 张文华)