本电路具有电路简单、制作容易、使用方便、性能稳定、工作可靠及编译码频率范围宽等特点。电路设计通道为8个,还可根据具体应用需要进行通道扩展。另外,也可以将红外载体改用无线射频等进行信息传递。
一、编码发射电路
编码发射电路如图1所示。IC1使用CMOS单时基电路5G7555,也可用任何型号的CMOS型或双极型555电路代替。它是一种兼有数字电路和模拟电路特点的组合器件,工作频率可达500kHz,工作电压为3~16V,功耗低,静态电流典型值为0.6mA。IC1与外围元器件组成无稳态多谐振荡器,频率为f=l.44/{[(RP1~RP8)+R1]·C1}。可变电阻RP1~RP8取不同的数值,可以获得不同的编码频率。S1~S8为编码选择开关。信号由Q端输出,直接驱动红外发光二极管VD1向外发射遥控信息。

二、接收译码电路
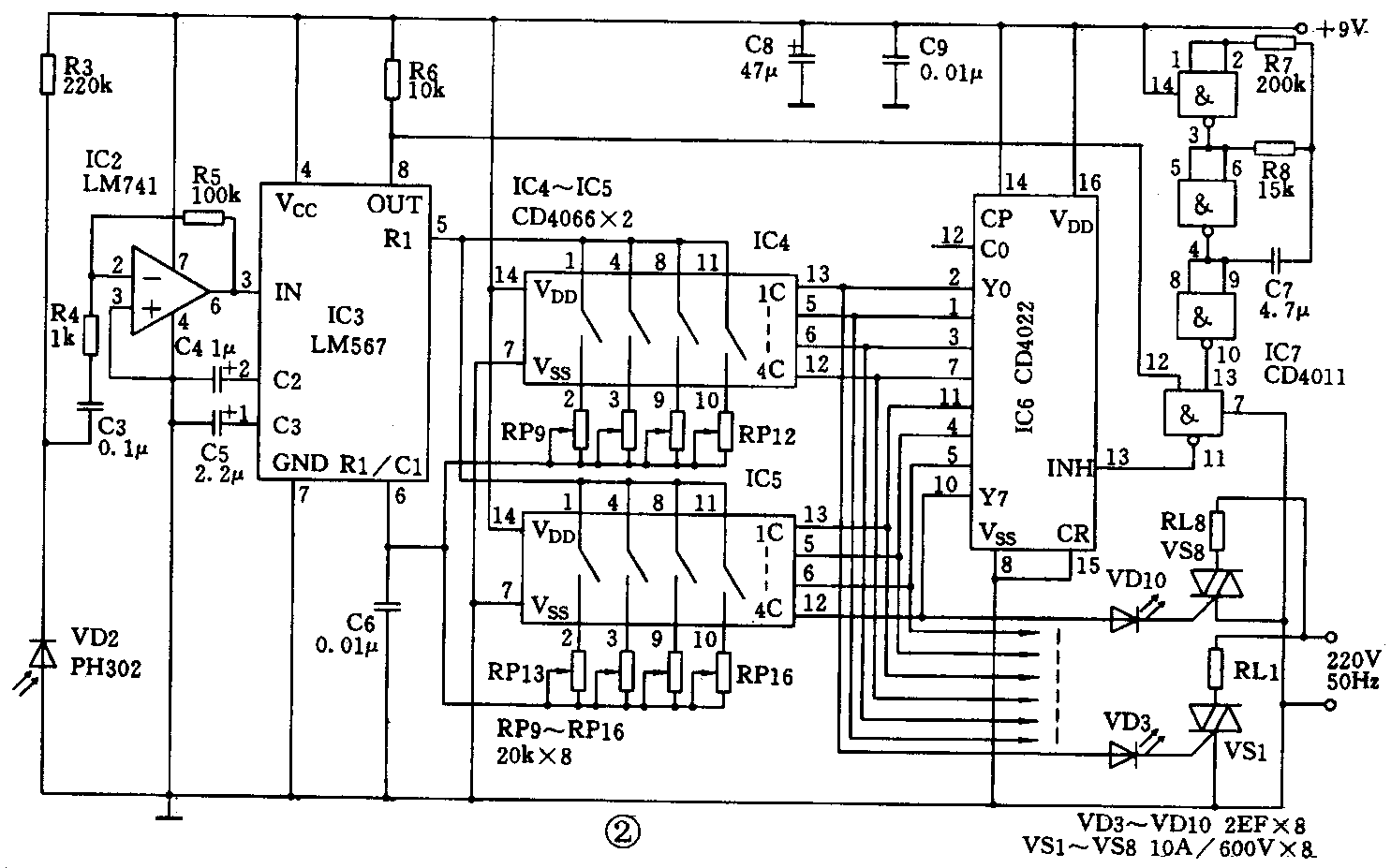
由接收放大、译码、自动巡回检测及输出控制电路构成接收译码电路,如图2所示。IC2使用具有温度补偿功能的单运放LM741,红外接收管VD2将红外信息转换成微弱的电信号,经C3、R4送至LM741的反相输入端,放大后由⑥脚输出。

IC3使用单音频译码器LM567,亦可使用SE567、NE567、XR-567(低功耗型)等。其内部由锁相环、正交相位检波器、放大器及输出驱动管等组成。LM567是一种性能优良的音频译码器,工作频率范围很宽(0.01Hz~500kHz),可调带宽为0~14%,输出端吸收电流高达100mA。它具有非常好的抗干扰特性,可对噪音及带外信号进行有效的抑制。因此,它在音频译码、电话时序拨号、超声波远传控制及有线或无线对讲机系统中得到比较广泛的应用。C5为输出滤波电容。C4为低通滤波电容,它决定锁相脉冲的宽度。③脚为信号输入端,要求输入电压幅度不小于25mV。⑤、⑥脚外接RC选频网络,选频频率为f=1/〔1.1(RP9~RP16)·C6〕,由电子开关IC4、IC5控制RP9~RP16的接通,调整RP9~RP16可使选频频率与编码频率一一对应。⑧脚为输出端,输出信号可与TTL和CMOS数字逻辑电平兼容。当译码频率与编码频率相同时,⑧脚输出由高电平跳变为低电平,用来控制自动巡回检测电路。
自动检测电路由IC4~IC7组成。IC7为二输入端四与非门CD4011,用其中两个与非门组成低频振荡器,其频率f=1/(1.5R8·C7),这里取f=10Hz左右。另外两个与非门用来作时钟信号驱动和选通门,控制信号来自LM567⑧脚。
IC6使用八进制计数器译码输出脉冲分配器CD4022,其功能见附表。CP为时钟脉冲上升沿触发端(INH=0),INH为下降沿触发端(CP=1)。CR为清除端,Y0~Y7为输出端,当CR=1时,计数器清零复位,只保留Y0=1;当CR=0时,允许进行计数(Ym+1)或保持原有输出状态不变(Ym)。CO为进位输出端,当输入时钟脉冲为0~3个时CO=1,4~7个时为CO=0,即每完成一次八进制计数,CO端输出电平高、低变化一次,相当于输出一个进位脉冲,以方便多位计数器进行级联。

IC4、IC5使用四双向模拟电子开关CD4066,每个封装内有4个功能相同且彼此独立的电子开关。每个开关有3个引出端,其输入和输出端可互换,控制端C=1时开关导通,可传送数字信号或模拟信号,并允许信号双向流动,信号频率上限可达4MHz以上,瞬间窜扰小于-50dB;C=0时开关截止,呈高阻状态。8个开关的一端并接在LM567的⑤脚上,另一端分别接RP9~RP16,然后并接在LM567⑥脚上。开关的控制端顺次接CD4022的Y0~Y7端。
巡回检测过程为:接通电源后,IC7组成的时钟电路开始振荡。由于此时IC3⑧脚为1并加至IC7脚,选通门打开,时钟脉冲被送到IC6脚,其Y0~Y7端依次输出正脉冲,8个电子开关顺次导通,接通RP9~RP16,选择8种不同的译码频率。如此反复循环,等待发射机发送遥控揩令。当按下发射机S1~S8某一编码开关时,编码信息经IC2放大后加至IC3③脚,在8个电子开关轮流导通过程中,若选择的译码频率与编码频率相同,则IC3⑧脚输出的低电平加到IC7脚,选通门被封锁,停止向IC6提供时钟脉冲,并使其Y0~Y7某输出端保持为1。一方面维持对应的电子开关导通,使IC3⑧脚输出为0,时钟信号选通门保持封锁状态;另一方面经指示发光二极管VD3~VD10触发VS1~VS8某双向晶闸管导通,接通负载电器RL1~RL8的电源,使其工作。VD3~VD10兼作通道指示。当发射机编码开关断开后,IC3⑧脚输出恢复为1,IC6又开始循环计数,电路又处于等待状态。
调试时只需适当调整RP1~RP8和RP9~RP16(可分别按前述计算公式粗调),使编码和译码频率一一对应即可。 (瞿贵荣)