LC振荡式无线遥控发射机由于电路简单、价格低廉,在要求不高的应用场合仍不失为首选品种。但作为工业控制或者环境温度变化较大、强震动、发射机内置电池电压变化以及需接近金属体安装等恶劣条件下,则需要选用具有晶体稳频的高可靠遥控器方能胜任。T996型高性能无线编码遥控器,采用了晶体稳频无线发射技术,可靠性达工业级水准。
主要参数
T996高性能遥控发射机具有手柄式外壳和操作按键,是一种可挂于腰间携带的微型化成品机。机内采用一节A23型12V电池供电,当电压在3V~12V变动时,发射频率稳定工作在U段418MHz频点上,仅发射功率随电压降低而减小。其操纵通道有1位、2位、4位、8位及12位供选择,常用4位遥控器外观见图1。配合T998微型接收模块使用时,有效遥控距离开阔地(60m(内藏天线接收)和100m(17cm软天线接收)。虽然遥控组件安装在系统后将受周围物体、房间、墙壁等阻隔,使有效作用距离有所缩短,但稳定性能十分优异,一旦安装后,其遥控距离在一年四季内均不会有明显波动。手握遥控器任意位置时,发射频率和功率亦不受影响。高性能遥控器及其对应接收模块主要使用参数见附表。


典型应用
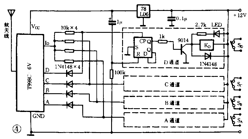
遥控收发组件主要用于多用户(以地址编码区分)、多通道(以A、B、C、D不同数据按键由用户操纵选择)高/低电平开关量的远距离遥控操作。开关特性分为3种,即各遥控通道相互锁存、相互非锁和相互独立双稳,最为通用的是互锁开关特性遥控方式,因此,接收模块T998的四路输出被设计为互锁存方式(也可直接输出四路非锁存方式)。需要各通道独立实现“开”和“关”操作,可在接收模块输出端加入D触发电路即可。接收模块简易测试见图2,锁存/非锁存遥控接口见图3,独立双稳遥控开关见图4。



通道扩展
若嫌遥控通道少,可在接收电路T998输出端接入一片四转十六的二次译码集成电路CD4514,使输出扩展至5-15遥控通道,如图5所示。此时遥控发射器仍旧可以使用A、B、C、D四键型,但A至D应分别代表l、2、4、8数码,其数码(或数码相加之和)值即为要操纵的对应接收通道。例如遥控接收第6路输出,需同时操纵B、C两键(2+4=6)即可,其它通道以此类推。如觉得复合操纵不便,可直接选用6键、8键或12键高性能遥控发射器,其发射键值一一对应接收输出通道,使用直观,但相应遥控发射器尺寸亦略大些。

注意事项
1.当发射功率明显减小或发射指示灯变暗时,应更换机内A23型12V电池。2.若需多个发射器配一个接收模块时,各发射器应分时工作,同时发射将造成不同频率干扰而无法解码。3.多个接收模块不能放置在同一机箱内,相互应具有2m以上间隔。4.接收模块应采用线性电源稳压供电,勿用开关电源。(蔡凡弟)