LM4040/LM4041/LM4431是美国国家半导体公司生产的3种常用的精密微功耗电压基准源系列新产品。该3种电压基准源的共同特点是:贴片式小尺寸SOT-23封装;无需输出电容;允许容性负载;输出电压精度高;输出噪声电压低;输出电流范围宽;温度系数低。
该3种电压基准源的主要特性列于表1中。

电压基准源的精度分为5级(A~E),各级精度与输出允许误差如表2所示。

由于SOT-23尺寸极小,器件上不直接印出型号,而是印上型号代码,各型号代码见表3。

这3种型号的SOT-23封装管脚排列如图1所示。3脚可悬空或与2脚连接。

基本工作电路
上述三种电压基准源的基本工作电路如图2所示。

输入电压V\(_{IN}\)必须满足
V\(_{IN}\)≥VR+(I\(_{R}\)+IL)R\(_{S}\)
式中V\(_{R}\)为击穿电压,IR为流经电压基准源的电流,I\(_{L}\)为流经负载的电流,RS为限流电阻。
I\(_{L}\)与IR的关系必须满足
I\(_{L}\)<IR(空载电流),(I\(_{L}\)+IR)<I\(_{Rmax}\)
一般情况是在已知V\(_{IN}\)、IL时,确定限流电阻R\(_{S}\)值。例如,选用LM4040-2.5C的器件(VR=2.5V),输入电压V\(_{IN}\)=9V,IL=1mA,I\(_{R}\)=0.5mA,则RS按下式来计算R\(_{S}\)≤
应用电路
电压基准源主要用作基准电压,也可以用作小电流并联式稳压电源。这里列举一些实用电路,供读者参考。
1.正负电压基准源电路
图3是用两只电压基准源组成的正负电压基准源。电路参数计算可看基本工作电路部分。

2.增加78XX系列输出电压电路
在78XX稳压电源集成电路的GND端串接一个基准电压源,则可增加其输出电压,
V\(_{OUT}\)=V(原输出电压)+VR
例如,采用2.50V基准电压源串接在7805的地线中,则输出电压为7.5V,如图4所示。

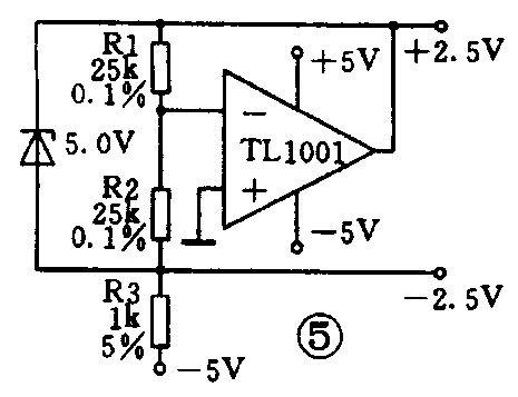
3.用一个5.0V电压基准而组成±2.5V的电压基准源电路
图5是采用一个5.0V的电压基准源与运放组成的±2.5V电压基准源。-2.5V的输出电流取决于R3的阻值。

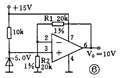
4.用5.0V电压基准源组成的10V电压基准源电路
用一个5.0V电压基准源与一个运放可以组成10V电压基准源,如图6所示。同样,按图6的电路,只要改变R1、R2的阻值,就可以获得任意的电压。

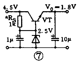
5.低电压稳压电源
采用一个电压基准源与一个NPN三极管可以组成一个简单的低电压稳压电源,其输出电压V\(_{0}\)为
V\(_{0}\)=VR-0.7(V)
按图7的参数,V\(_{0}\)=1.8V。输出电流取决于VT。(方佩敏)
