本文介绍一种用途广泛的八通道电子开关电路,电路结构简单,工作稳定可靠,可以通过触摸、磁控、红外线、光电或连续脉冲等控制通道切换,并通过LED数码管显示通道号,适用于不同的电路作电子开关。

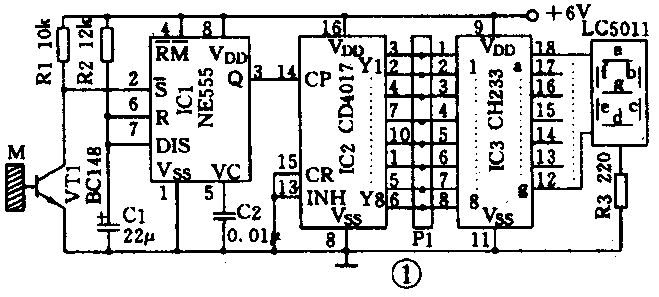
电路如图1所示。平时VT1处于截止状态,其集电极输出高电平,并加至IC1(NE555)的②脚S-端,使IC1处于准备状态,这时③脚Q端输出为0(低电平)。当用手触摸传感器板M时,VT1获基极偏流被置于导通,集电极输出的低电平加至IC1②脚使其被触发,于是③脚便输出一个宽度约为200ms的正脉冲,作为时钟信号送至IC2。
IC2使用十进制计数器/脉冲分配器CD4017,其功能见附表。可以看出,CD4017有CP和INH两个时钟输入端,当用脉冲上升沿触发时,时钟信号由CP端输入,并应使INH=0;当用脉冲下降沿触发时,时钟信号由INH端输入,并应使CP=1(高电平)。Y1~Y10为译码输出端,当输入0~9个时钟脉冲时,Y1~Y10依次单独输出一个高电平信号。此输出信号有两个作用(这里只使用Y1~Y8):一是送至IC3作通道显示控制信号;二是由插座P1引出,去同步控制其它电路(或电器)。CR为消除控制端,当CR=0时,CD4017可进行计数(Ym+1)或保持原有输出状态(Ym)不变;当CR=1时,Y2~Y10均被清零,只保留Y1=1。
表1 CD4017功能表
输入 输出
CP INH CR Y1~Y10
X X 1 Y1
↑ 0 0 Ym+ 1
1 ↓
0 X Ym
X 1
↓ X
X ↑
IC3使用1~8显示译码器/驱动器CH233,配用共阴极LED数码管LC5011, R3为限流电阻。CH233原用于电视机电路中显示节目预置器编号,当其“1”~“8”中某端加高电平信号时,数码管将显示1~8中的相应字形,作为工作通道显示。
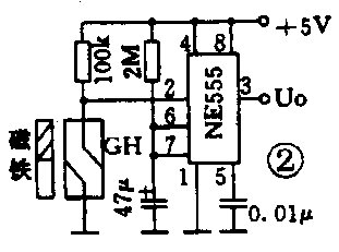
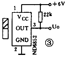
图2为磁控触发电路,当磁铁每靠近干簧管GH一次,其内部触点便接通一次,为NE555②脚加一触发信号,③脚便为CD4017送去一个时钟脉冲。图3也是一个磁检测电路,使用霍尔元件ND6852作信号转换、其中22kΩ电阻为内部集电极开路输出管的负载电阻。图4是外加其它正脉冲触发控制的例子,外加脉冲可取自各种传感电路或报警电路。图5是光电触发控制电路,挡板每移开一次,光电管3DU5便输出一个正脉冲。




图6是图1印制电路板图,其中细虚线为跳线,绘成单面板的目的是便于业余条件下仿制。全部元件焊接完毕,检查无误后,不需调整,接通电源,电路就能正常工作。(瞿贵荣)
