本文以自制《生日歌》乐曲音乐电路为例,介绍一种自己编制音乐电路的方法,使读者能举一反三,编制出其它自己喜爱的音乐电路。
一、电路构成
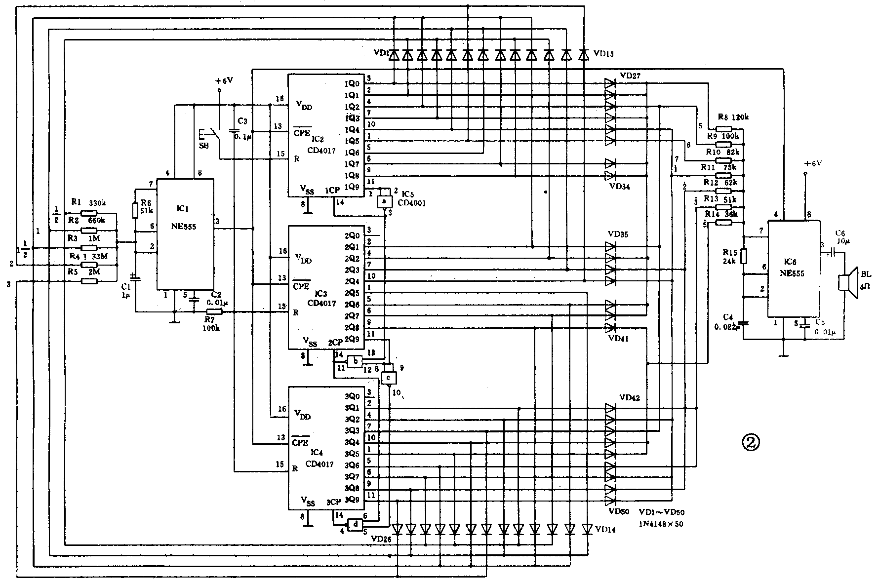
乐曲是由系列音频声(音阶)及其发音时间的先后(时序)和长短(节拍)相互配合而成,即音乐是由音阶、时序和节拍三要素组成。因此,音乐电路应由音阶振荡器、序分配器和节拍发生器3部分电路构成,见图1。图2为《生日歌》乐曲的音乐电路原理图。图2中IC1与R1~R6和C1等元器件构成节拍发生器;IC2~IC5等元器件构成时序分配器;IC6与R8~R15和C4等元器件构成音阶振荡器。


二、电路原理
音阶振荡器是由IC6 NE555与电阻R8~R15和电容C4接成的音频振荡器,R8~R15和C4为RC振荡元件。振荡元件RC值的大小决定音频振荡器的振荡频率,由公式求出f\(_{n}\)=1.443(Rn+2R15)C4。C4的R15固定不变,电路工作时从时序分配器送来的时序高电平变换接通音阶电阻Rn(R8~R14),从而改变了音频振荡器的频率而产生了音阶。
音阶频率是按照国际标准音C调音阶“6”的频率440Hz为标准,再根据乐理用12平均律推算出其它C调音阶的频率。再将本电路所用的C调音阶频率及其音阶电阻列于表1中。

根据乐理A调音阶“1”是C调音阶“6”和高八度音与低八度音的频率是2倍率关系。因此按表1所列C调音阶频率可以求出C调高、中、低音全系列音阶频率。同样也可以推算出A调全系列音阶频率。
节拍发生器是由IC1NE555与电阻R1~R6和电容C1接成的定时触发器,R1~R6和C1为RC定时元件。当通电时C1正端为低电位(≤V\(_{CC}\)/3),IC1③脚输出为高电平置位状态。同时时序分配器1QO端输出的高电平返回接通节拍电阻R3给C1充电。当C1正端电位升到≥2VCC/3时电路翻转,③脚变为低电平复位状态,同时⑦脚导通并经R6给C1快速放电。当C1正端电位下降到≤V\(_{CC}\)/3时电路又翻转,③脚回到高电平置位状态,形成③脚输出了一个负脉冲。负脉冲送到时序分配器使1Q0端变为低电平,1Q1端变为高电平,并返回变换接通节拍电阻R1给C1充电,C1正端电位上升,直至电路再翻转输出第2个负脉冲。如此往复翻转,由时序高电平变换通过节拍电阻R1~R5给C1充电,而使定时触发器定时翻转,③脚输出节拍定时间隔的负窄脉冲即为节拍脉冲。图3(a)示出了节拍发生器的工作波形。

节拍脉冲间隔时间等于通过节拍电阻给C1充电到电路翻转复位的时间,由下式求出:T\(_{n}\)=1.1RnC1。节拍脉冲宽度为C1通过R6放电到电路翻转置位的时间,R6较小,这个时间只有几十毫秒。现将本电路所用节拍和设定的节拍电阻及节拍定时列于表2中。

时序分配器是由IC2~IC4三块CD4O17十进制计数分配器通过IC5CD4001四2输入端或非门电路级联接成并行输入、串行输出的计数分配电路。三个下降沿时钟输入端C-PE联接在一起作为并行输入端,三个计数输出端1Q0~1Q8、2Q1~2Q8和3Q1~3Q9串行输出作为时序输出端,共26位。
时序分配器的工作原理:通电时,时序输出端1Q0首先为高电平,之后并行输入端在节拍脉冲下降沿触发下,IC2、IC3和IC4依次计数,时序高电平从1Q0~1Q8、2Q1~2Q8和3Q1~3Q9串行输出。直到第26个节拍脉冲后IC4复位3Q0为高电平时,由于3Q0悬空而无高电平返回节拍发生器,便不能发生节拍脉冲,所以停止计数,时序输出端全为零。若要再次计数,按一下按钮SB使电路复位,时序高电平从1Q0~3Q9再次串行输出一遍。图3(b)为时序分配器的工作波形。
三、乐曲编制
按曲谱所标音阶序列和节拍,从时序分配器时序输出端1Q0开始,依次分别通过两个隔离二极管,一路接音阶振荡器的音阶电阻;另一路接节拍发生器该音阶节拍的节拍电阻。图2是按常见的《生日歌》乐曲音乐电路的曲谱编制的,曲谱为

第一位音阶“5·”从时序分配器时序输出端1Q0开始,一路经VD27接到音阶振荡器“5”的音阶电阻R8上端;另一路经VD1接到节拍发生器“1\(\frac{1}{2}\)”拍的节拍电阻R3上端。第二位音阶“5-”从1Q1经D28也接到“5”的音阶电阻R8上端和经VD2接“1/2”拍的节拍电阻R1上端。按此接法,依次排位对号联接,共26位音阶全部接完。
按照以上编制《生日歌》乐曲音乐电路的方法,还可以编制其它自己喜爱的音乐电路,如果曲谱长音阶多时,需增加计数电路的级联数,从而增加时序分配器的时序输出端。
四、演奏过程
按曲谱编制好的音乐电路,接通电源便开始演奏。音乐电路演奏过程是按照时序分配器的时序过程进行的:接通电源时,时序分配器第一位时序输出端1Q0为高电平,并经VD27接通音阶振荡器“5”的音阶电阻R8,并经VD1接通节拍发生器“1\(\frac{1}{2}\)”拍的节拍电阻 R3,首先发音“5·”,时间为“1”拍。第1声结束时节拍发生器输出第一个节拍脉冲,使时序输出端1Q0变为低电平,同时1Q1变为高电平,并经VD28又接通音阶振荡器“5”的音阶电阻R8和经VD2变换接通节拍发生器“1/2”拍的节拍电阻R1,第2声发音“5-”,时间为“ 1/2”拍。由于IC6的强复位端④脚直接接通节拍脉冲输出端,在两声交接期间正好是节拍脉冲短暂低电平时期,音阶振荡器停振一下,所以两声之间有一个停顿。当第2声结束时节拍发生器输出第二个节拍脉冲,时序输出端1Q1变为低电平,同时1Q2变为高电平,经VD29变换接通音阶发生器“6”的音阶电阻R9和经VD3变换接通节拍发生器“11;2”拍的节拍电阻R3,第3声发音“6·”,时间为“1\(\frac{1}{2}\)”拍。这样按曲谱连续奏响直至结束停顿。若要再次演奏,按一下按钮SB即可。
综上所述,音乐电路是在时序分配器时序电平控制下自动演奏编制好的乐曲,好像人用手指弹奏钢琴的键一样。图3(a)、(b)、(c)为音乐电路演奏乐曲的工作波形。(何祖武)