例1:故障现象,图像顶部有回扫线。
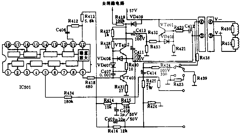
分析与检修:电视机出现回扫线分为两种情况,即图像满幅出现回扫线和图像局部(多为顶部)出现回扫线。其原因是加速极电压过高、消隐电路或场输出级某些元件损坏造成工作失常所致。如附图所示,此机在场扫描期间的逆程脉冲电压是经R419、C626耦合作为场逆程消隐脉冲输往机放矩阵IC301⑥脚实现场消隐。由于光栅只是上部有回扫线,并非是满幅回扫线,说明场逆程消隐脉冲已加到视放矩阵电路,也说明视放矩阵消隐电路工作基本正常,而只有场逆程脉冲幅度变小,时间变长才会造成光栅局部(或顶部)出现回扫线。该机场输出电路供电采用的是双电源供电电路。而双电源电路工作失常是造成场逆程脉冲幅度变小,时间变长的常见原因。基于此,首先对双电源电路进行检测,测量三极管VT401各极电压均不正常,但该管并未损坏。VD409及VT401管外围电阻也未见异常。而影响脉冲幅度及时间的因素与有关元件如电容等有直接关系。于是拆下电容C413测量发现其内部近于开路,换一只100V/10μF电解电容后,故障排除。

故障分析与总结:场输出采用双电源电路的目的是提高场输出电路的工作效率,使场扫描逆程时间限定在允许值之内,提高场逆程反峰电压。该机双电源电路由VT401、VD409、C413等组成。场扫描逆程期间,由于逆程脉冲高电平加到VT401的基极,VT401导通。电源电压通过VT401集电极,发射极R432和C413两端的57V电压相叠加后加至场输出级VT40集电极,使场输出级工作在近两倍的电源电压下。当C413开路时,不能使场输出级VT402集电极得到两倍的电源电压,从而使场逆程脉冲幅度减小,时间变长,故光栅顶部出现回扫线。
例2:故障现象:开机后,屏幕下部为一水平亮带,且有图像,伴音也正常。
分析与检修:电视机屏幕下部出现一条水平亮带,说明场扫描锯齿脉冲幅度不足,脉冲前沿直线性差。该型机影响场线性及场幅的主要原因有三个方面:①由R416、C409和R414、R415、C408组成的交直流负反馈与积分线性补偿电路;②VT403发射极电阻R431引入的电流负反馈;③C4ll自举电容电路。用万用表检查R414、R415、R416及电容C408、C409均未见异常。焊下电容C411用万用表检查发现该电容已击穿短路。换上同型号电容后,开机场幅、线性正常,故障消除。
分析与总结:本机为了改善场扫描线性及稳定场输出直流工作点,从场输出级引入深度交直流负反馈电路,并采用自举电容电路等加大了VT402场输出管的动态范围,同时也提高了场输出电压幅度,减少非线性失真。由于C411的击穿,造成场输出管VT402动态范围变小,降低了输出电压的幅度,从而使电视机屏幕出现一水平亮带。(田增义)