早期出厂的录像机一般采用串联型稳压电源,这种电源配有笨重的电源变压器,机器所需的各种电压可以从变压器次级相应绕组获得,此类电源的基本型式为:变压、整流滤波、稳压和非稳压输出。由于这种电源与开关型稳压电源相比有着明显的缺点,因此后期生产的录像机绝大部分都以开关型稳压电源取代了串联型稳压电源,多路电压输出也由分立元件结构演变为集成电路替代。这两种电路的结构形式与其它电器设备电源类似,电路原理与检修方法也与之相同,但录像机的整个电源系统与其它类电源相比具有如下特点:
①电源输出分受控和非受控两类,受控输出由微处理器控制。
②电源系统的附属电路多,分布在其它电路之中。
③在不同的工作状态,电源输出功率变化范围大。
本文仅就录像机电源系统的主要特点及检修方法加以叙述。
影响受控输出电压正常的几种因素

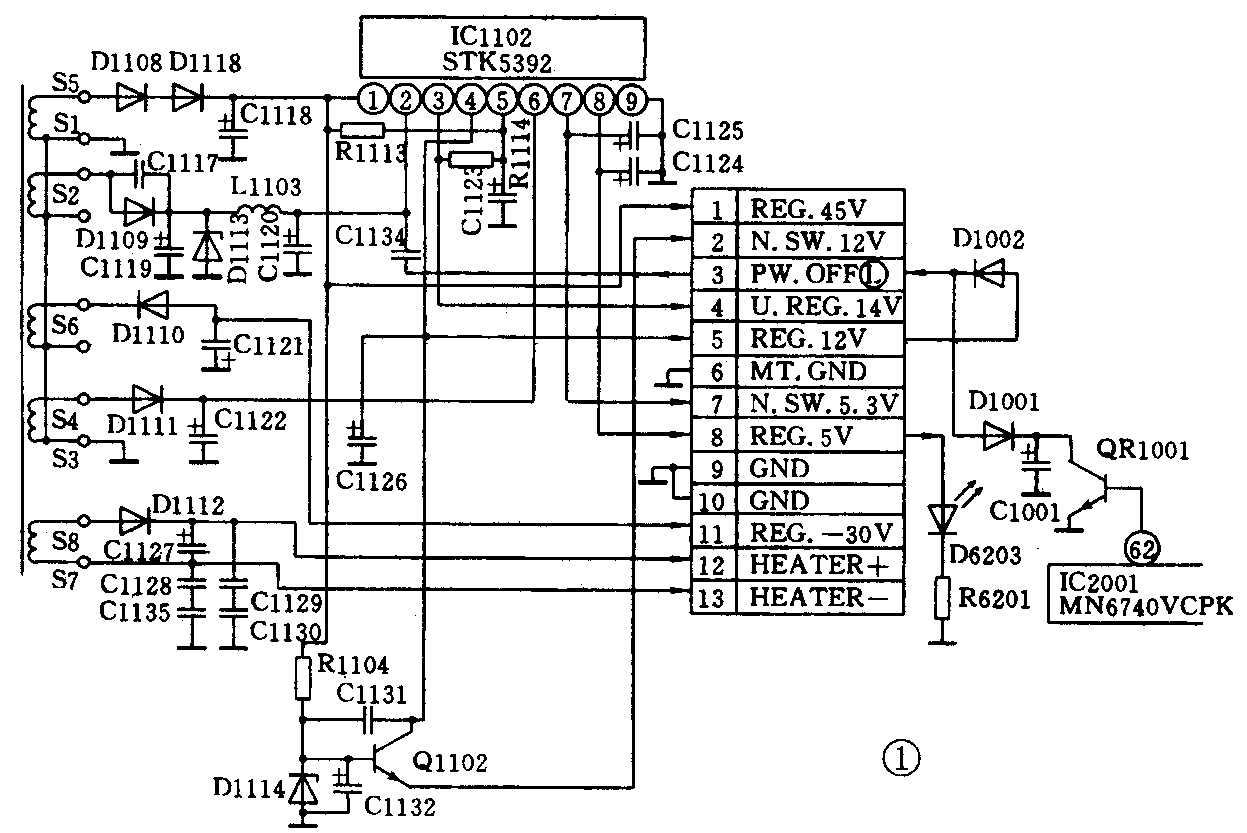
录像机的电源电路中一般不设总电源开关(只有少数机器设在后部),只要将插头接通电源,电源电路便开始工作,我们可以通过观察显示屏的显示状况来初步判断电源电路是否工作正常。图1为国内较常见的机型松下L15录像机电源系统部分电路,图中省略了开关电源部分。开关变压器次级有5组输出,其中S7、S8绕组提供显示屏灯丝电压,S6向操作电路板提供-30V电压,S5主要向TV解调器提供45V电压,S4为多路稳压输出集成块IC1102(STK5392)的⑥脚提供6V左右电压,机器电路的主要电源是由S2提供的,S2除向主电路提供非稳压14V电源外,还通过Q1102输出非受控稳压12V电压,另外,S2还连接IC1102的②脚输入端。IC1102的输出有3路,其⑦脚输出非受控5.3V电压,④脚和⑧脚分别输出受控12V和受控5V电压,控制指令由微处理器IC2001(MN6740VCPK)3发出,通过 QR1001、D1001或IC1102的②脚。当怀疑电源电路出故障时,可以通过测量P1101各脚电压值来判断,如果各引脚均无电压,故障点一般在开关电源部分,若只是部分电压值不正常则只需检查相关电路。例如,当P1101④脚电压正常而②脚无电压输出时,检查重点是Q1102、R1104、D1114和C1132,若④脚也无电压输出则重点检查D1109、C1119、D1113、L1103和C1120。P1101的⑤、⑦、⑧脚输出是由IC1102提供的,当多路稳压输出集成块收到正确指令而输出电压不正常时,通常为集成块或其附属电路故障。
例1 故障现象:一台松下L15录像机接通电源显示屏有显示,但按动电源开关电源指示灯不亮,磁带不能置入带仓。
检修:对于上述故障现象,应重点检查电源电路和系统控制部分。首先检测P1101各脚电压,发现在按动电源开关时③脚指令变化正常而⑤脚、⑧脚始终无电压,由此判断属电源电路故障。拔掉P1101插头,卸下电源组件单独检查,P1101⑤脚、⑧脚仍无电压,在检查IC1102外围电路未发现异常后确定为IC1102损坏,更换IC1102,故障修复。
例2 故障现象:一台日立427录像机显示正常,电源指示受控,磁带不能正入带仓。
检修:利用手动方法将磁带置入带仓,使方式开关位于停止标记,通电,显示正常,按放像钮磁带可加载到位,但鼓电机与主导轴电机均不工作,怀疑故障出在伺服电路,对伺服电路进行检测,查出电路中的供电电压很低,经过检查最后确定故障出在电源电路中。测量多路稳压输出集成块IC851(STK5372)各脚电压,其①脚、④脚受控输出5V、12V均低于正常值,指令输入端②脚电压却远高于标准值0.7V达到8V,测PG851④脚微处理器指令输出正常,由此怀疑IC851损坏,因手头无该型号集成块替换,试将IC851②脚接地电阻R857(22k)阻值减小以期降低②脚电压,最后以3.6k阻值电阻替代R857将②脚电压降至0.6V,受控输出电压均升至正常值。
上述两例都是因为多路稳压输出集成块损坏而无法完成指令任务,如果微处理器发出的指令不能正确抵达受控终端,机器产生的故障现象也与之类似,如图1中的D1001、C1001、QR1001损坏,出现的故障现象与例1大体相同。在对故障机器进行检测时若难以确定故障是否由指令异常引起,可以断开指令端,外加模拟指令输入看受控输出能否正常则可立即确定故障原因。有些机型的录像机电源电路中受控输出采用分立元件组成,当受控点增加时电路也就略显复杂了。图2为东芝DV98录像机电源受控输出部分电路,微处理器ICX01(TMP47C870N4845Z)输出的电源开关指令经电子开关QL60分为两路,一路经Q818控制Q817的+9V输出,另一路经Q813、Q812同时控制Q811的+9V输出和Q814的+5V输出。可以看出若指令正常,QL60损坏则全部无输出,Q818损坏Q817无输出,Q812或Q813损坏则Q811、Q814均无输出。

例3 故障现象:一台东芝V94录像机显示正常,磁带不能置入带仓。
检修:磁带不能置入带仓,常为装载电机不转所致,其原因为:①无装载检测信号,②装载驱动集成块无控制信号,③装载驱动集成块无供电电源,④装载驱动集成块损坏,故障机器属上述4种原因中的哪一种只需对驱动集成块IC602(TA7288P)的引脚电压进行检测即可判断。通过检测IC602的⑦脚⑨脚发现无VCC电压,顺路寻查至电源电路中的Q811,其集电极电压正常,而基极发射极无电压,继续检测Q812、Q813,最后确定为Q813换坏。
由于电源电路中的受控输出直接由微处理器的指令控制,因此没有正确的指令,受控输出不可能正常供电。如果确定指令不正常,应重点检查系统控制电路,供电电压、时钟信号、复位等是检查的主要项目,系统控制部分电路较为复杂,不同机型的机器集成电路配置不同,数据信号的传输方式也有所变化,而影响系统控制电路正常工作的因素又是多方面的,因此对于故障点的查找需耐心细致,善于捕捉故障现象的细微特征,以求能快速找出故障点。
例4 故障现象:一台夏普K89录像机显示正常,按电源开关显示屏有反应,但电源指示灯不亮,磁带不能置入带仓。
检修:首先检查电源输出,各路输出电压均正常,但该类机型的电源受控输出并不在电源组件内,而是设置在主电路板上,查找较费时间,由于该机磁带不能置入带仓,所以第二步则对装载电机驱动集成块IC803(BA6209)进行检测,发现其供电电压正常,但在置带入仓时无控制指令,检测点转向微处理器IC801(IX0579GE),置带入仓时测其2(电机转停指令)、⑧脚(电源开关指令)均无反应,而其①脚VCC电压正常,利用示波器测量IC801的时钟信号,无时钟信号波形,由于更换晶体比较简便,首先更换晶体FL801,通过更换说明故障原因是由于FL801失效所致。
例5 故障现象:一台松下F55录像机,通电后显示屏有显示,按动电源开关电源指示灯不亮。
检修:该机在将磁带置入带仓时磁带能正常进入,且电源指示随之闪亮,若置入撬掉防误抹片的磁带,机器可自动放像,但所有操作按钮均不起作用,据此判断电源系统属正常,微处理器也无问题,故障点可能出在操作电路板或连接电路。在卸下操作面板准备测量时,无意中发现电源开关在没有操作面板时反而起作用,怀疑个别按钮短路造成整个操作电路被锁。测量操作面板引出线之间电阻,发现有严重漏电现象,拆开操作面板,用药棉蘸稍许无水酒精清擦、晾干,再测引出线之间电阻值,漏电现象消失,故障排除。此类故障在松下J25、J27一类机器中也时有发现,如果考虑到这一因素,可以少走许多弯路。
电源系统附属电路分布广泛
在录像机的维修手册中,电源电路通常指的是电源组件部分,实际上在机器的其它电路中还有不少电源的附属电路,它们起着隔离、稳压、开关、保护等作用,这些电路中的器件损坏往往会导致某部分电路甚至多部分电路因失去供电电源而不能正常工作。笔者选出了东芝V83录像机中部分电源系统的附属电路汇列于图3,在图3a的图像中放电路中,REG+12V通过Q301送出,Q303、Q302控制Q301的导通,导通指令由系统控制电路中的微处理器IC601(TAP4746N5759)发出,经Q617送达。定时器2电路中的 QL11(见图3b)为系统控制电路、伺服电路提供开关+5V电压,QL11通过QL12直接受定时器1电路ICX01(TMP47C410AN6775)脚电源开关指令控制。在图3c的系统控制电路中的+5V电源是由电源电路中的DC+9V经Q611稳压后获得,另外在该电路中Q625为卷带电机提供电源。在图3d的视频电路中的+5V电源是由DC+9V经Q203稳压后获得。在伺服电路中,鼓电机和主导轴电机的驱动电源由Q533和Q534提供(见图3e),它们分别受IC502(TA75902P)和IC601的双重控制,IC601控制电机的转停,IC502则控制电机的速度和相位。在上述电路中,若图3a电路出现故障,录像机则无法接收电视信号,而图3c电路出故障会使机器因失去非受控+5V电压而完全不能工作。





例6 故障现象:一台东芝V83录像机各功能正常,但播放磁带时无图像。
检修:视频通道较易出故障的部位是视频磁头、旋转变压器和磁头放大器,但上述部位出故障时监视器的屏幕上通常有杂波一类反映,而该机故障现象却是屏幕不亮,开大监视器亮度也看不到任何杂波,据此推断故障点可能在亮度信号通道。利用示波器监测视频信号输出,无信号输出,改测输入端信号,示波器接P202③脚测磁头放大器输出的 FM信号,FM信号波形幅度远低于正常值。用万用表测量P202其它各脚电压,其⑥脚+7V电压正常,而其①脚却无+5V电压,该电压是由图3d中的Q203提供的,对图3d电路进行检测,查出二极管D201开路,由于Q203不工作,失去+5V电源,致使整个亮度通道及磁头放大器均不能正常工作。
例7 故障现象:一台松下J27录像机,其它功能均正常,唯在放像时按倒带钮则自动停机。
检修:该机故障为失去倒放功能,拆开底板观察,放像时按倒带钮倒放电机不转。检测倒放电机驱动集成块IC6005(AN6609N)引脚电压值,发现IC6005无VCC电压,该电压是由电源电路中输出的非稳压14V经主电路板上Q6007稳压后供给。测Q6007基极、发射极无电压,集电极电压正常,Q6007的基极偏置是由电源电路中的45V输出经R6054降压后获得,查找R6054非常困难,花费大量时间仔细寻找才在主电路板的右上角发现这一只孤零零的R6054,经测量电阻阻值正常,但与45V相连的一端断路,实在难以再查断路点,便外接一导线连接45V端将故障修复。
为了能使机器出现短路性故障时不致造成更大的损坏,各类录放像机都在电源系统中设置了一些保护器件和保护电路,多的甚至达十余处,如果保护器件开路或保护电路动作,机器肯定不能正常工作。据笔者的维修经验,造成保护器件损坏或保护电路动作的原因有以下三种:①机器出现短路性故障,②维修人员检修时操作失误人为短路,③瞬态电流过大造成器件损坏或保护器件的自然损坏。针对上述三种原因处理方法也不尽相同,对于原因③一般只要将损坏的保护器件更换即可,而前两种原因造成的故障,必须首先查明原因,排除短路故障,才能更换保护器件,否则,故障不能修复,还有可能造成更大的损坏。(未完待续)(郭一仁)